To the top of the document
Orlando
   
GMDE Start Page Load static TOC Load dynamic TOC Help?

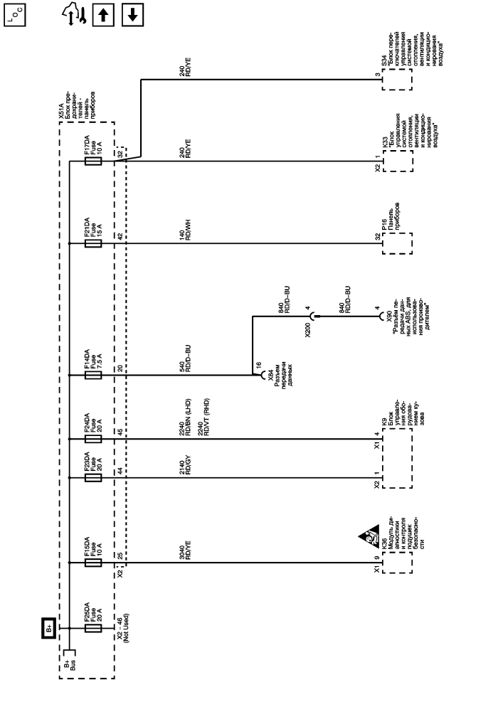
Предохранители f14da, f15da, f17da, f21da, f23da, f24da и f25da


          
            |                         |            
2564723RU.png

Display graphic

Предохранитель F22DA и выключатель зажигания (ATH)

Предохранители F3DA, F8DA, F9DA, F10DA, F11DA, F16DA, F3UD и F6UD

   


© copyright chevrolet. All rights reserved