To the top of the document
Orlando
   
GMDE Start Page Load static TOC Load dynamic TOC Help?

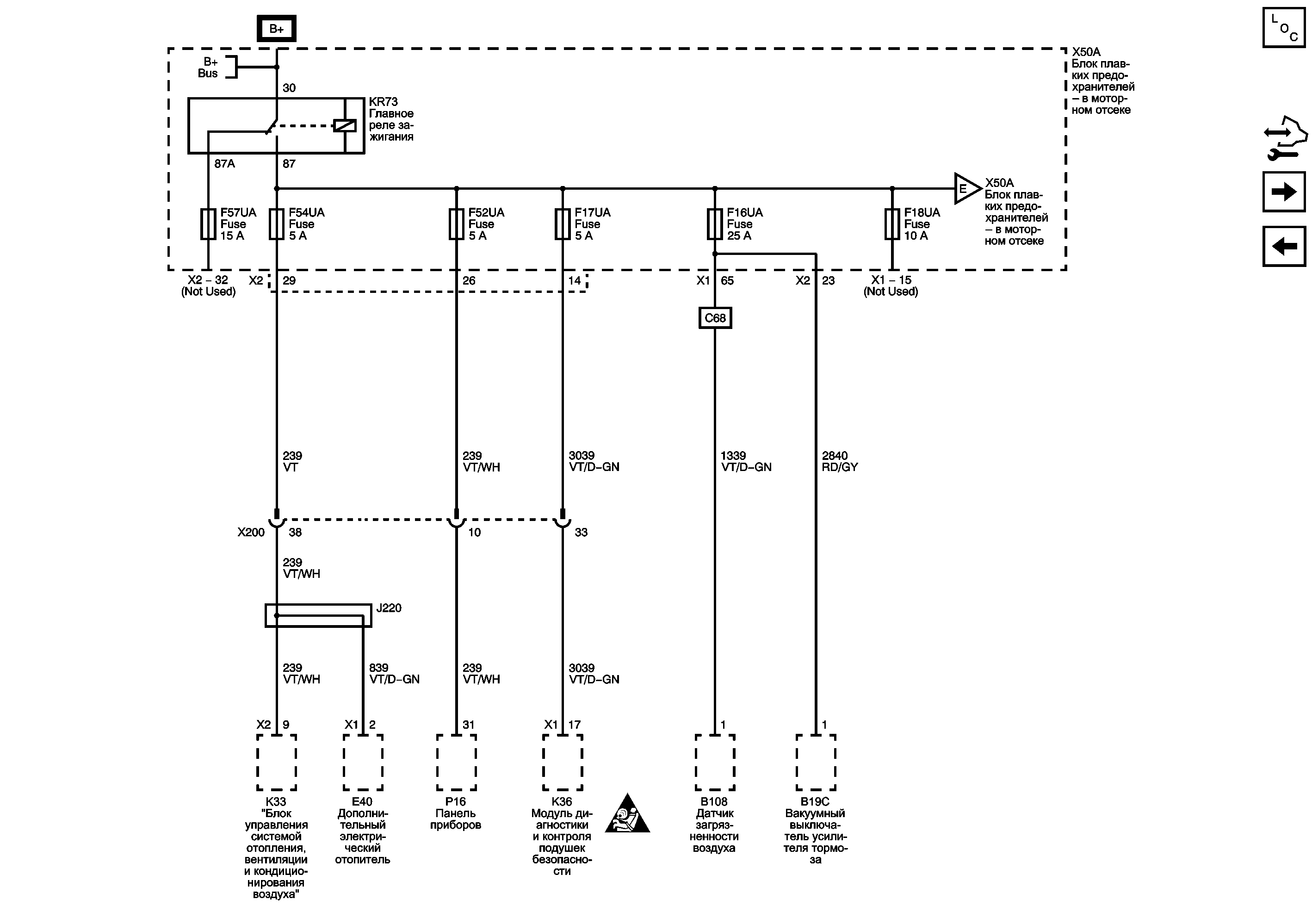
Предохранители f16ua, f17ua, f18ua, f52ua, f54ua и f57ua


          
            |                         |            
2564851RU.png

Display graphic

Предохранители F5UA, F13UA и F53UA

Предохранители F42UA и F46UA

Предохранители F5UA, F13UA и F53UA

   


© copyright chevrolet. All rights reserved