Cruze
   
GMDE Start Page Load static TOC Load dynamic TOC Help?
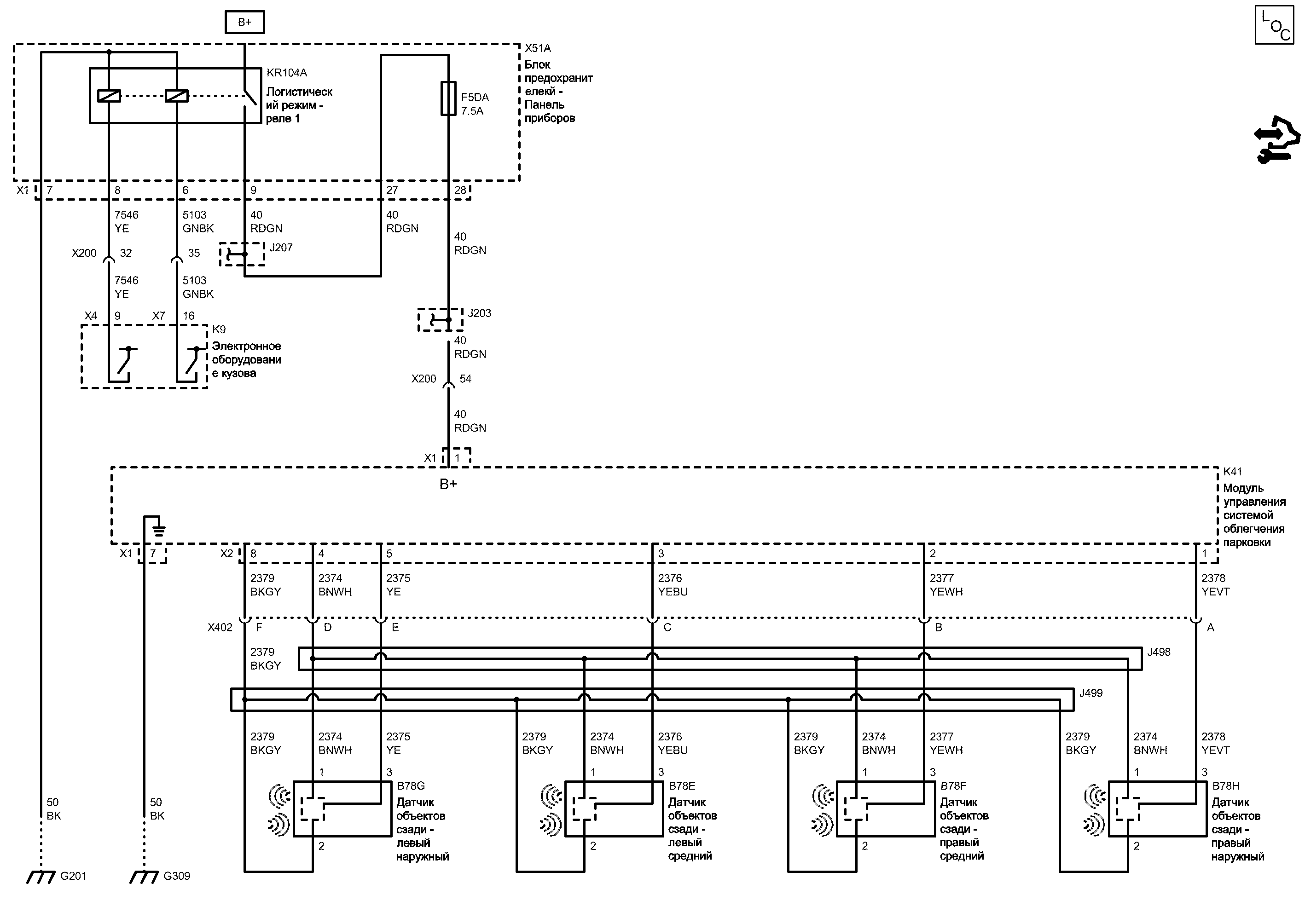
Система облегчения парковки


            |                         |            
2203190RU.png


Display graphic

Display graphic

Компоненты
b78eДатчик объектов сзади - левый среднийk9Электронное оборудование кузова
b78fДатчик объектов сзади - правый среднийk41Модуль управления системой облегчения парковки
b78gДатчик объектов сзади - левый наружныйkr104aЛогистический режим - реле 1
b78hДатчик объектов сзади - правый наружныйx51aБлок предохранителекй - Панель приборов
f5daПредохранитель
Разъемы
j203Жгут проводов панели приборовk41 (x1)Модуль управления системой облегчения парковки x1
j207Жгут проводов панели приборовk41 (x2)Модуль управления системой облегчения парковки x2
j498Жгут проводов задних панелейx51a (x1)Блок предохранителекй - Панель приборов x1
j499Жгут проводов задних панелейx200Жгут проводов кузова и жгут проводов панели приборов
k9 (x4)Электронное оборудование кузова x4x402Жгут проводов кузова и жгут проводов парк-пилота (системы облегчения парковки)
k9 (x7)Электронное оборудование кузова x7
Точки соединения с массой
g201Поперечина, панель приборов, слеваg309Задняя панель, левая
Сокращения
b+Вывод b+
Цветовые коды
bkЧерныйyeЖелтый
bkgyЧерный-СерыйyebuЖелтый-Синий
bnwhКоричневый\БелыйyevtЖелтый-Фиолетовый
gnbkЗеленый-ЧерныйyewhЖелтый-Белый
rdgnКрасный-Зеленый
7
G309 Задняя панель, левая

Расположение деталей (узлов) Трехмерная схема жгутов
Внешний вид разъема и ремонт
Электрическая схема G309
Масса
BK Черный
1
4
5
8
3
X1 Модуль управления системой облегчения парковки X1

Расположение деталей (узлов) Трехмерная схема жгутов СТРАНЫ - КРОМЕ СЕВЕРНОЙ АМЕРИКИ
Внешний вид разъема и ремонт
X1 Модуль управления системой облегчения парковки X1

Расположение деталей (узлов) Трехмерная схема жгутов СТРАНЫ - КРОМЕ СЕВЕРНОЙ АМЕРИКИ
Внешний вид разъема и ремонт
X2 Модуль управления системой облегчения парковки X2

Расположение деталей (узлов) Трехмерная схема жгутов СТРАНЫ - КРОМЕ СЕВЕРНОЙ АМЕРИКИ
Внешний вид разъема и ремонт
D
E
X402 Жгут проводов кузова и жгут проводов парк-пилота (системы облегчения парков...

Расположение деталей (узлов) Трехмерная схема жгутов
Внешний вид разъема и ремонт Вилка
Внешний вид разъема и ремонт Гнездо
F
Управление датчиком объектов
BNWH Коричневый\Белый
Сигнал левого заднего углового датчика объектов
YE Желтый
Слабый опорный сигнал датчика объектов
BKGY Черный-Серый
YE Желтый
J498 Жгут проводов задних панелей
2
3
1
2
3
1
3
1
2
2
3
1
C
Сигнал левого заднего среднего датчика объектов
YEBU Желтый-Синий
B
2
Сигнал правого заднего среднего датчика объектов
YEWH Желтый-Белый
A
1
Сигнал правого заднего углового датчика объектов
YEVT Желтый-Фиолетовый
J499 Жгут проводов задних панелей
B78F Датчик объектов сзади - правый средний

Расположение деталей (узлов) Трехмерная схема жгутов
Внешний вид разъема и ремонт
B78H Датчик объектов сзади - правый наружный

Расположение деталей (узлов) Трехмерная схема жгутов
Внешний вид разъема и ремонт
B78E Датчик объектов сзади - левый средний

Расположение деталей (узлов) Трехмерная схема жгутов
Внешний вид разъема и ремонт
B78G Датчик объектов сзади - левый наружный

Расположение деталей (узлов) Трехмерная схема жгутов
Внешний вид разъема и ремонт
B+ (положительное напряжение аккумуляторной батареи)
K41 Модуль управления системой облегчения парковки

Расположение деталей (узлов) Трехмерная схема жгутов СТРАНЫ - КРОМЕ СЕВЕРНОЙ АМЕРИКИ
Имеется только одно место для компонента
Слабый опорный сигнал
KR104A Логистический режим - реле 1
9
Положительное напряжение аккумуляторной батареи
RDGN Красный-Зеленый
J207 Жгут проводов панели приборов

Электрическая схема Дисплей информационно-развлекательной системы Äèñïëåé èíôîðìàöèîííî-ðàçâëåêàòåëüíîé ñèñòåìû, öâåòíîé èíôîðìàöèîííûé äèñïëåé (CID) 7'', OVGA - 1
Электрическая схема Дисплей информационно-развлекательной системы Äèñïëåé èíôîðìàöèîííî-ðàçâëåêàòåëüíîé ñèñòåìû, öâåòíîé èíôîðìàöèîííûé äèñïëåé (CID) 7'', OVGA - 2
Электрическая схема Дисплей информационно-развлекательной системы ГРАФИЧЕСКИЙ ИНФОРМАЦИОННЫЙ ДИСПЛЕЙ (GID), ВАР. 1. ИЛИ ИНФОРМАЦИОННО-РАЗВЛЕКАТЕЛЬНЫЙ ДИСПЛЕЙ, ВРЕМЯ, ВНЕШН. ТЕМПЕРАТУРА, АУДИОСИСТЕМА
Электрическая схема Питание, масса и последовательные данные
Электрическая схема Противоугонная сигнализация
7
X1 Блок предохранителекй - Панель приборов X1
K9 Электронное оборудование кузова

Расположение деталей (узлов) Трехмерная схема жгутов
Управление
Управление
X7 Электронное оборудование кузова X7

Расположение деталей (узлов) Трехмерная схема жгутов
X200 Жгут проводов кузова и жгут проводов панели приборов

Расположение деталей (узлов) Трехмерная схема жгутов
Внешний вид разъема и ремонт Вилка
Внешний вид разъема и ремонт Гнездо
32
X4 Электронное оборудование кузова X4

Расположение деталей (узлов) Трехмерная схема жгутов
Логистическое релейное управление
YE Желтый
9
YE Желтый
8
16
Идентификация технологии
GNBK Зеленый-Черный
35
6
GNBK Зеленый-Черный
Вывод B+
27
RDGN Красный-Зеленый
Положительное напряжение аккумуляторной батареи
RDGN Красный-Зеленый
28
F5DA Предохранитель

Электрическая схема Дерево Предохранители F1DA, F4DA и F5DA
Электрическая схема Питание Шина B+ IEC (2 из 3)
X51A Блок предохранителекй - Панель приборов

Расположение деталей (узлов) Трехмерная схема жгутов
Масса
BK Черный
G201 Поперечина, панель приборов, слева

Расположение деталей (узлов) Трехмерная схема жгутов
Внешний вид разъема и ремонт
Электрическая схема G201
X200 Жгут проводов кузова и жгут проводов панели приборов

Расположение деталей (узлов) Трехмерная схема жгутов
Внешний вид разъема и ремонт Вилка
Внешний вид разъема и ремонт Гнездо
54
J203 Жгут проводов панели приборов

Электрическая схема Дисплей информационно-развлекательной системы Äèñïëåé èíôîðìàöèîííî-ðàçâëåêàòåëüíîé ñèñòåìû, öâåòíîé èíôîðìàöèîííûé äèñïëåé (CID) 7'', OVGA - 1
Электрическая схема Дисплей информационно-развлекательной системы Äèñïëåé èíôîðìàöèîííî-ðàçâëåêàòåëüíîé ñèñòåìû, öâåòíîé èíôîðìàöèîííûé äèñïëåé (CID) 7'', OVGA - 2
Электрическая схема Дисплей информационно-развлекательной системы ГРАФИЧЕСКИЙ ИНФОРМАЦИОННЫЙ ДИСПЛЕЙ (GID), ВАР. 1. ИЛИ ИНФОРМАЦИОННО-РАЗВЛЕКАТЕЛЬНЫЙ ДИСПЛЕЙ, ВРЕМЯ, ВНЕШН. ТЕМПЕРАТУРА, АУДИОСИСТЕМА
Положительное напряжение аккумуляторной батареи
RDGN Красный-Зеленый
RDGN Красный-Зеленый
BNWH Коричневый\Белый
BKGY Черный-Серый
BNWH Коричневый\Белый
BKGY Черный-Серый
YEBU Желтый-Синий
BNWH Коричневый\Белый
BKGY Черный-Серый
YEWH Желтый-Белый
BNWH Коричневый\Белый
BKGY Черный-Серый
YEVT Желтый-Фиолетовый
BKGY Черный-Серый
Справочные данные по контроллерам

Справочные данные по контроллерам
Перечень основных электрических компонентов

Перечень основных электрических компонентов
   


https://vnx.su/ 🛠 Руководства по ремонту и эксплуатации для автомобилей

Поиск по сайту

Остались вопросы или пожелания? Пишите на почту: support@vnx.su

Карта Сайта