Cruze
   
GMDE Start Page Load static TOC Load dynamic TOC Help?
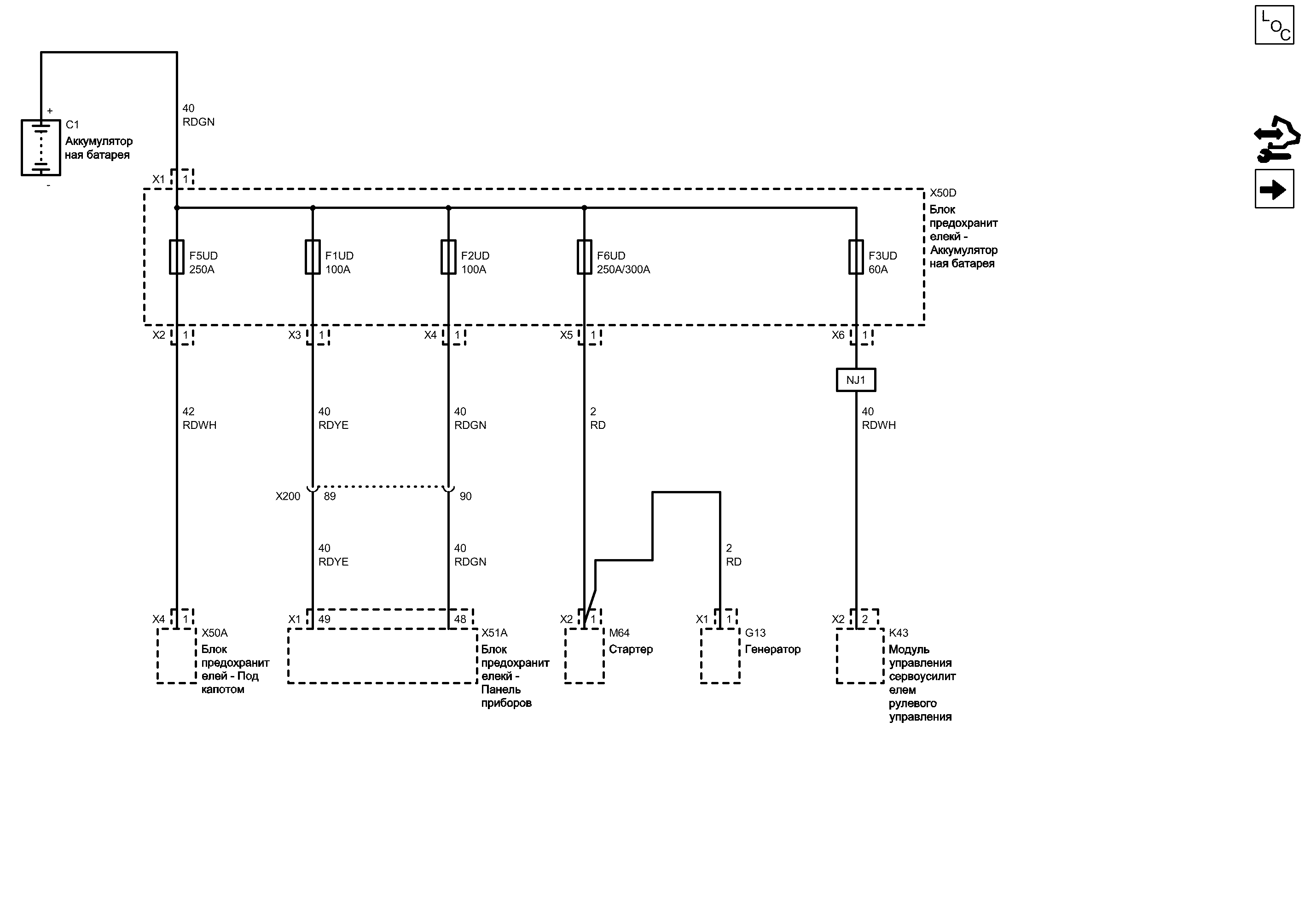
Шина b+


            |                         |            
2203070RU.png


Display graphic

Display graphic

Компоненты
c1Аккумуляторная батареяg13Генератор
f1udПредохранительk43Модуль управления сервоусилителем рулевого управления
f2udПредохранительm64Стартер
f3udПредохранительx50aБлок предохранителей - Под капотом
f5udПредохранительx50dБлок предохранителекй - Аккумуляторная батарея
f6udПредохранительx51aБлок предохранителекй - Панель приборов
Разъемы
g13 (x1)Генератор x1x50d (x3)Блок предохранителекй - Аккумуляторная батарея x3
k43 (x2)Модуль управления сервоусилителем рулевого управления x2x50d (x4)Блок предохранителекй - Аккумуляторная батарея x4
m64 (x2)Стартер x2x50d (x5)Блок предохранителекй - Аккумуляторная батарея x5
x50a (x4)Блок предохранителей - Под капотом x4x50d (x6)Блок предохранителекй - Аккумуляторная батарея x6
x50d (x1)Блок предохранителекй - Аккумуляторная батарея x1x51a (x1)Блок предохранителекй - Панель приборов x1
x50d (x2)Блок предохранителекй - Аккумуляторная батарея x2x200Жгут проводов кузова и жгут проводов панели приборов
Сокращения
nj1С СЕРВОУСИЛИТЕЛЕМ, С ПОСТОЯННЫМ ПЕРЕДАТОЧНЫМ ЧИСЛОМ, ЭЛЕКТР.
Цветовые коды
rdКрасныйrdwhКрасный-Белый
rdgnКрасный-ЗеленыйrdyeКрасный-Желтый
+
-
1
Положительное напряжение аккумуляторной батареи
RDWH Красный-Белый
F5UD Предохранитель
Положительное напряжение аккумуляторной батареи
RDGN Красный-Зеленый
1
F1UD Предохранитель
F2UD Предохранитель
F6UD Предохранитель
F3UD Предохранитель
X2 Блок предохранителекй - Аккумуляторная батарея X2

Расположение деталей (узлов) Трехмерная схема жгутов
X4 Блок предохранителей - Под капотом X4
1
X1 Блок предохранителекй - Панель приборов X1
49
Положительное напряжение аккумуляторной батареи
RDYE Красный-Желтый
X3 Блок предохранителекй - Аккумуляторная батарея X3

Расположение деталей (узлов) Трехмерная схема жгутов
Внешний вид разъема и ремонт
1
RDYE Красный-Желтый
X200 Жгут проводов кузова и жгут проводов панели приборов

Расположение деталей (узлов) Трехмерная схема жгутов
Внешний вид разъема и ремонт Вилка
Внешний вид разъема и ремонт Гнездо
89
48
Положительное напряжение аккумуляторной батареи
RDGN Красный-Зеленый
90
RDGN Красный-Зеленый
1
X4 Блок предохранителекй - Аккумуляторная батарея X4

Расположение деталей (узлов) Трехмерная схема жгутов
Внешний вид разъема и ремонт
X5 Блок предохранителекй - Аккумуляторная батарея X5

Расположение деталей (узлов) Трехмерная схема жгутов
Внешний вид разъема и ремонт ГАЗОВЫЙ ДВИГАТЕЛЬ, 4 ЦИЛ., 1.6 Л, MFI, DOHC, 80 кВт (GMDAT)
Внешний вид разъема и ремонт ДИЗЕЛЬНЫЙ ДВИГАТЕЛЬ, 4 ЦИЛ., L4, 2.0 Л, CRI, SOHC, ТУРБО, 110 кВт
Внешний вид разъема и ремонт ДВИГАТЕЛЬ БЕНЗИНОВЫЙ, 4 ЦИЛ., 1.6 Л, MFI, DOHC, PT-JV, РЕГУЛИРУЕМЫЕ ФАЗЫ РАСПРЕДВАЛОВ AFT, ДЕАКТИВИЗАЦИЯ ПОРТА, ИЛИ ДВИГАТЕЛЬ БЕНЗИНОВЫЙ, 4 ЦИЛ., 1.6 Л, MFI, DOHC, PT-JV, РЕГУЛИРУЕМЫЕ ФАЗЫ РАСПРЕДВАЛОВ AFT, 82 КВТ, ИЛИ ДВИГАТЕЛЬ БЕНЗИНОВЫЙ, 4 ЦИЛ., 1.8 Л,
1
Положительное напряжение аккумуляторной батареи
RD Красный
1
X2 Стартер X2

Внешний вид разъема и ремонт
Доступен вид только с одним разъемом
1
X1 Генератор X1

Расположение деталей (узлов) Трехмерная схема жгутов ДВИГАТЕЛЬ БЕНЗИНОВЫЙ, 4 ЦИЛ., 1.8 Л, MFI, 103 КВТ, DOHC ДВИГАТЕЛЬ БЕНЗИНОВЫЙ, 4 ЦИЛ., 1.6 Л, MFI, DOHC, PT-JV, РЕГУЛИРУЕМЫЕ ФАЗЫ РАСПРЕДВАЛОВ AFT, ДЕАКТИВИЗАЦИЯ ПОРТА ГАЗОВЫЙ ДВИГАТЕЛЬ, 4 ЦИЛ., 1.6 Л, MFI, DOHC, PT-JV, РАСПРЕДВАЛ С ИЗМЕНЯЕМЫМ ФАЗИРОВАНИЕМ, 82 кВт
Внешний вид разъема и ремонт ГАЗОВЫЙ ДВИГАТЕЛЬ, 4 ЦИЛ., 1.6 Л, MFI, DOHC, 80 кВт (GMDAT)
Внешний вид разъема и ремонт ДВИГАТЕЛЬ БЕНЗИНОВЫЙ, 4 ЦИЛ., 1.6 Л, MFI, DOHC, PT-JV, РЕГУЛИРУЕМЫЕ ФАЗЫ РАСПРЕДВАЛОВ AFT, ДЕАКТИВИЗАЦИЯ ПОРТА, ИЛИ ДВИГАТЕЛЬ БЕНЗИНОВЫЙ, 4 ЦИЛ., 1.6 Л, MFI, DOHC, PT-JV, РЕГУЛИРУЕМЫЕ ФАЗЫ РАСПРЕДВАЛОВ AFT, 82 КВТ, ИЛИ ДВИГАТЕЛЬ БЕНЗИНОВЫЙ, 4 ЦИЛ., 1.8 Л,
RD Красный
Положительное напряжение аккумуляторной батареи
X2 Модуль управления сервоусилителем рулевого управления X2

Расположение деталей (узлов) Трехмерная схема жгутов С СЕРВОУСИЛИТЕЛЕМ, С ПОСТОЯННЫМ ПЕРЕДАТОЧНЫМ ЧИСЛОМ, ЭЛЕКТР. Левостороннее управление
Расположение деталей (узлов) Трехмерная схема жгутов С СЕРВОУСИЛИТЕЛЕМ, С ПОСТОЯННЫМ ПЕРЕДАТОЧНЫМ ЧИСЛОМ, ЭЛЕКТР. Правостороннее управление
2
X6 Блок предохранителекй - Аккумуляторная батарея X6

Расположение деталей (узлов) Трехмерная схема жгутов
Внешний вид разъема и ремонт
1
X1 Блок предохранителекй - Аккумуляторная батарея X1

Расположение деталей (узлов) Трехмерная схема жгутов
С СЕРВОУСИЛИТЕЛЕМ, С ПОСТОЯННЫМ ПЕРЕДАТОЧНЫМ ЧИСЛОМ, ЭЛЕКТР.
RDWH Красный-Белый
K43 Модуль управления сервоусилителем рулевого управления

Расположение деталей (узлов) Трехмерная схема жгутов С СЕРВОУСИЛИТЕЛЕМ, С ПОСТОЯННЫМ ПЕРЕДАТОЧНЫМ ЧИСЛОМ, ЭЛЕКТР. Левостороннее управление
Расположение деталей (узлов) Трехмерная схема жгутов С СЕРВОУСИЛИТЕЛЕМ, С ПОСТОЯННЫМ ПЕРЕДАТОЧНЫМ ЧИСЛОМ, ЭЛЕКТР. Правостороннее управление
Электрическая схема Рулевое управление с сервоусилителем Контакт 2
G13 Генератор

Расположение деталей (узлов) Трехмерная схема жгутов ДИЗЕЛЬНЫЙ ДВИГАТЕЛЬ, 4 ЦИЛ., L4, 2.0 Л, CRI, SOHC, ТУРБО, 110 кВт
Расположение деталей (узлов) Трехмерная схема жгутов ДВИГАТЕЛЬ БЕНЗИНОВЫЙ, 4 ЦИЛ., 1.8 Л, MFI, 103 КВТ, DOHC ДВИГАТЕЛЬ БЕНЗИНОВЫЙ, 4 ЦИЛ., 1.6 Л, MFI, DOHC, PT-JV, РЕГУЛИРУЕМЫЕ ФАЗЫ РАСПРЕДВАЛОВ AFT, ДЕАКТИВИЗАЦИЯ ПОРТА ГАЗОВЫЙ ДВИГАТЕЛЬ, 4 ЦИЛ., 1.6 Л, MFI, DOHC, PT-JV, РАСПРЕДВАЛ С ИЗМЕНЯЕМЫМ ФАЗИРОВАНИЕМ, 82 кВт
Электрическая схема Запуск и зарядка ГАЗОВЫЙ ДВИГАТЕЛЬ, 4 ЦИЛ., 1.6 Л, MFI, DOHC, 80 кВт (GMDAT) Контакт 1
Электрическая схема Запуск и зарядка ДИЗЕЛЬНЫЙ ДВИГАТЕЛЬ, 4 ЦИЛ., L4, 2.0 Л, CRI, SOHC, ТУРБО, 110 кВт Контакт 1
Электрическая схема Запуск и зарядка ДВИГАТЕЛЬ БЕНЗИНОВЫЙ, 4 ЦИЛ., 1.8 Л, MFI, 103 КВТ, DOHC ДВИГАТЕЛЬ БЕНЗИНОВЫЙ, 4 ЦИЛ., 1.6 Л, MFI, DOHC, PT-JV, РЕГУЛИРУЕМЫЕ ФАЗЫ РАСПРЕДВАЛОВ AFT, ДЕАКТИВИЗАЦИЯ ПОРТА ГАЗОВЫЙ ДВИГАТЕЛЬ, 4 ЦИЛ., 1.6 Л, MFI, DOHC, PT-JV, РАСПРЕДВАЛ С ИЗМЕНЯЕМЫМ ФАЗИРОВАНИЕМ, 82 кВт Контакт 1
M64 Стартер

Электрическая схема Запуск и зарядка ГАЗОВЫЙ ДВИГАТЕЛЬ, 4 ЦИЛ., 1.6 Л, MFI, DOHC, 80 кВт (GMDAT) Контакт 1
Электрическая схема Запуск и зарядка ДИЗЕЛЬНЫЙ ДВИГАТЕЛЬ, 4 ЦИЛ., L4, 2.0 Л, CRI, SOHC, ТУРБО, 110 кВт Контакт 1
Электрическая схема Запуск и зарядка ДВИГАТЕЛЬ БЕНЗИНОВЫЙ, 4 ЦИЛ., 1.8 Л, MFI, 103 КВТ, DOHC ДВИГАТЕЛЬ БЕНЗИНОВЫЙ, 4 ЦИЛ., 1.6 Л, MFI, DOHC, PT-JV, РЕГУЛИРУЕМЫЕ ФАЗЫ РАСПРЕДВАЛОВ AFT, ДЕАКТИВИЗАЦИЯ ПОРТА ГАЗОВЫЙ ДВИГАТЕЛЬ, 4 ЦИЛ., 1.6 Л, MFI, DOHC, PT-JV, РАСПРЕДВАЛ С ИЗМЕНЯЕМЫМ ФАЗИРОВАНИЕМ, 82 кВт Контакт 1
X51A Блок предохранителекй - Панель приборов

Расположение деталей (узлов) Трехмерная схема жгутов
X50D Блок предохранителекй - Аккумуляторная батарея

Расположение деталей (узлов) Трехмерная схема жгутов
Электрическая схема Рулевое управление с сервоусилителем Контакт 1
Электрическая схема Запуск и зарядка ГАЗОВЫЙ ДВИГАТЕЛЬ, 4 ЦИЛ., 1.6 Л, MFI, DOHC, 80 кВт (GMDAT) Контакт 1 - 1
Электрическая схема Запуск и зарядка ГАЗОВЫЙ ДВИГАТЕЛЬ, 4 ЦИЛ., 1.6 Л, MFI, DOHC, 80 кВт (GMDAT) Контакт 1 - 2
Электрическая схема Запуск и зарядка ДИЗЕЛЬНЫЙ ДВИГАТЕЛЬ, 4 ЦИЛ., L4, 2.0 Л, CRI, SOHC, ТУРБО, 110 кВт Контакт 1 - 1
Электрическая схема Запуск и зарядка ДИЗЕЛЬНЫЙ ДВИГАТЕЛЬ, 4 ЦИЛ., L4, 2.0 Л, CRI, SOHC, ТУРБО, 110 кВт Контакт 1 - 2
Электрическая схема Запуск и зарядка ДВИГАТЕЛЬ БЕНЗИНОВЫЙ, 4 ЦИЛ., 1.8 Л, MFI, 103 КВТ, DOHC ДВИГАТЕЛЬ БЕНЗИНОВЫЙ, 4 ЦИЛ., 1.6 Л, MFI, DOHC, PT-JV, РЕГУЛИРУЕМЫЕ ФАЗЫ РАСПРЕДВАЛОВ AFT, ДЕАКТИВИЗАЦИЯ ПОРТА ГАЗОВЫЙ ДВИГАТЕЛЬ, 4 ЦИЛ., 1.6 Л, MFI, DOHC, PT-JV, РАСПРЕДВАЛ С ИЗМЕНЯЕМЫМ ФАЗИРОВАНИЕМ, 82 кВт Контакт 1 - 1
Электрическая схема Запуск и зарядка ДВИГАТЕЛЬ БЕНЗИНОВЫЙ, 4 ЦИЛ., 1.8 Л, MFI, 103 КВТ, DOHC ДВИГАТЕЛЬ БЕНЗИНОВЫЙ, 4 ЦИЛ., 1.6 Л, MFI, DOHC, PT-JV, РЕГУЛИРУЕМЫЕ ФАЗЫ РАСПРЕДВАЛОВ AFT, ДЕАКТИВИЗАЦИЯ ПОРТА ГАЗОВЫЙ ДВИГАТЕЛЬ, 4 ЦИЛ., 1.6 Л, MFI, DOHC, PT-JV, РАСПРЕДВАЛ С ИЗМЕНЯЕМЫМ ФАЗИРОВАНИЕМ, 82 кВт Контакт 1 - 2
X50A Блок предохранителей - Под капотом

Расположение деталей (узлов) Трехмерная схема жгутов
C1 Аккумуляторная батарея

Расположение деталей (узлов) Трехмерная схема жгутов СТРАНА - КОРЕЯ ДИЗЕЛЬНЫЙ ДВИГАТЕЛЬ, 4 ЦИЛ., L4, 2.0 Л, CRI, SOHC, ТУРБО, 110 кВт
Внешний вид разъема и ремонт
Электрическая схема Запуск и зарядка ГАЗОВЫЙ ДВИГАТЕЛЬ, 4 ЦИЛ., 1.6 Л, MFI, DOHC, 80 кВт (GMDAT) Контакт -
Электрическая схема Запуск и зарядка ГАЗОВЫЙ ДВИГАТЕЛЬ, 4 ЦИЛ., 1.6 Л, MFI, DOHC, 80 кВт (GMDAT) Контакт +
Электрическая схема Запуск и зарядка ДИЗЕЛЬНЫЙ ДВИГАТЕЛЬ, 4 ЦИЛ., L4, 2.0 Л, CRI, SOHC, ТУРБО, 110 кВт Контакт -
Электрическая схема Запуск и зарядка ДИЗЕЛЬНЫЙ ДВИГАТЕЛЬ, 4 ЦИЛ., L4, 2.0 Л, CRI, SOHC, ТУРБО, 110 кВт Контакт +
Электрическая схема Запуск и зарядка ДВИГАТЕЛЬ БЕНЗИНОВЫЙ, 4 ЦИЛ., 1.8 Л, MFI, 103 КВТ, DOHC ДВИГАТЕЛЬ БЕНЗИНОВЫЙ, 4 ЦИЛ., 1.6 Л, MFI, DOHC, PT-JV, РЕГУЛИРУЕМЫЕ ФАЗЫ РАСПРЕДВАЛОВ AFT, ДЕАКТИВИЗАЦИЯ ПОРТА ГАЗОВЫЙ ДВИГАТЕЛЬ, 4 ЦИЛ., 1.6 Л, MFI, DOHC, PT-JV, РАСПРЕДВАЛ С ИЗМЕНЯЕМЫМ ФАЗИРОВАНИЕМ, 82 кВт Контакт -
Электрическая схема Запуск и зарядка ДВИГАТЕЛЬ БЕНЗИНОВЫЙ, 4 ЦИЛ., 1.8 Л, MFI, 103 КВТ, DOHC ДВИГАТЕЛЬ БЕНЗИНОВЫЙ, 4 ЦИЛ., 1.6 Л, MFI, DOHC, PT-JV, РЕГУЛИРУЕМЫЕ ФАЗЫ РАСПРЕДВАЛОВ AFT, ДЕАКТИВИЗАЦИЯ ПОРТА ГАЗОВЫЙ ДВИГАТЕЛЬ, 4 ЦИЛ., 1.6 Л, MFI, DOHC, PT-JV, РАСПРЕДВАЛ С ИЗМЕНЯЕМЫМ ФАЗИРОВАНИЕМ, 82 кВт Контакт +
Справочные данные по контроллерам

Справочные данные по контроллерам
Шина B+ UEC (1 из 6)

Шина B+ UEC (1 из 6)
Перечень основных электрических компонентов

Перечень основных электрических компонентов
   


https://vnx.su/ 🛠 Руководства по ремонту и эксплуатации для автомобилей

Поиск по сайту

Остались вопросы или пожелания? Пишите на почту: support@vnx.su

Карта Сайта