Cruze
   
GMDE Start Page Load static TOC Load dynamic TOC Help?
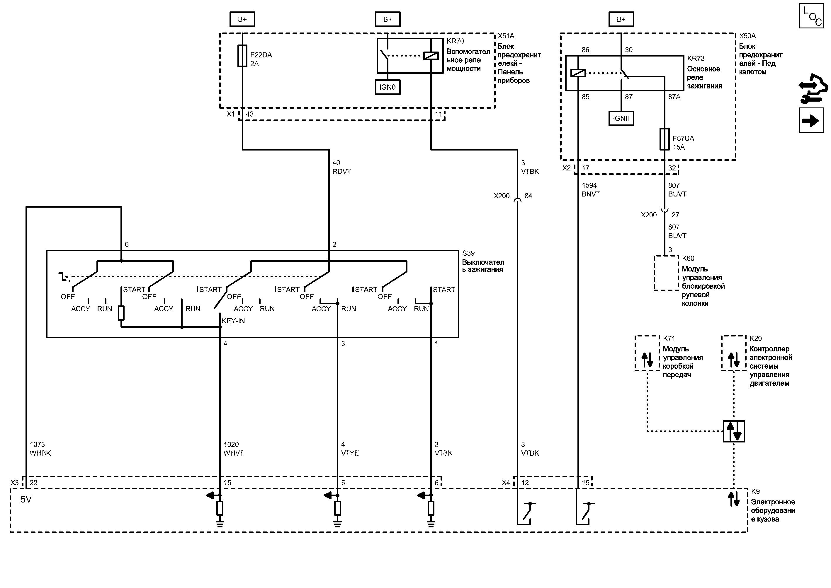
Выключатель зажигания (БЕЗ УПРАВЛЕНИЯ ЗАМКОМ ВХОДА, ДИСТАНЦИОННЫЙ ВХОД, РАСШИРЕННЫЙ ДИАПАЗОН, ПАССИВНЫЙ ВХОД)


            |                         |            
2203154RU.png


Display graphic

Display graphic

Компоненты
f22daПредохранительkr70Вспомогательное реле мощности
f57uaПредохранительkr73Основное реле зажигания
k9Электронное оборудование кузоваs39Выключатель зажигания
k20Контроллер электронной системы управления двигателемx50aБлок предохранителей - Под капотом
k60Модуль управления блокировкой рулевой колонкиx51aБлок предохранителекй - Панель приборов
k71Модуль управления коробкой передач
Разъемы
k9 (x3)Электронное оборудование кузова x3x51a (x1)Блок предохранителекй - Панель приборов x1
k9 (x4)Электронное оборудование кузова x4x200Жгут проводов кузова и жгут проводов панели приборов
x50a (x2)Блок предохранителей - Под капотом x2
Сокращения
b+Вывод b+ign0Выключатель зажигания - выкл.
fsdcФункциональный обмен последовательными даннымиigniiВыключатель зажигания - движение/запуск
Цветовые коды
bnvtКоричневый-ФиолетовыйvtyeФиолетовый-Желтый
buvtСиний-ФиолетовыйwhbkБелый-Черный
rdvtКрасный-ФиолетовыйwhvtБелый-Фиолетовый
vtbkФиолетовый-Черный
Вывод B+
43
F22DA Предохранитель

Электрическая схема Дерево Предохранители F14DA, F15DA, F16DA, F17DA, F21DA, F22DA, F23DA, F24DA и F25DA
Электрическая схема Питание Шина B+ IEC (1 из 3)
X1 Блок предохранителекй - Панель приборов X1
X3 Электронное оборудование кузова X3

Расположение деталей (узлов) Трехмерная схема жгутов
15
Напряжение зажигания
WHVT Белый-Фиолетовый
5
Напряжение зажигания
VTYE Фиолетовый-Желтый
3
4
1
6
Напряжение зажигания
VTBK Фиолетовый-Черный
2
6
Сигнал резистора ключа зажигания
WHBK Белый-Черный
22
Положительное напряжение аккумуляторной батареи
RDVT Красный-Фиолетовый
Напряжение зажигания
VTBK Фиолетовый-Черный
X200 Жгут проводов кузова и жгут проводов панели приборов

Расположение деталей (узлов) Трехмерная схема жгутов
Внешний вид разъема и ремонт Вилка
Внешний вид разъема и ремонт Гнездо
84
12
X4 Электронное оборудование кузова X4

Расположение деталей (узлов) Трехмерная схема жгутов
VTBK Фиолетовый-Черный
11
Функциональный обмен последовательными данными
85
86
87A
87
30
17
X2 Блок предохранителей - Под капотом X2

Внешний вид разъема и ремонт
Релейное управление зажиганием 3
BNVT Коричневый-Фиолетовый
15
X50A Блок предохранителей - Под капотом

Расположение деталей (узлов) Трехмерная схема жгутов
KR73 Основное реле зажигания
K71 Модуль управления коробкой передач

Расположение деталей (узлов) Трехмерная схема жгутов
K20 Контроллер электронной системы управления двигателем

Расположение деталей (узлов) Трехмерная схема жгутов СТРАНА - КОРЕЯ ДИЗЕЛЬНЫЙ ДВИГАТЕЛЬ, 4 ЦИЛ., L4, 2.0 Л, CRI, SOHC, ТУРБО, 110 кВт
Расположение деталей (узлов) Трехмерная схема жгутов ГАЗОВЫЙ ДВИГАТЕЛЬ, 4 ЦИЛ., 1.6 Л, MFI, DOHC, 80 кВт (GMDAT)
Расположение деталей (узлов) Трехмерная схема жгутов ДВИГАТЕЛЬ БЕНЗИНОВЫЙ, 4 ЦИЛ., 1.8 Л, MFI, 103 КВТ, DOHC ДВИГАТЕЛЬ БЕНЗИНОВЫЙ, 4 ЦИЛ., 1.6 Л, MFI, DOHC, PT-JV, РЕГУЛИРУЕМЫЕ ФАЗЫ РАСПРЕДВАЛОВ AFT, ДЕАКТИВИЗАЦИЯ ПОРТА ГАЗОВЫЙ ДВИГАТЕЛЬ, 4 ЦИЛ., 1.6 Л, MFI, DOHC, PT-JV, РАСПРЕДВАЛ С ИЗМЕНЯЕМЫМ ФАЗИРОВАНИЕМ, 82 кВт
KR70 Вспомогательное реле мощности
S39 Выключатель зажигания
K9 Электронное оборудование кузова

Расположение деталей (узлов) Трехмерная схема жгутов
X51A Блок предохранителекй - Панель приборов

Расположение деталей (узлов) Трехмерная схема жгутов
Опорный сигнал 5 вольт
Сигнал
Сигнал
Сигнал
Последовательные данные
Последовательные данные
Последовательные данные
Вывод B+
Вывод B+
Выключатель зажигания - выкл.
Выключатель зажигания - движение/запуск
Управление
F57UA Предохранитель

Электрическая схема Дерево Предохранители F5UA, F54UA и F57UA
Электрическая схема Питание Шина B+ UEC (1 из 6)
32
Напряжение питания вспомогательных устройств - ВЫКЛ
BUVT Синий-Фиолетовый
X200 Жгут проводов кузова и жгут проводов панели приборов

Расположение деталей (узлов) Трехмерная схема жгутов
Внешний вид разъема и ремонт Вилка
Внешний вид разъема и ремонт Гнездо
27
BUVT Синий-Фиолетовый
K60 Модуль управления блокировкой рулевой колонки

Внешний вид разъема и ремонт
3
Управление
Справочные данные по контроллерам

Справочные данные по контроллерам
Выключатель зажигания

Выключатель зажигания
Перечень основных электрических компонентов

Перечень основных электрических компонентов
   


https://vnx.su/ 🛠 Руководства по ремонту и эксплуатации для автомобилей

Поиск по сайту

Остались вопросы или пожелания? Пишите на почту: support@vnx.su

Карта Сайта