Cruze
   
GMDE Start Page Load static TOC Load dynamic TOC Help?
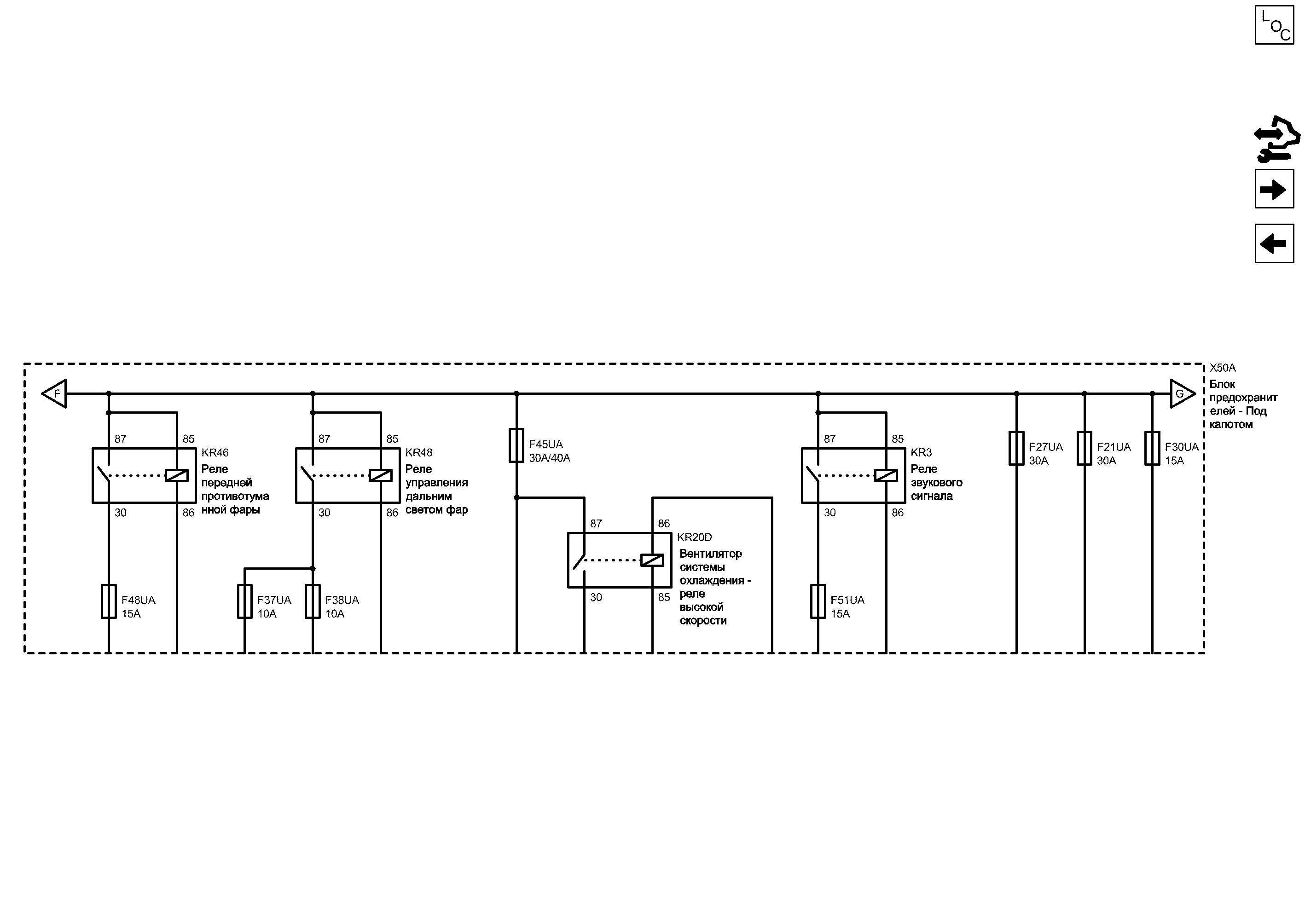
Шина b+ UEC (4 из 6)


            |                         |            
2203075RU.png


Display graphic

Display graphic

Компоненты
f21uaПредохранительf51uaПредохранитель
f27uaПредохранительkr3Реле звукового сигнала
f30uaПредохранительkr20dВентилятор системы охлаждения - реле высокой скорости
f37uaПредохранительkr46Реле передней противотуманной фары
f38uaПредохранительkr48Реле управления дальним светом фар
f45uaПредохранительx50aБлок предохранителей - Под капотом
f48uaПредохранитель
F

F
G

G
85
87
86
30
F48UA Предохранитель
F45UA Предохранитель
85
87
30
86
F38UA Предохранитель
F37UA Предохранитель
86
87
30
85
F30UA Предохранитель
F27UA Предохранитель
F21UA Предохранитель
F51UA Предохранитель
87
85
30
86
KR20D Вентилятор системы охлаждения - реле высокой скорости

Электрическая схема Охлаждение двигателя ГАЗОВЫЙ ДВИГАТЕЛЬ, 4 ЦИЛ., 1.6 Л, MFI, DOHC, 80 кВт (GMDAT) Контакт 30
Электрическая схема Охлаждение двигателя ГАЗОВЫЙ ДВИГАТЕЛЬ, 4 ЦИЛ., 1.6 Л, MFI, DOHC, 80 кВт (GMDAT) Контакт 85
Электрическая схема Охлаждение двигателя ГАЗОВЫЙ ДВИГАТЕЛЬ, 4 ЦИЛ., 1.6 Л, MFI, DOHC, 80 кВт (GMDAT) Контакт 86
Электрическая схема Охлаждение двигателя ГАЗОВЫЙ ДВИГАТЕЛЬ, 4 ЦИЛ., 1.6 Л, MFI, DOHC, 80 кВт (GMDAT) Контакт 87
Электрическая схема Охлаждение двигателя ДИЗЕЛЬНЫЙ ДВИГАТЕЛЬ, 4 ЦИЛ., L4, 2.0 Л, CRI, SOHC, ТУРБО, 110 кВт Контакт 30
Электрическая схема Охлаждение двигателя ДИЗЕЛЬНЫЙ ДВИГАТЕЛЬ, 4 ЦИЛ., L4, 2.0 Л, CRI, SOHC, ТУРБО, 110 кВт Контакт 85
Электрическая схема Охлаждение двигателя ДИЗЕЛЬНЫЙ ДВИГАТЕЛЬ, 4 ЦИЛ., L4, 2.0 Л, CRI, SOHC, ТУРБО, 110 кВт Контакт 86
Электрическая схема Охлаждение двигателя ДИЗЕЛЬНЫЙ ДВИГАТЕЛЬ, 4 ЦИЛ., L4, 2.0 Л, CRI, SOHC, ТУРБО, 110 кВт Контакт 87
Электрическая схема Охлаждение двигателя ДВИГАТЕЛЬ БЕНЗИНОВЫЙ, 4 ЦИЛ., 1.8 Л, MFI, 103 КВТ, DOHC ДВИГАТЕЛЬ БЕНЗИНОВЫЙ, 4 ЦИЛ., 1.6 Л, MFI, DOHC, PT-JV, РЕГУЛИРУЕМЫЕ ФАЗЫ РАСПРЕДВАЛОВ AFT, ДЕАКТИВИЗАЦИЯ ПОРТА ГАЗОВЫЙ ДВИГАТЕЛЬ, 4 ЦИЛ., 1.6 Л, MFI, DOHC, PT-JV, РАСПРЕДВАЛ С ИЗМЕНЯЕМЫМ ФАЗИРОВАНИЕМ, 82 кВт Контакт 30
Электрическая схема Охлаждение двигателя ДВИГАТЕЛЬ БЕНЗИНОВЫЙ, 4 ЦИЛ., 1.8 Л, MFI, 103 КВТ, DOHC ДВИГАТЕЛЬ БЕНЗИНОВЫЙ, 4 ЦИЛ., 1.6 Л, MFI, DOHC, PT-JV, РЕГУЛИРУЕМЫЕ ФАЗЫ РАСПРЕДВАЛОВ AFT, ДЕАКТИВИЗАЦИЯ ПОРТА ГАЗОВЫЙ ДВИГАТЕЛЬ, 4 ЦИЛ., 1.6 Л, MFI, DOHC, PT-JV, РАСПРЕДВАЛ С ИЗМЕНЯЕМЫМ ФАЗИРОВАНИЕМ, 82 кВт Контакт 85
Электрическая схема Охлаждение двигателя ДВИГАТЕЛЬ БЕНЗИНОВЫЙ, 4 ЦИЛ., 1.8 Л, MFI, 103 КВТ, DOHC ДВИГАТЕЛЬ БЕНЗИНОВЫЙ, 4 ЦИЛ., 1.6 Л, MFI, DOHC, PT-JV, РЕГУЛИРУЕМЫЕ ФАЗЫ РАСПРЕДВАЛОВ AFT, ДЕАКТИВИЗАЦИЯ ПОРТА ГАЗОВЫЙ ДВИГАТЕЛЬ, 4 ЦИЛ., 1.6 Л, MFI, DOHC, PT-JV, РАСПРЕДВАЛ С ИЗМЕНЯЕМЫМ ФАЗИРОВАНИЕМ, 82 кВт Контакт 86
Электрическая схема Охлаждение двигателя ДВИГАТЕЛЬ БЕНЗИНОВЫЙ, 4 ЦИЛ., 1.8 Л, MFI, 103 КВТ, DOHC ДВИГАТЕЛЬ БЕНЗИНОВЫЙ, 4 ЦИЛ., 1.6 Л, MFI, DOHC, PT-JV, РЕГУЛИРУЕМЫЕ ФАЗЫ РАСПРЕДВАЛОВ AFT, ДЕАКТИВИЗАЦИЯ ПОРТА ГАЗОВЫЙ ДВИГАТЕЛЬ, 4 ЦИЛ., 1.6 Л, MFI, DOHC, PT-JV, РАСПРЕДВАЛ С ИЗМЕНЯЕМЫМ ФАЗИРОВАНИЕМ, 82 кВт Контакт 87
KR48 Реле управления дальним светом фар

Электрическая схема Фары Контакт 30
Электрическая схема Фары Контакт 85
Электрическая схема Фары Контакт 86
Электрическая схема Фары Контакт 87
KR46 Реле передней противотуманной фары

Электрическая схема Передние противотуманные фары Контакт 30
Электрическая схема Передние противотуманные фары Контакт 85
Электрическая схема Передние противотуманные фары Контакт 86
Электрическая схема Передние противотуманные фары Контакт 87
KR3 Реле звукового сигнала

Электрическая схема Звуковой сигнал Контакт 30
Электрическая схема Звуковой сигнал Контакт 85
Электрическая схема Звуковой сигнал Контакт 86
Электрическая схема Звуковой сигнал Контакт 87
X50A Блок предохранителей - Под капотом

Расположение деталей (узлов) Трехмерная схема жгутов
Шина B+ UEC (3 из 6)

Шина B+ UEC (3 из 6)
Справочные данные по контроллерам

Справочные данные по контроллерам
Шина B+ UEC (5 из 6)

Шина B+ UEC (5 из 6)
Перечень основных электрических компонентов

Перечень основных электрических компонентов
   


https://vnx.su/ 🛠 Руководства по ремонту и эксплуатации для автомобилей

Поиск по сайту

Остались вопросы или пожелания? Пишите на почту: support@vnx.su

Карта Сайта