Orlando |
||||||||
|
|
|
|||||||

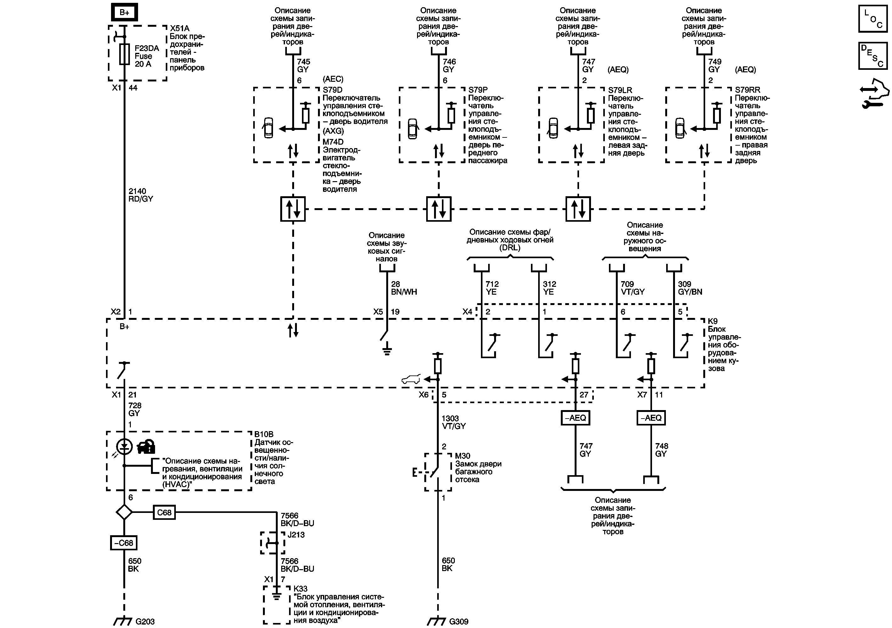
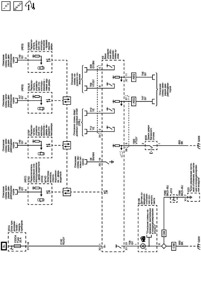
Предохранители F14DA, F15DA, F17DA, F21DA, F23DA, F24DA и F25DA
Door Lock, Headlamp, I/P Accent Lamp, Shift Lever, Steering Wheel, Traction Control
Door Lock, Headlamp, I/P Accent Lamp, Shift Lever, Steering Wheel, Traction Control
| © copyright chevrolet. All rights reserved |