To the top of the document
Orlando
   
GMDE Start Page Load static TOC Load dynamic TOC Help?

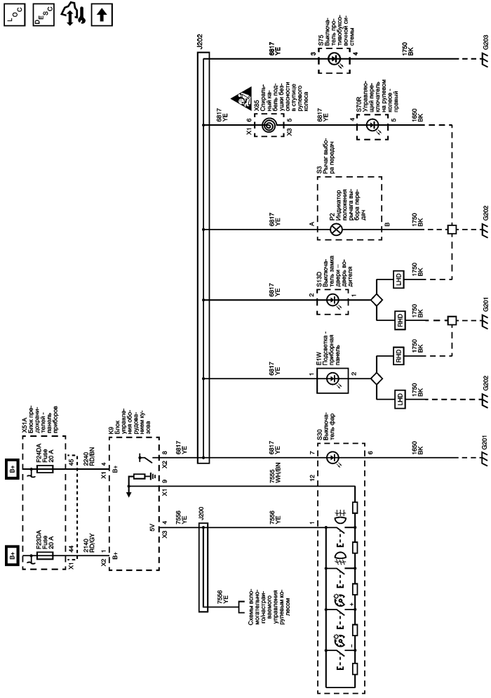
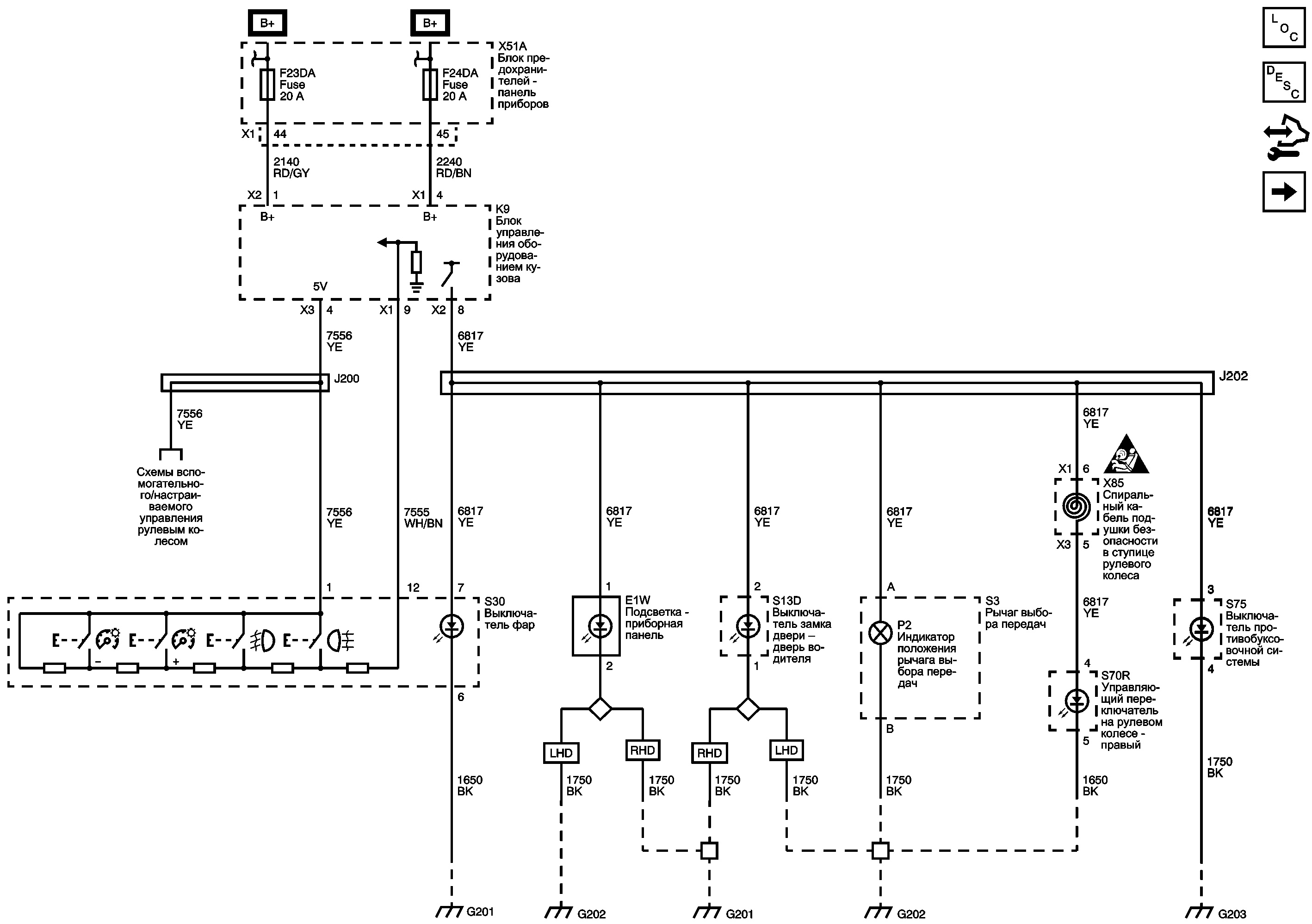
Замок двери, фара, лампа подсветки приборной панели, рычаг переключения передач, рулевое колесо, контроль тягового усилия


          
            |                         |            
2563892RU.png

Display graphic

Наружное зеркало заднего вида, стекло пассажирской двери, потолочный люк

Предохранители F14DA, F15DA, F17DA, F21DA, F23DA, F24DA и F25DA

G202

G120, G121, G122 и G201

G202

G203 и G301

   


© copyright chevrolet. All rights reserved