To the top of the document
Orlando
   
GMDE Start Page Load static TOC Load dynamic TOC Help?

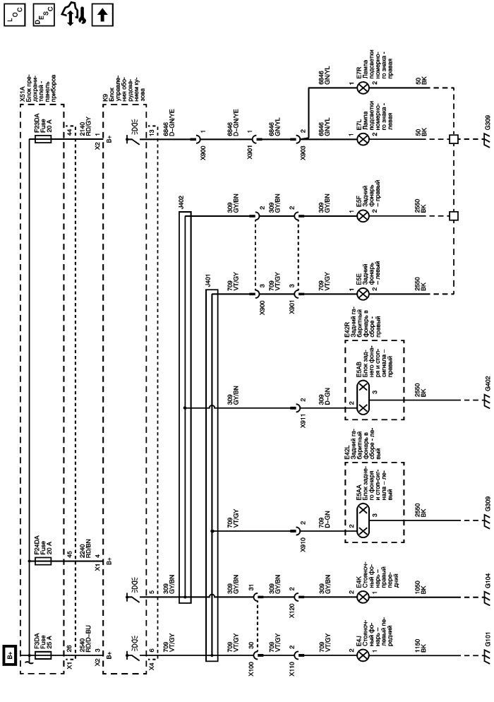
Лампы освещения номерного знака и стояночных фонарей


          
            |                         |            
2563860RU.png

Display graphic

Указатели поворота

Предохранители F3DA, F8DA, F9DA, F10DA, F11DA, F16DA, F3UD и F6UD

Предохранители F14DA, F15DA, F17DA, F21DA, F23DA, F24DA и F25DA

G100, G101, and G102

G103, G104 и G105

G309

G402

G309

   


© copyright chevrolet. All rights reserved