To the top of the document
Orlando
   
GMDE Start Page Load static TOC Load dynamic TOC Help?

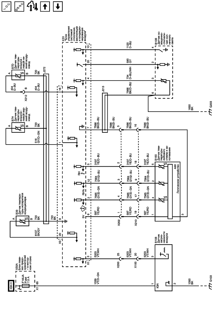
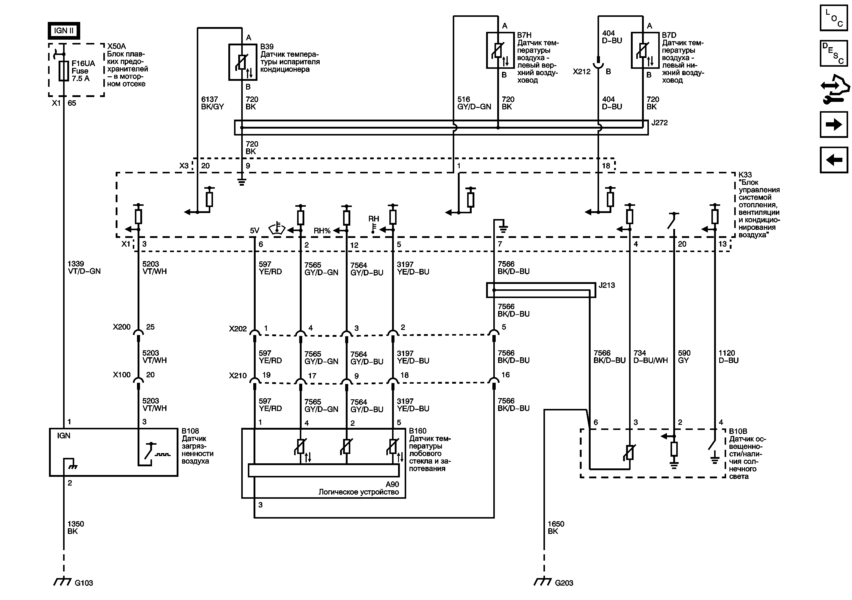
Датчики температуры


          
            |                         |            
2564555RU.png

Display graphic

Вспомогательный обогреватель (C32)

Органы управления компрессором

Предохранители F16UA, F17UA, F18UA, F52UA, F54UA и F57UA

G103, G104 и G105

G203 и G301

   


© copyright chevrolet. All rights reserved