Orlando |
||||||||
|
|
|
|||||||

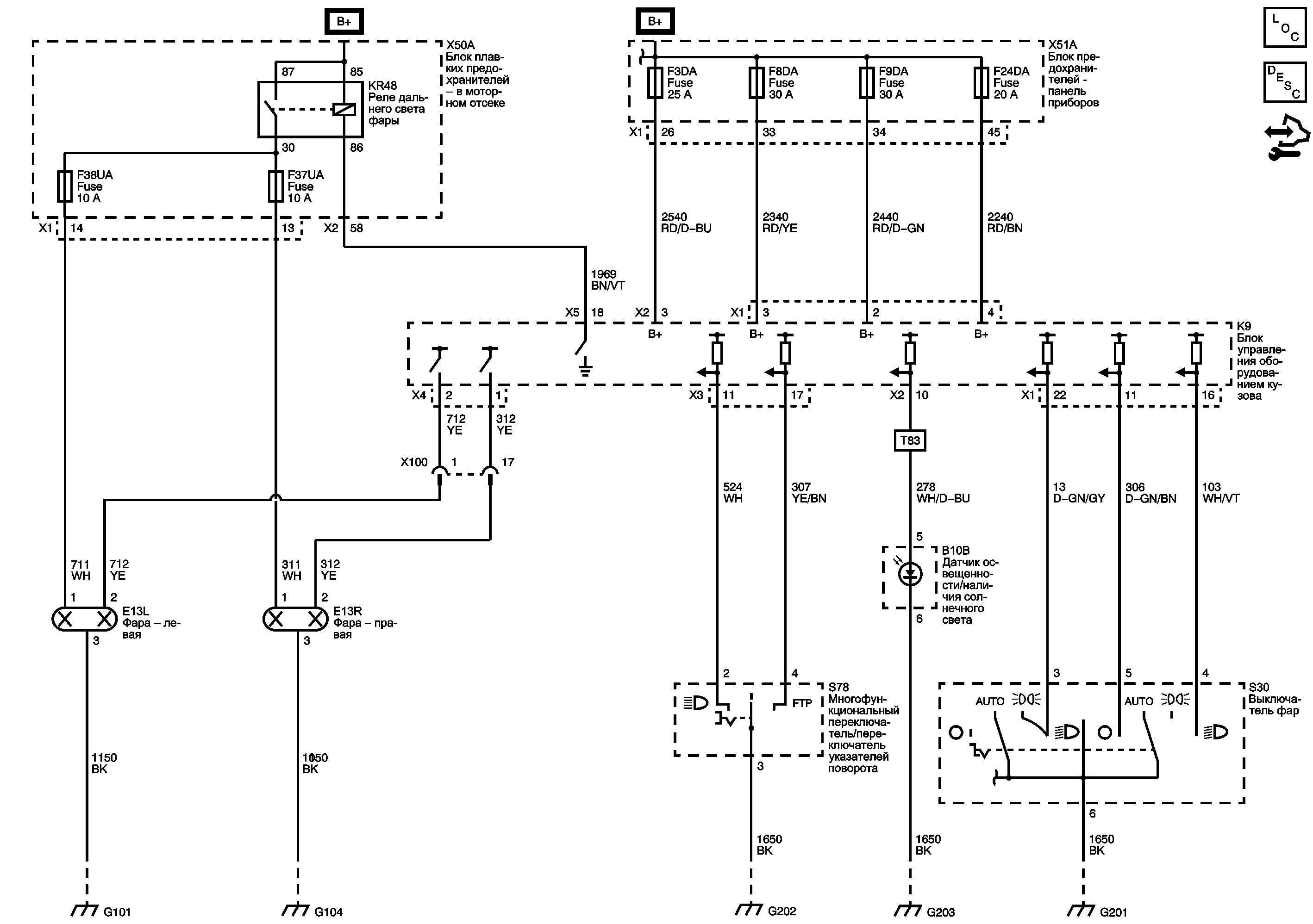
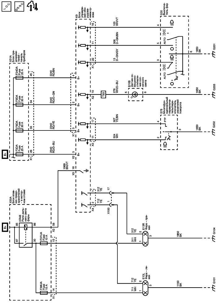
Предохранители F28UA, F30UA, F37UA, F51UA, F56UA и F60UA
Предохранители F3DA, F8DA, F9DA, F10DA, F11DA, F16DA, F3UD и F6UD
Предохранители F14DA, F15DA, F17DA, F21DA, F23DA, F24DA и F25DA
| © copyright chevrolet. All rights reserved |