To the top of the document
Orlando
   
GMDE Start Page Load static TOC Load dynamic TOC Help?

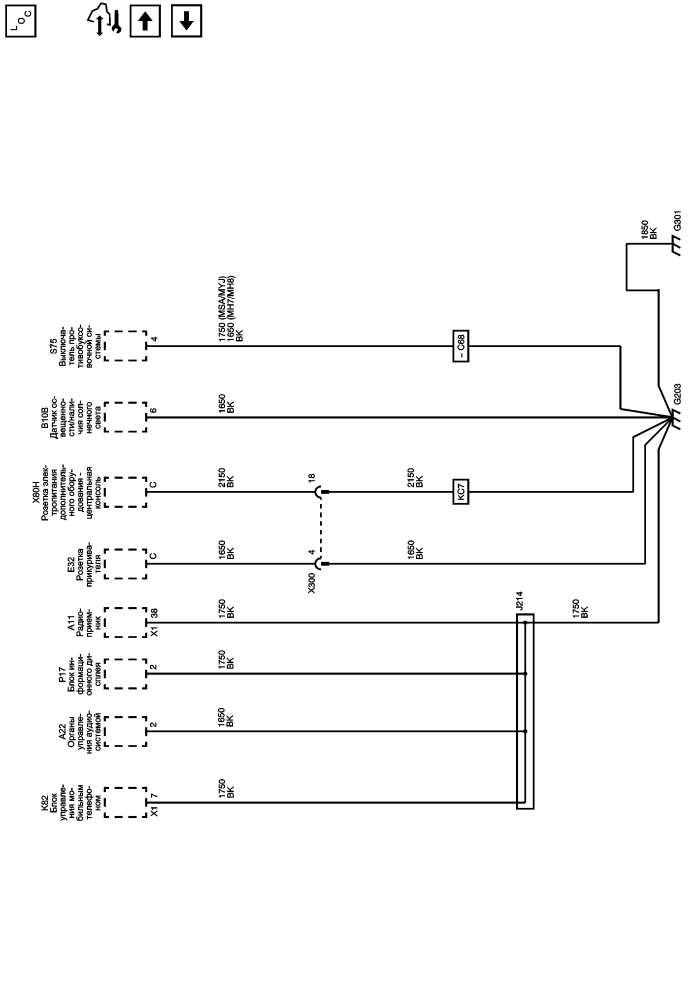
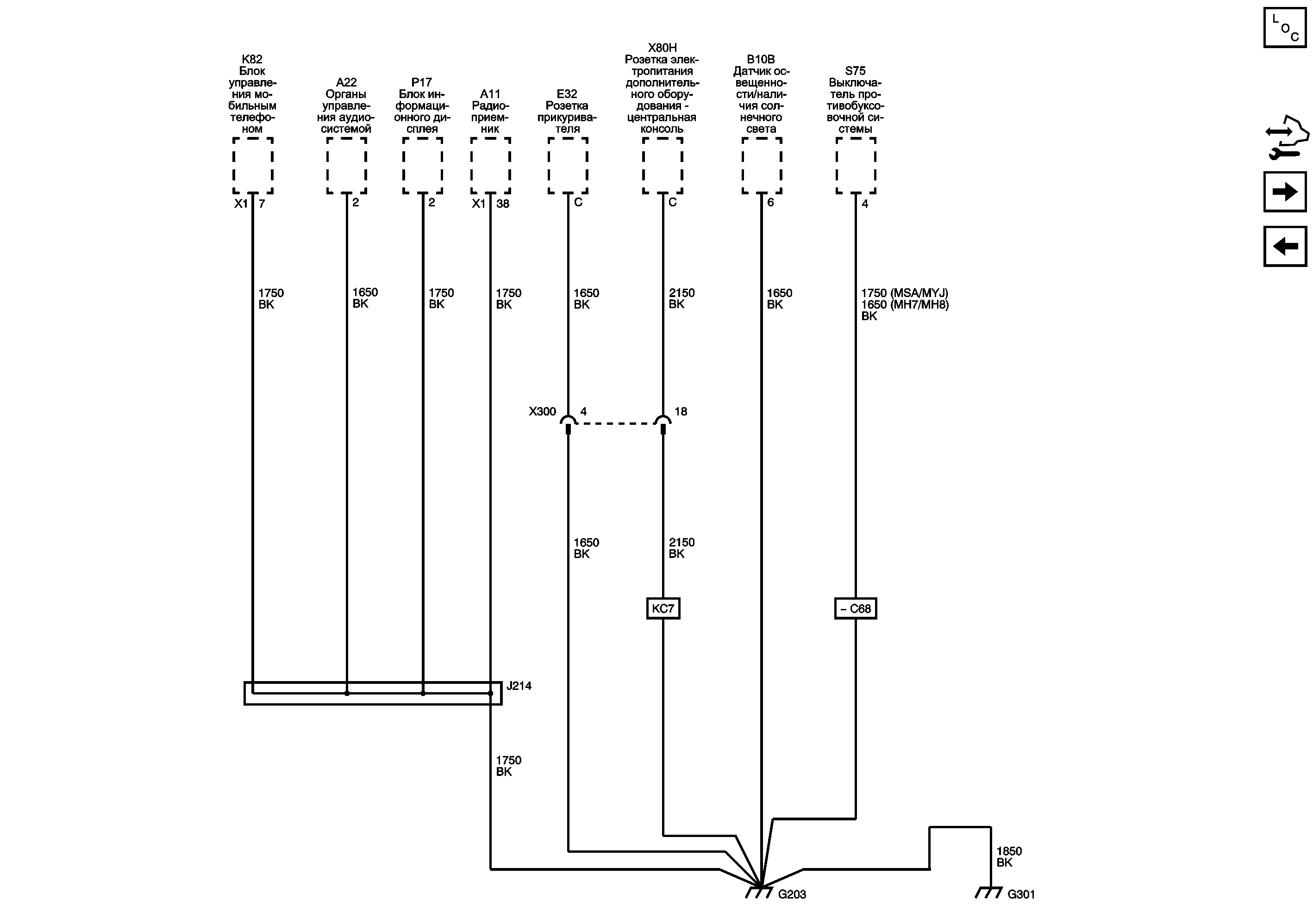
g203 и g301


          
            |                         |            
2564920RU.png

Display graphic

G204 и G305

G202

   


© copyright chevrolet. All rights reserved