To the top of the document
Orlando
   
GMDE Start Page Load static TOC Load dynamic TOC Help?

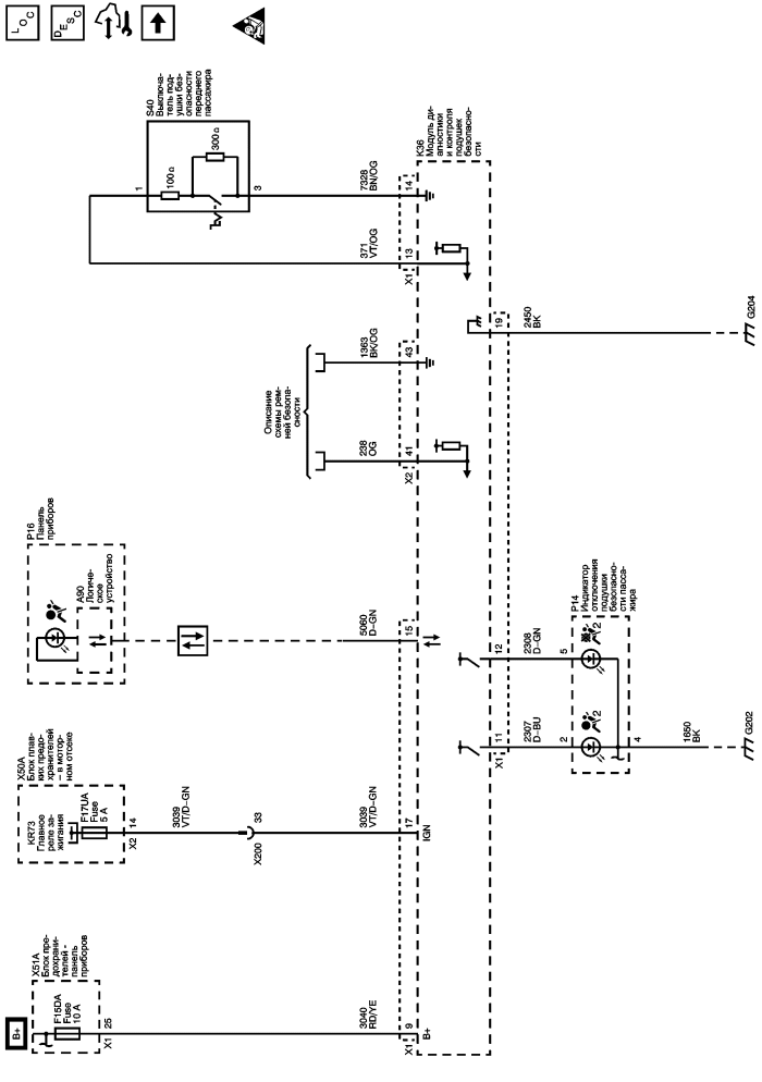
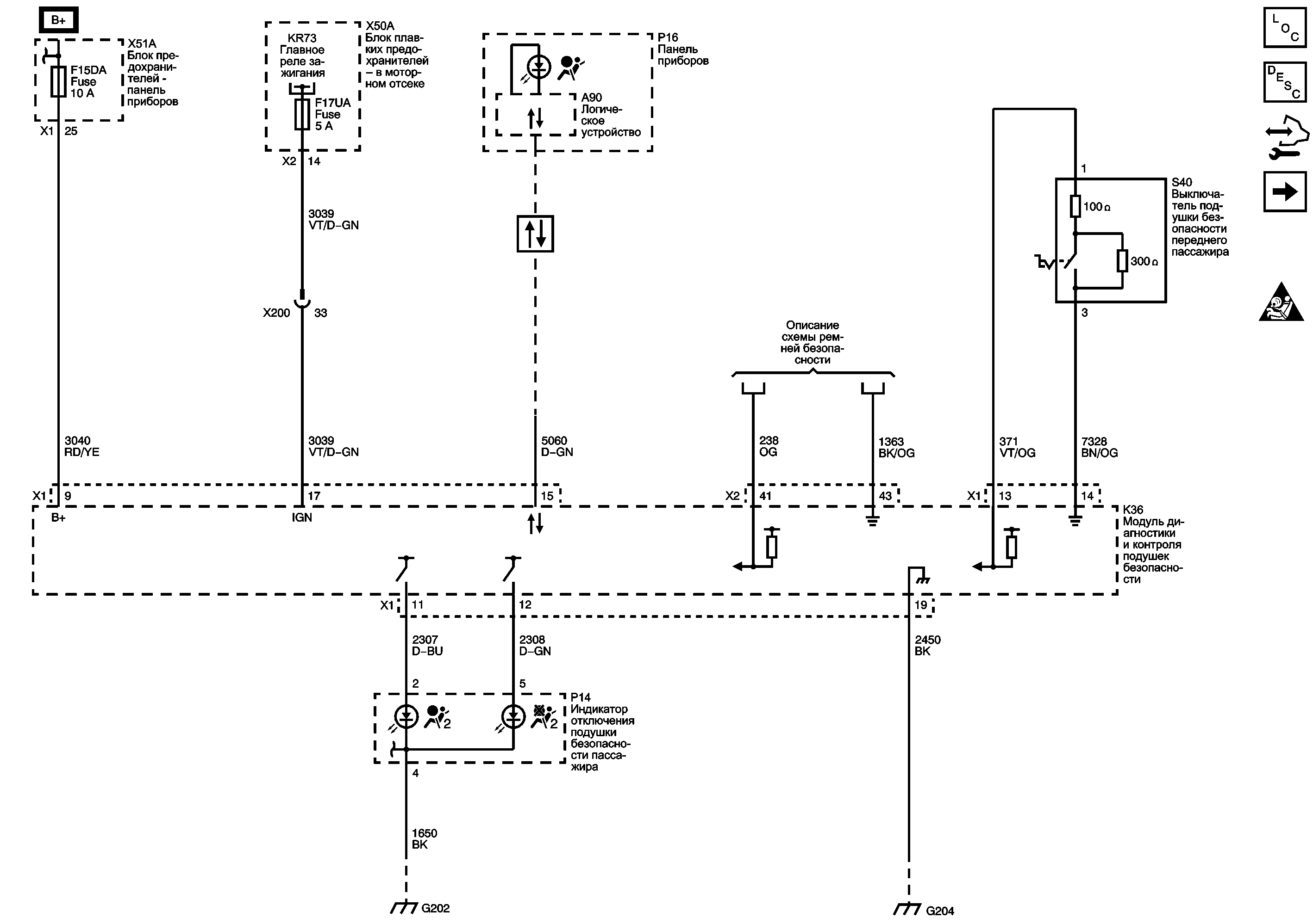
Питание модуля, масса и отключение надувной подушки безопасности


          
            |                         |            
2565220RU.png

Display graphic

Передние надувные подушки безопасности, датчик лобового столкновения, предварительные натяжители ремней безопасности сидений

Предохранители F14DA, F15DA, F17DA, F21DA, F23DA, F24DA и F25DA

Ignition Main Relay

Предохранители F16UA, F17UA, F18UA, F52UA, F54UA и F57UA

Seat Belt Switches and Indicators

G204 и G305

   


© copyright chevrolet. All rights reserved