To the top of the document
Orlando
   
GMDE Start Page Load static TOC Load dynamic TOC Help?

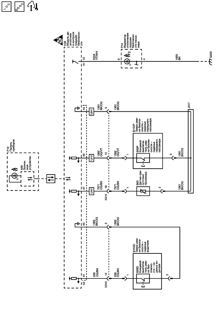
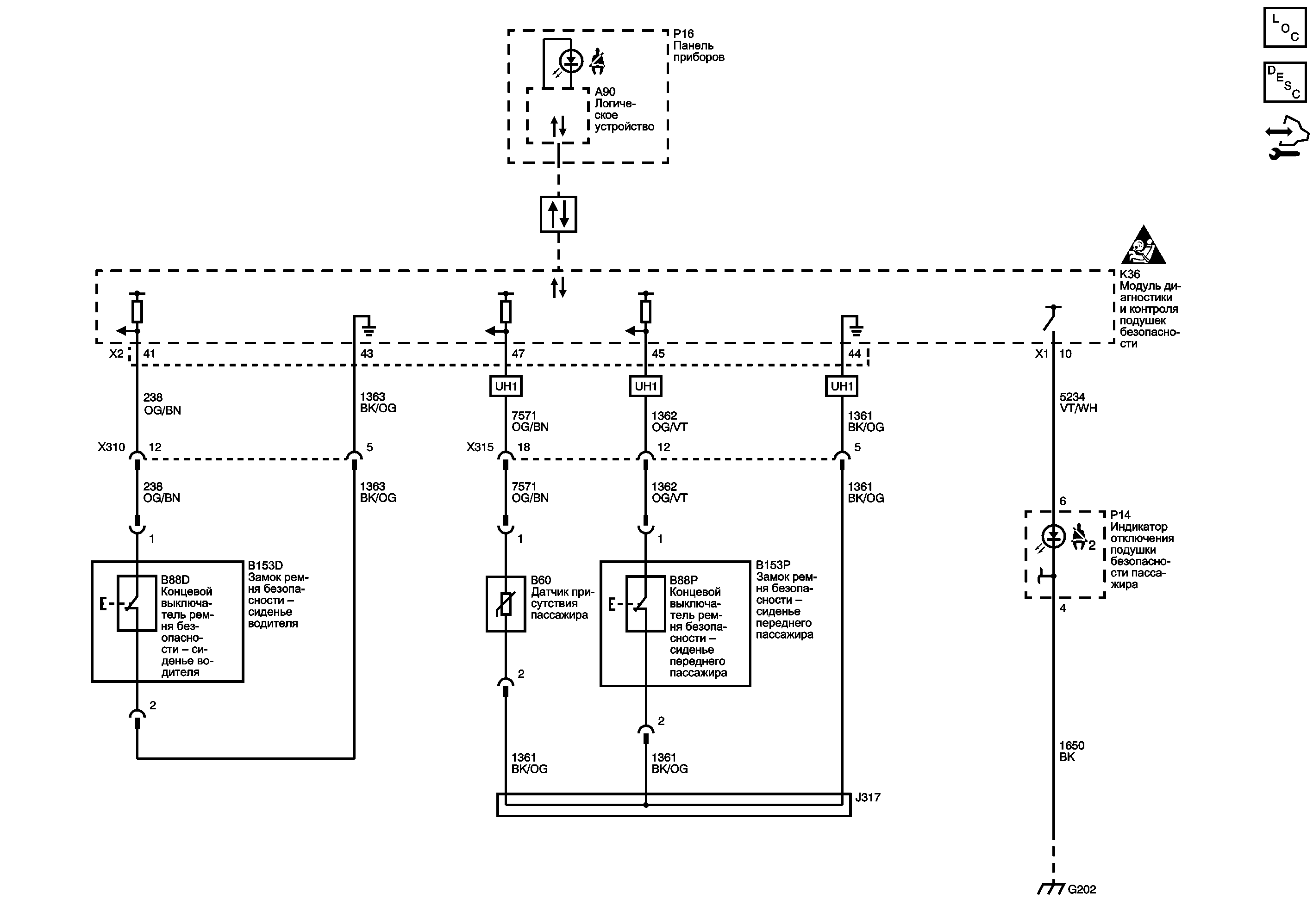
Выключатели ремней безопасности сиденья и индикаторы


          
            |                         |            
2565206RU.png

Display graphic

G120, G121, G122 и G201

G202

   


© copyright chevrolet. All rights reserved