To the top of the document
Orlando
   
GMDE Start Page Load static TOC Load dynamic TOC Help?

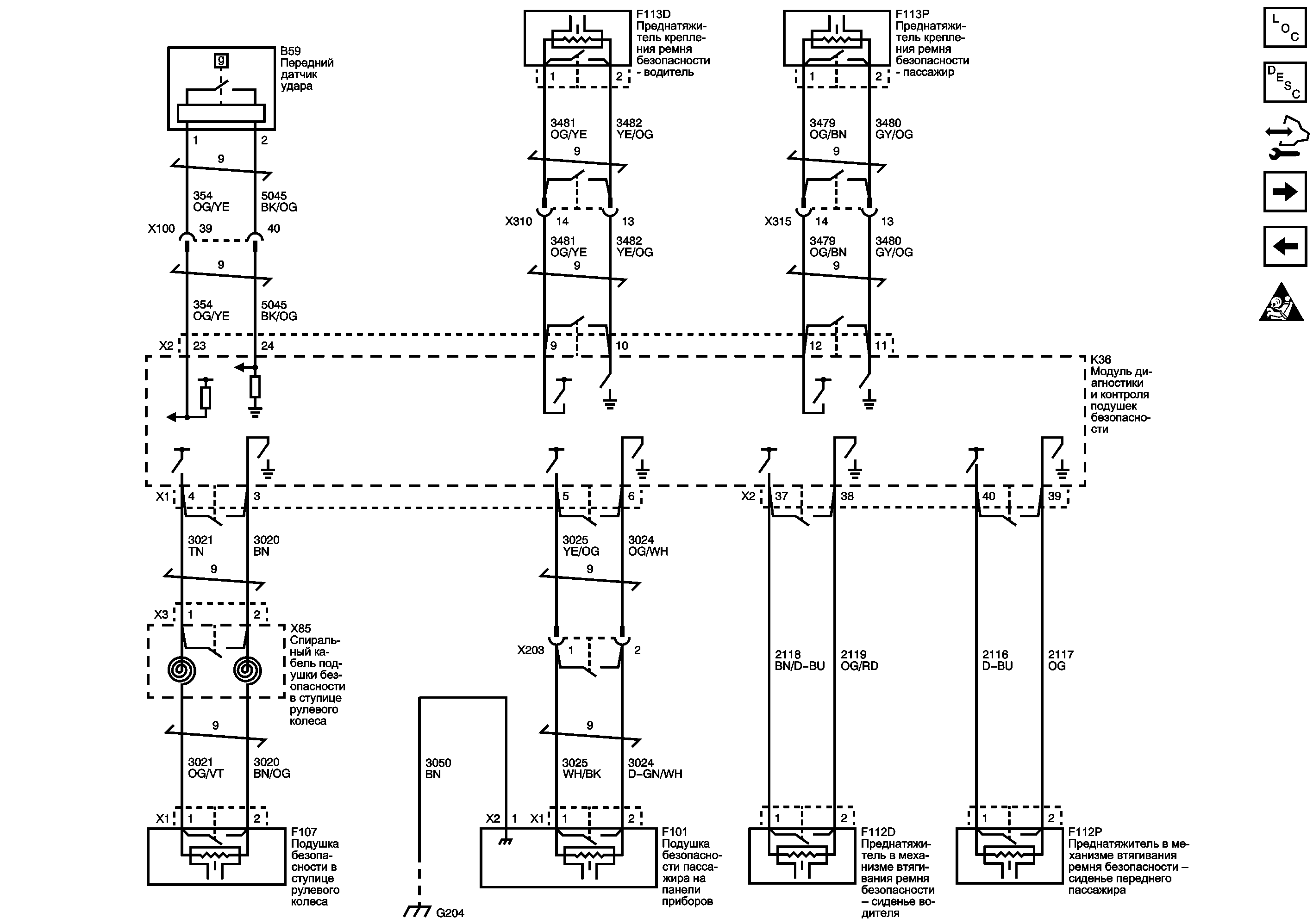
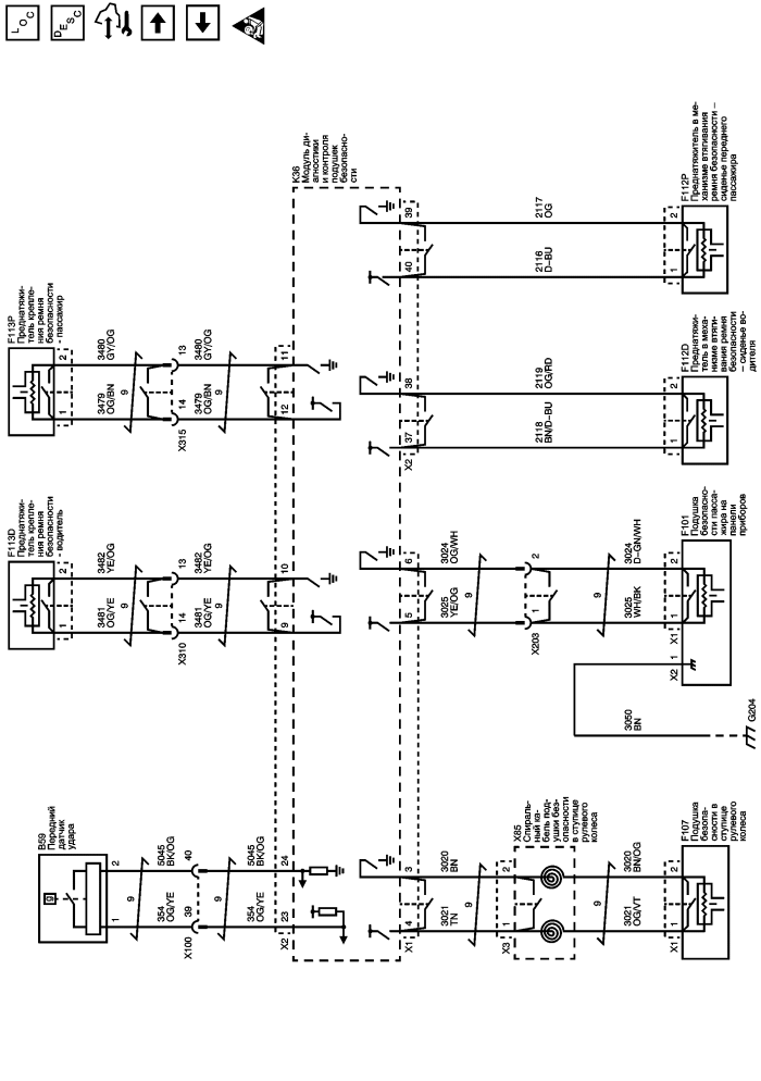
Передние надувные подушки безопасности, датчик лобового столкновения, предварительные натяжители ремней безопасности сидений


          
            |                         |            
2565222RU.png

Display graphic

Датчики бокового столкновения, боковые надувные подушки безопасности и подушки безопасности на крыше (AYC)

Module Power, Ground, and Air Bag Disable

G204 и G305

   


© copyright chevrolet. All rights reserved