Orlando |
||||||||
|
|
|
|||||||

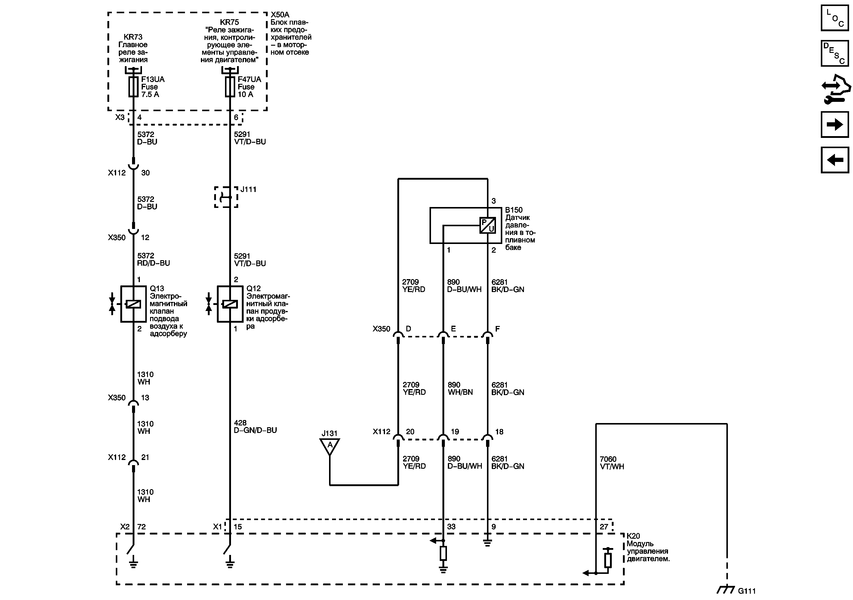
Контролируемые/отслеживаемые обращения к подсистеме
Органы управления топливом - топливные форсунки и топливный насос
Предохранители F5UA, F13UA и F53UA
Предохранители F47UA, F59UA и F62UA
Датчики параметров работы двигателя - органы управления давлением и температурой
| © copyright chevrolet. All rights reserved |