To the top of the document
Orlando
   
GMDE Start Page Load static TOC Load dynamic TOC Help?

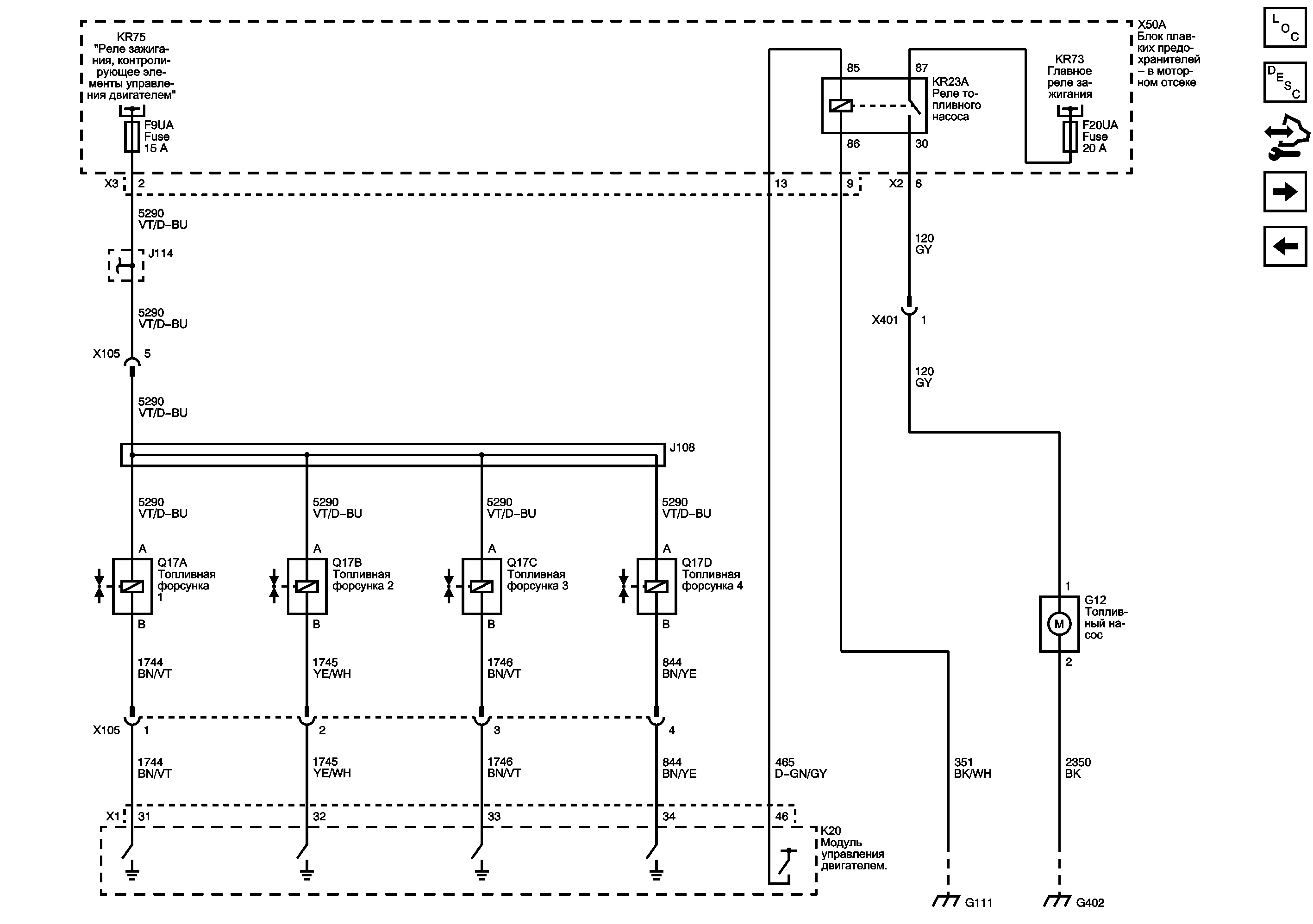
Органы управления топливом- топливные форсунки и топливный насос


          
            |                         |            
2564388RU.png

Display graphic

Регуляторы топлива - Регуляторы системы улавливания паров бензина и датчик давления

Органы управления зажиганием - распредвал, коленвал и датчики детонации, исполнительные устройства регулировки распределительного вала

Ссылки на подсистемы

Предохранители F10UA и F11UA

Ignition Main Relay

B+ Bus (2 of 3)

G110 (2H0) и G112

   


© copyright chevrolet. All rights reserved