Orlando |
||||||||
|
|
|
|||||||

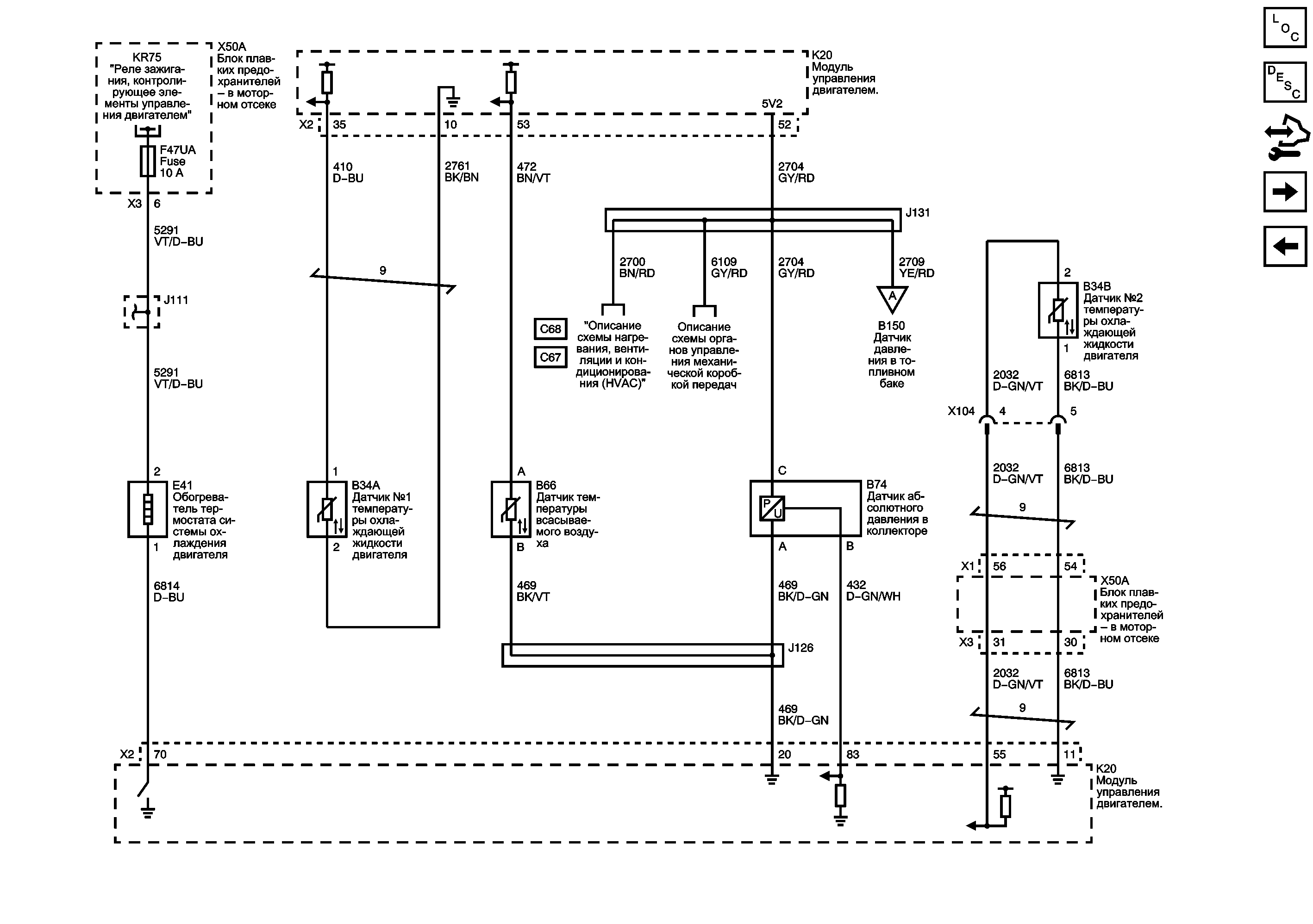
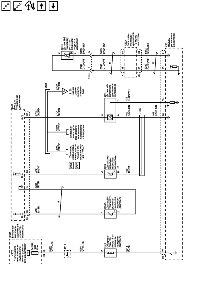
Датчики данных двигателя - средства управления дроссельной заслонкой
Шина 5 В и шина низкого опорного сигнала (2 из 2)
Предохранители F47UA, F59UA и F62UA
Органы управления компрессором
Регуляторы топлива - Регуляторы системы улавливания паров бензина и датчик давления
| © copyright chevrolet. All rights reserved |