To the top of the document
Orlando
   
GMDE Start Page Load static TOC Load dynamic TOC Help?

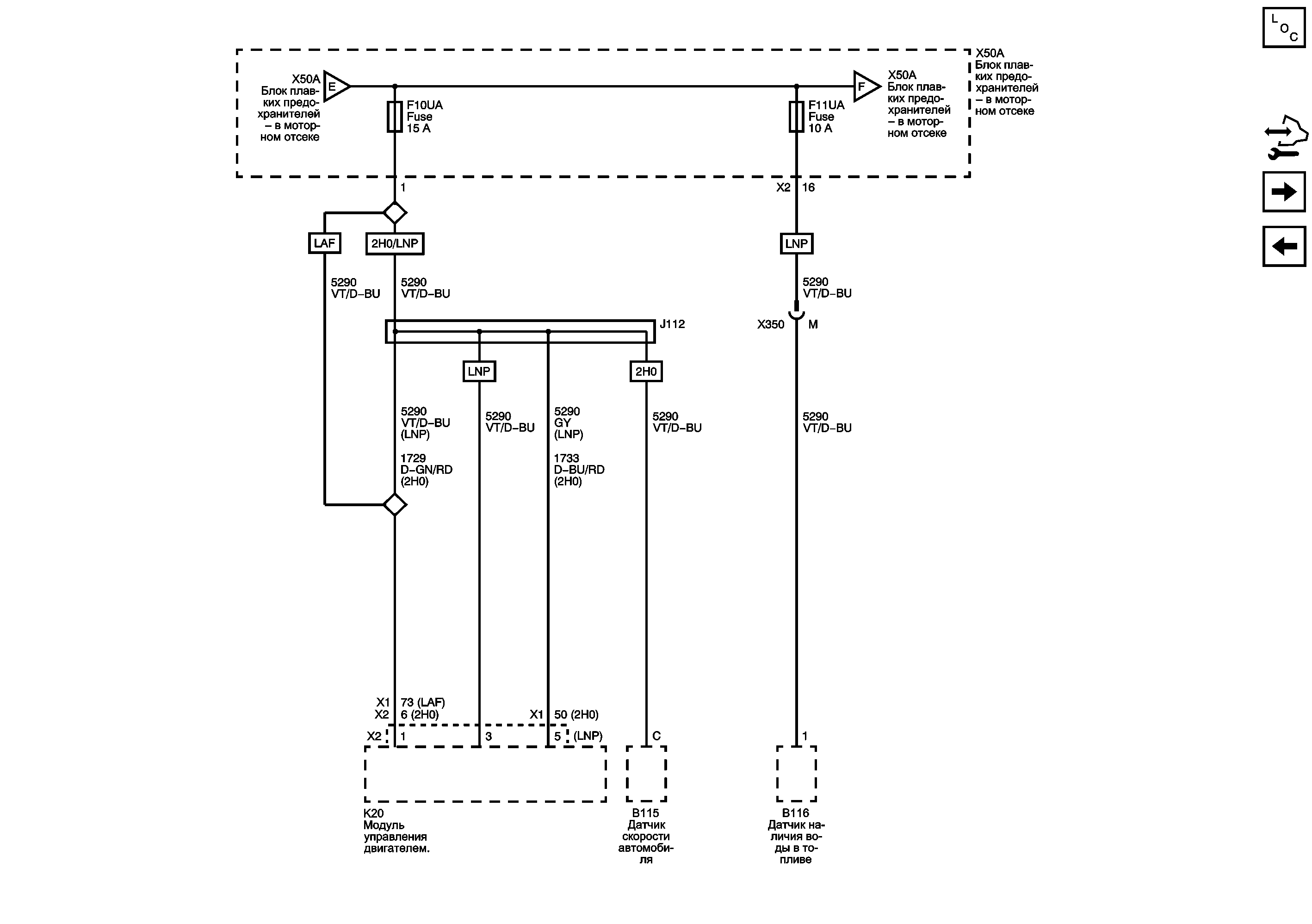
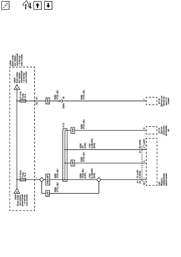
Предохранители f10ua и f11ua


          
            |                         |            
2581354RU.png

Display graphic

   


© copyright chevrolet. All rights reserved