To the top of the document
Orlando
   
GMDE Start Page Load static TOC Load dynamic TOC Help?

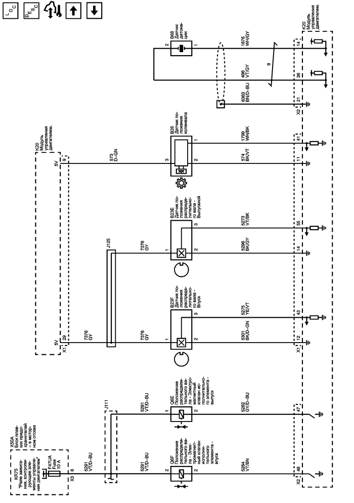
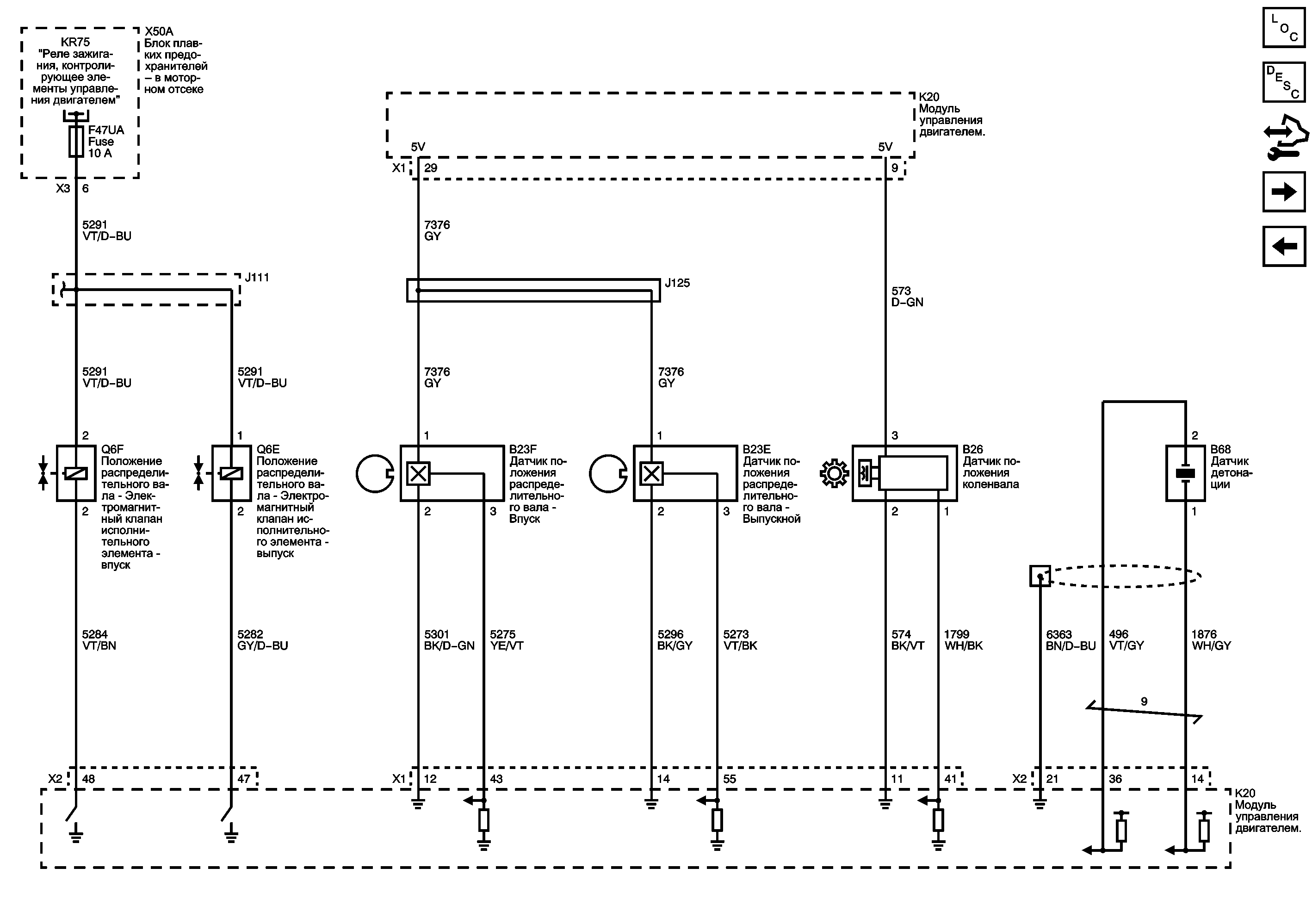
Органы управления зажиганием- распредвал, коленвал и датчики детонации, исполнительные устройства регулировки распределительного вала


          
            |                         |            
2564351RU.png

Display graphic

Органы управления топливом - топливные форсунки и топливный насос

Датчики кислорода и система зажигания

Ссылки на подсистемы

Предохранители F47UA, F59UA и F62UA

   


© copyright chevrolet. All rights reserved