To the top of the document
Orlando
   
GMDE Start Page Load static TOC Load dynamic TOC Help?

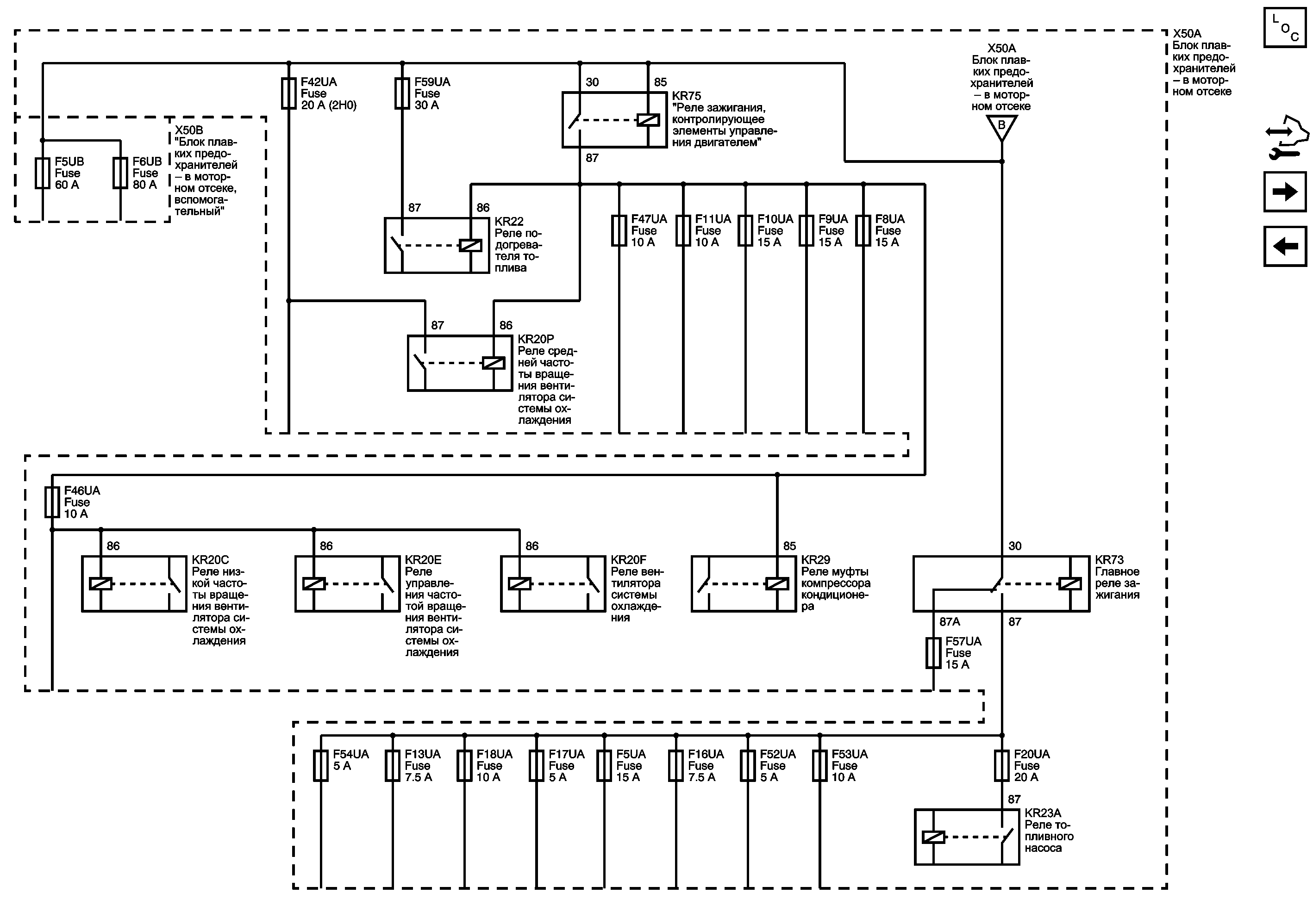
Шина b+ (2 из 3)


          
            |                         |            
2564677RU.png

Display graphic

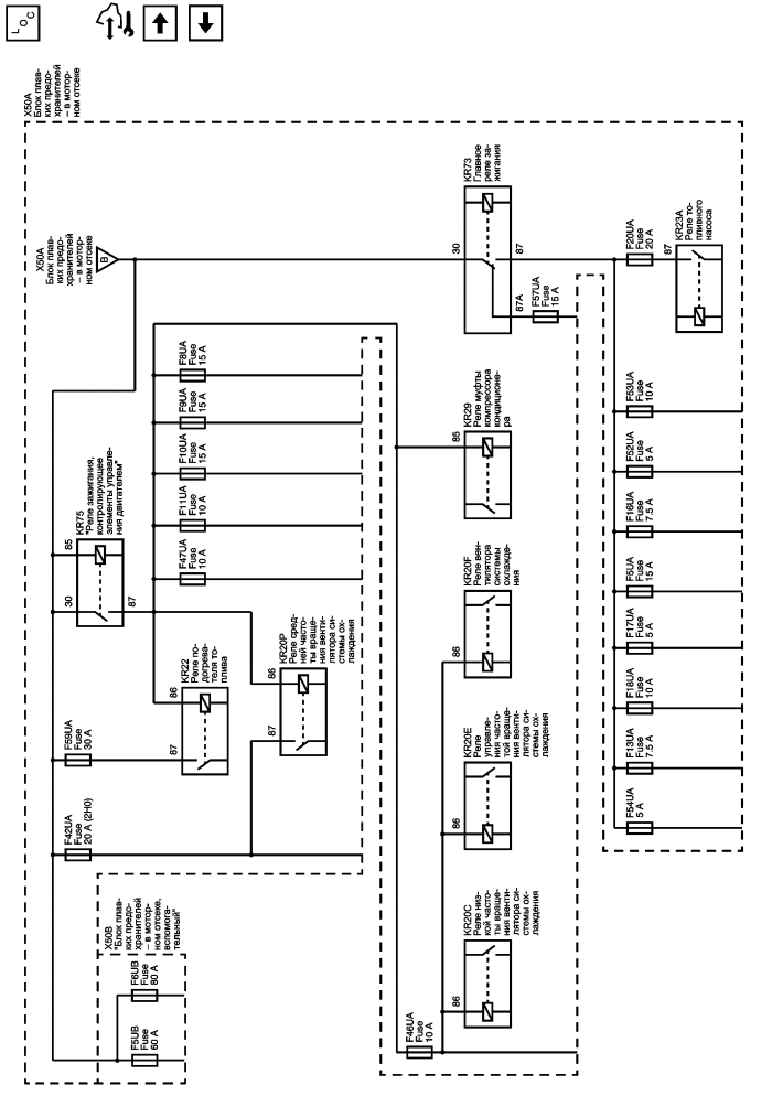
B+ Bus (3 of 3)

B+ Bus (1 of 3)

B+ Bus (1 of 3)

   


© copyright chevrolet. All rights reserved