Orlando |
||||||||
|
|
|
|||||||

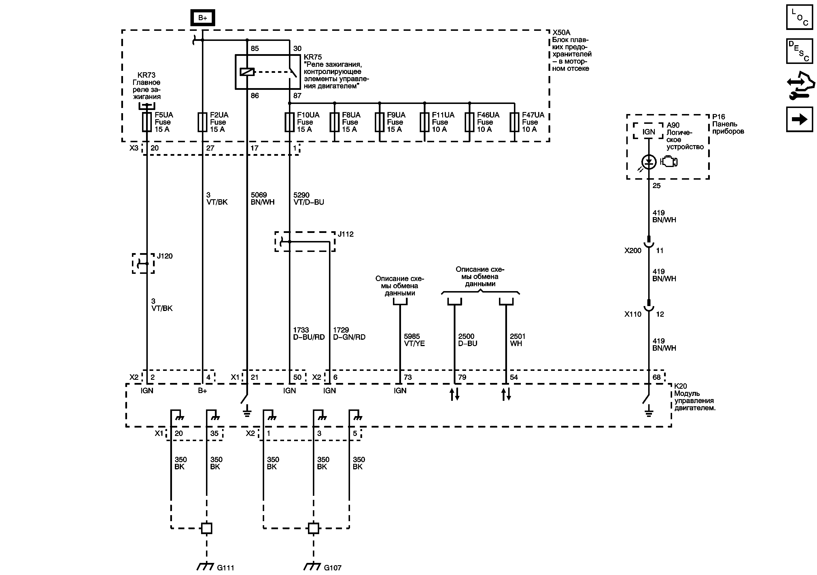
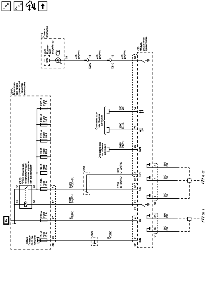
12 В, 5 В и шина низкого опорного напряжения (1 из 2)
Предохранители F5UA, F13UA и F53UA
Предохранители F2UA, F21UA, F27UA, F31UA, F32UA, F34UA, F35UA, F69UA и F70UA
Предохранители F47UA, F59UA и F62UA
| © copyright chevrolet. All rights reserved |