To the top of the document
Orlando
   
GMDE Start Page Load static TOC Load dynamic TOC Help?

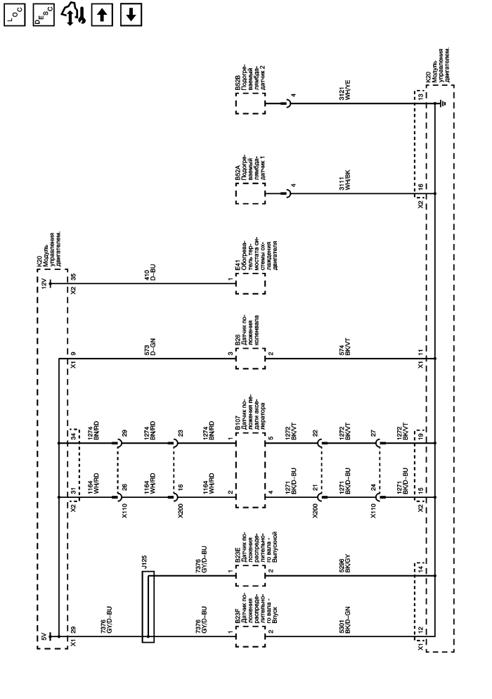
12 В, 5 В и шина низкого опорного напряжения (1 из 2)


          
            |                         |            
2564319RU.png

Display graphic

Шина 5 В и шина низкого опорного сигнала (2 из 2)

Ссылки на подсистемы

   


© copyright chevrolet. All rights reserved