To the top of the document
Orlando
   
GMDE Start Page Load static TOC Load dynamic TOC Help?

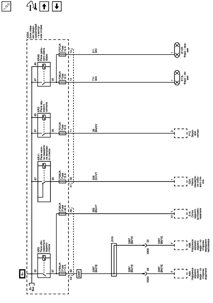
Предохранители f28ua, f30ua, f37ua, f51ua, f56ua и f60ua


          
            |                         |            
2564858RU.png

Display graphic

Предохранители F1DA, F4DA, F5DA, F6DA и F7DA

Предохранители F5UA, F13UA и F53UA

   


© copyright chevrolet. All rights reserved