Orlando |
||||||||
|
|
|
|||||||

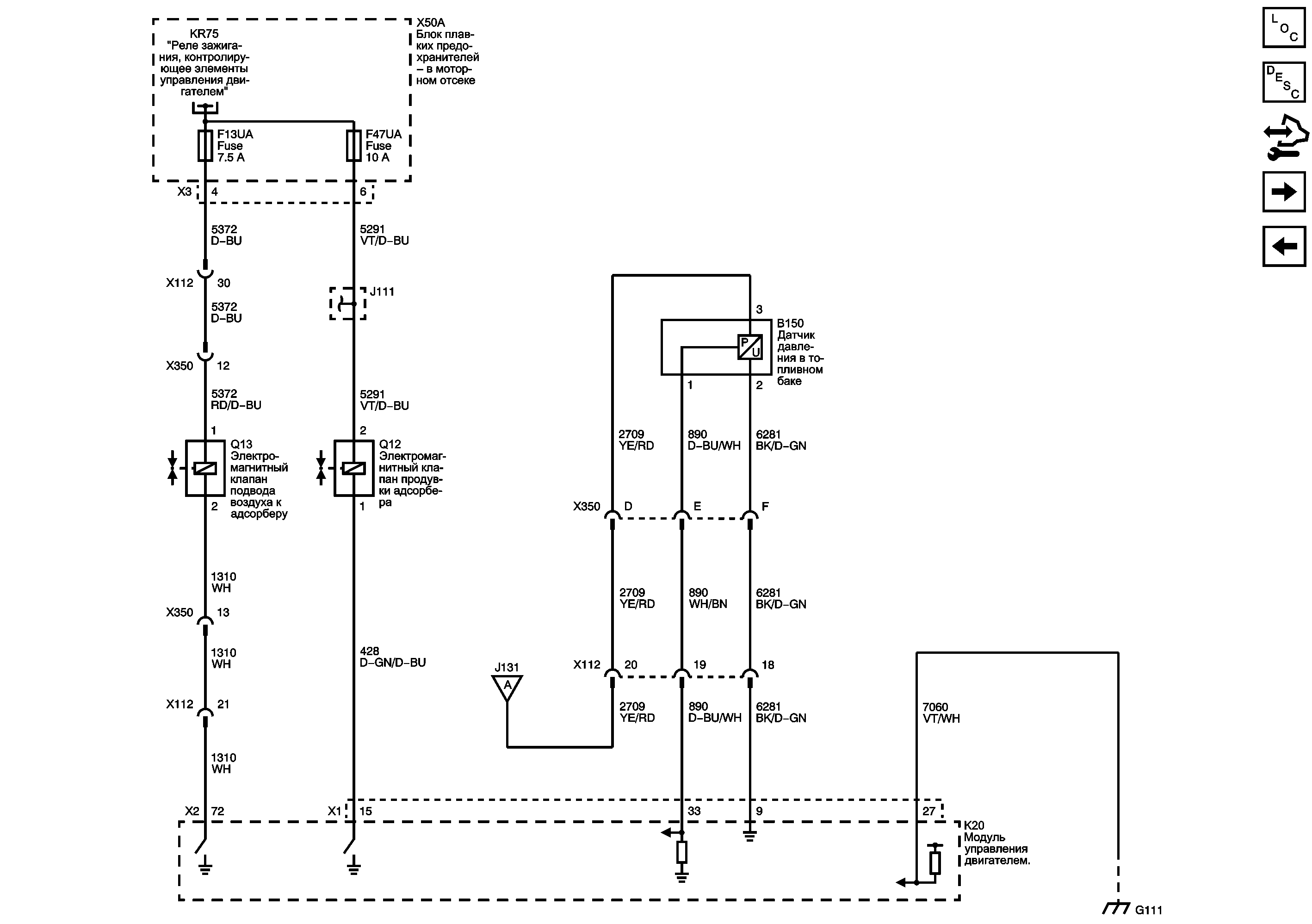
Список электрических компонентов управления
Описание системы отвода паров топлива
Модуль управления Справочные сведения
Контролируемые/отслеживаемые обращения к подсистеме
Органы управления топливом - топливные форсунки и топливный насос
Предохранители F5UA, F13UA и F53UA
Питание, масса, последовательные данные и лампа индикатора неисправности (MIL)
Предохранители F47UA, F59UA и F62UA
Датчики параметров работы двигателя - органы управления давлением и температурой
| https://vnx.su/ 🛠 Руководства по ремонту и эксплуатации для автомобилей |
| https://vnx.su/ 🛠 Руководства по ремонту и эксплуатации для автомобилей |