Orlando |
||||||||
|
|
|
|||||||

Список электрических компонентов управления
Модуль управления Справочные сведения
Датчики данных двигателя - средства управления дроссельной заслонкой
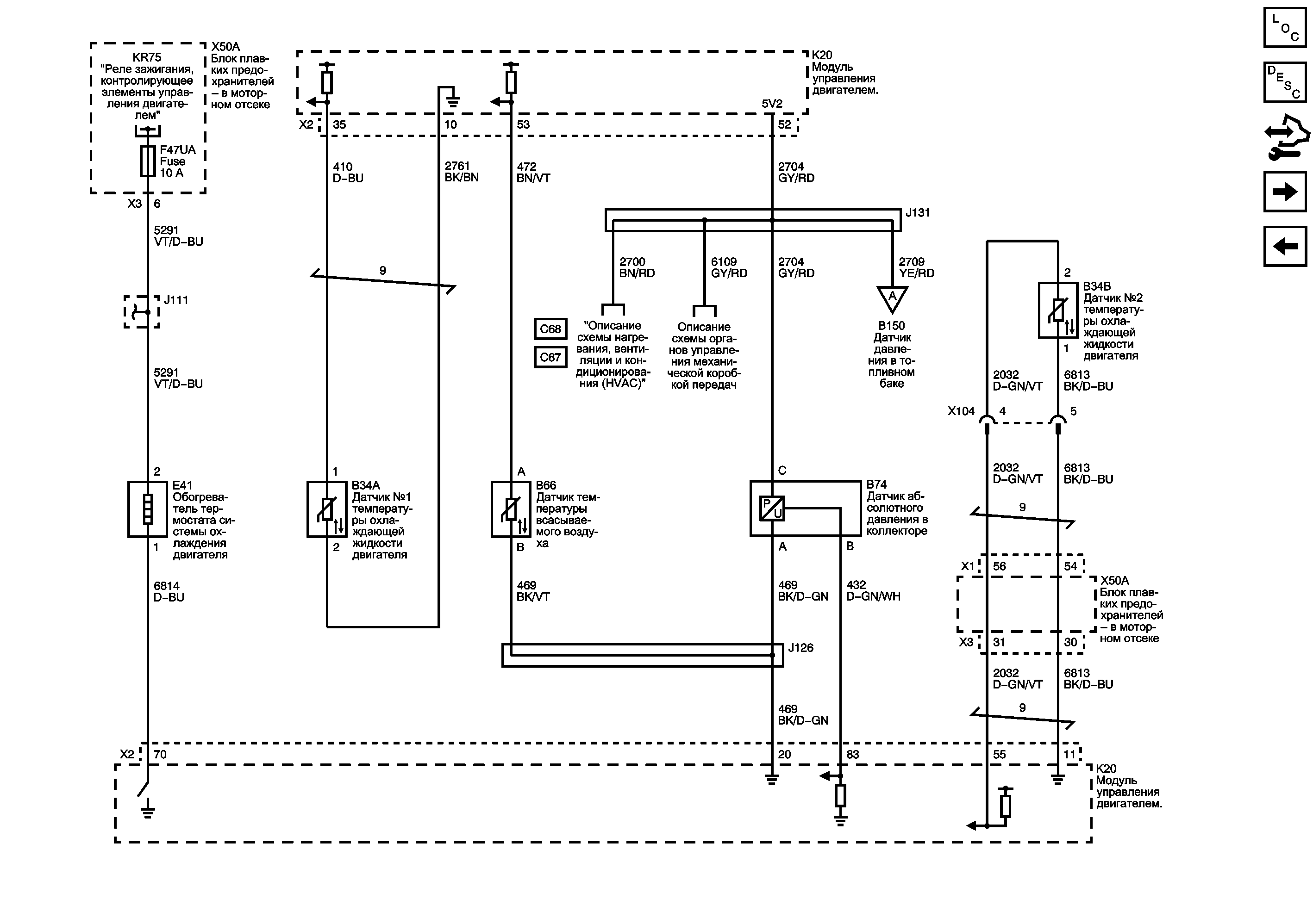
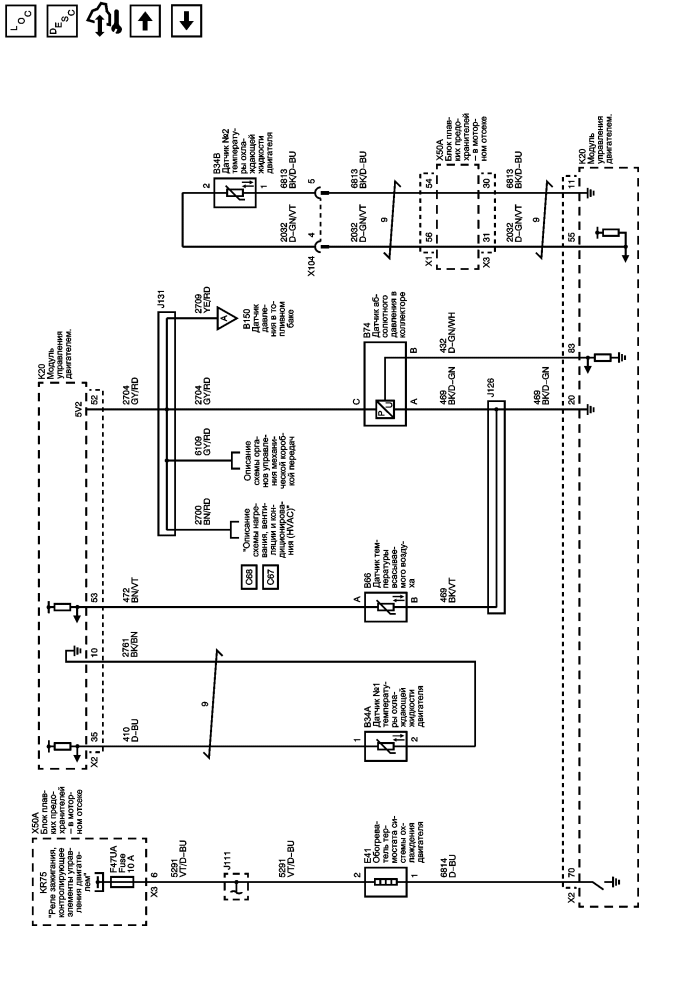
Шина 5 В и шина низкого опорного сигнала (2 из 2)
Питание, масса, последовательные данные и лампа индикатора неисправности (MIL)
Предохранители F47UA, F59UA и F62UA
Схематические обозначения электрических элементов управления
Средства управления компрессором
Регуляторы топлива - Регуляторы системы улавливания паров бензина и датчик давления
Схематические обозначения электрических элементов управления
| https://vnx.su/ 🛠 Руководства по ремонту и эксплуатации для автомобилей |
| https://vnx.su/ 🛠 Руководства по ремонту и эксплуатации для автомобилей |