Orlando |
||||||||
|
|
|
|||||||

Список электрических компонентов управления
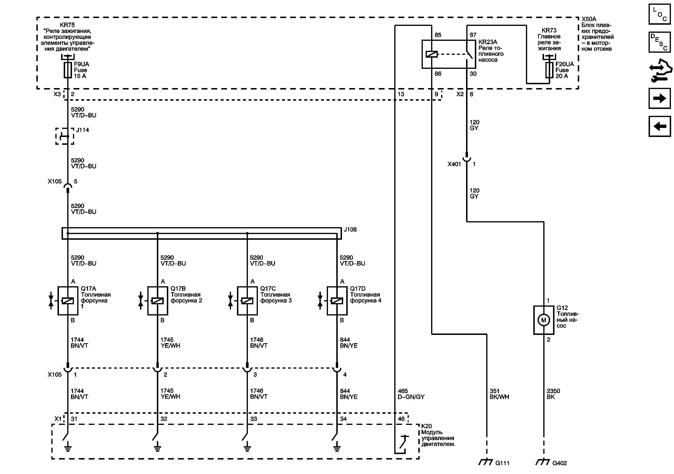
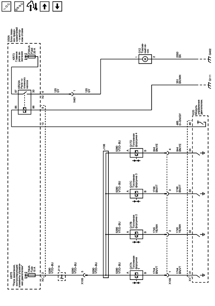
Модуль управления Справочные сведения
Регуляторы топлива - Регуляторы системы улавливания паров бензина и датчик давления
Питание, масса, последовательные данные и лампа индикатора неисправности (MIL)
Предохранители F8UA, F9UA, F10UA и F11UA
Электрический центр - Обозначение - Иллюстрации
| https://vnx.su/ 🛠 Руководства по ремонту и эксплуатации для автомобилей |
| https://vnx.su/ 🛠 Руководства по ремонту и эксплуатации для автомобилей |