Orlando |
||||||||
|
|
|
|||||||

Список электрических компонентов управления
Силовой режим Описание и принцип работы
Модуль управления Справочные сведения
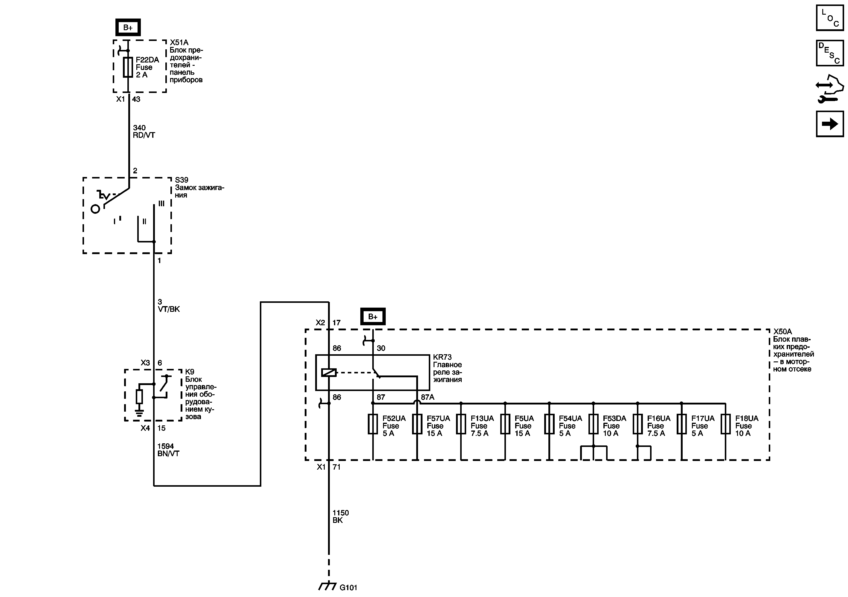
Плавкий предохранитель F22DA и замок зажигания
Электрический центр - Обозначение - Иллюстрации
Предохранители F16UA, F17UA, F18UA, F52UA, F54UA и F57UA
Предохранители F5UA, F13UA и F53UA
Предохранители F16UA, F17UA, F18UA, F52UA, F54UA и F57UA
| https://vnx.su/ 🛠 Руководства по ремонту и эксплуатации для автомобилей |
| https://vnx.su/ 🛠 Руководства по ремонту и эксплуатации для автомобилей |