К верхней части документа
Orlando
   
Начальная страница GMDE Загрузить статическое содержание Загрузить динамическое содержание Справка?

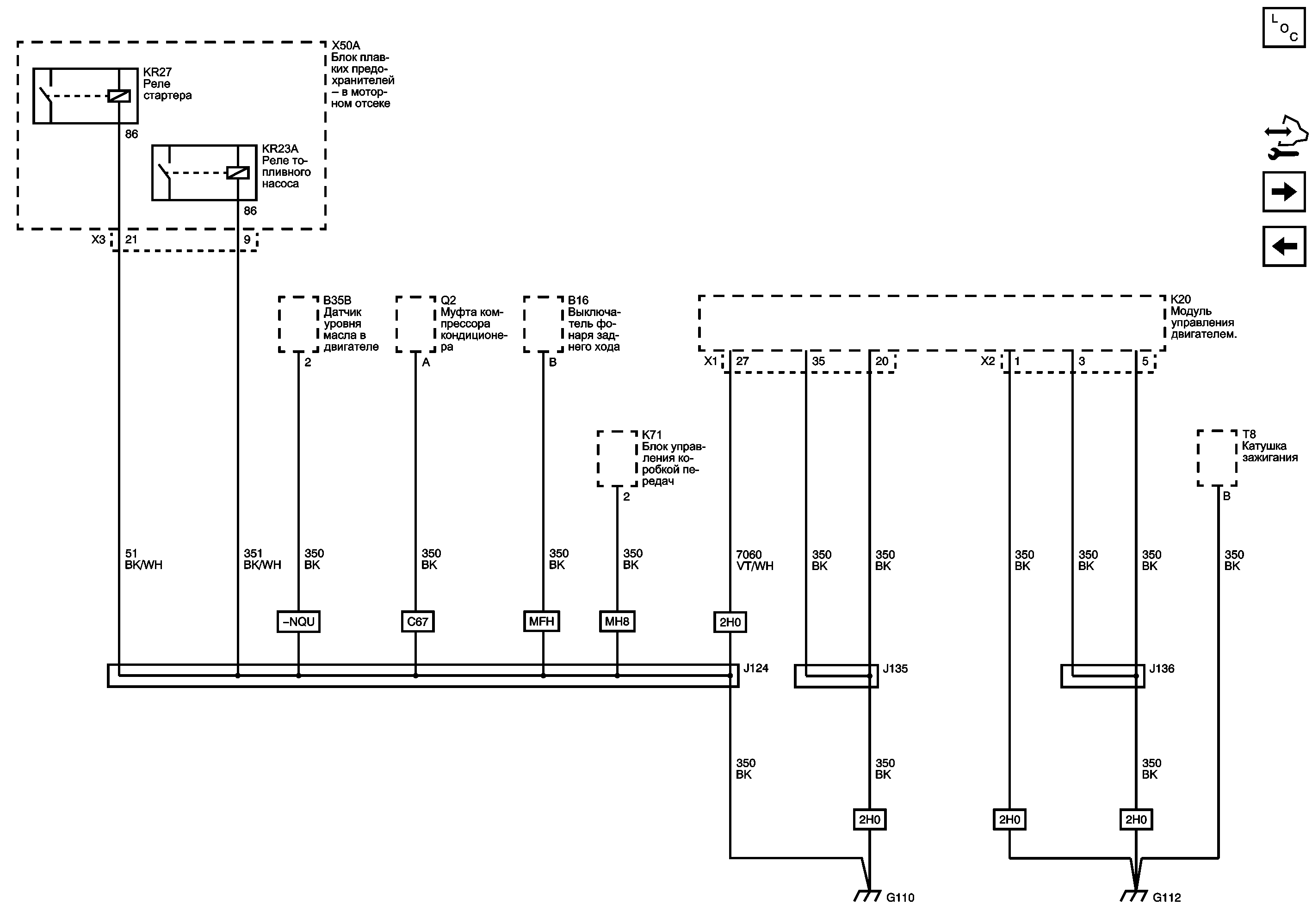
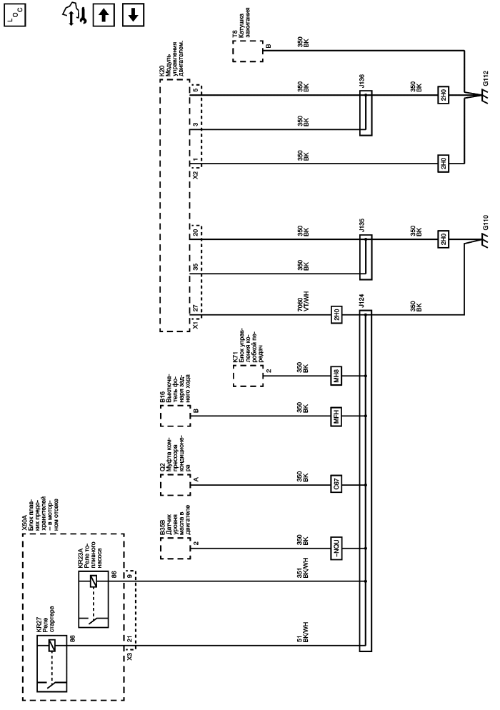
G110 (2H0) и G112



            |                         |            
2504233RU.png

Графический дисплей

Список электрических компонентов управления

Модуль управления Справочные сведения

G120, G121, G122 и G201

G110 (LNP)

Электрический центр - Обозначение - Иллюстрации

   


https://vnx.su/ 🛠 Руководства по ремонту и эксплуатации для автомобилей

Поиск по сайту

Остались вопросы или пожелания? Пишите на почту: support@vnx.su

Карта Сайта
   


https://vnx.su/ 🛠 Руководства по ремонту и эксплуатации для автомобилей

Поиск по сайту

Остались вопросы или пожелания? Пишите на почту: support@vnx.su

Карта Сайта