Orlando |
||||||||
|
|
|
|||||||

Список электрических компонентов управления
Модуль управления Справочные сведения
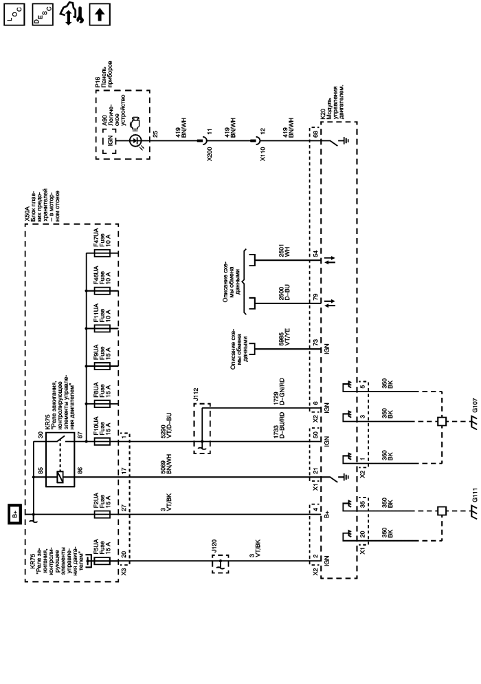
12 В, 5 В и шина низкого опорного напряжения (1 из 2)
Предохранители F5UA, F13UA и F53UA
Предохранители F2UA, F21UA, F27UA, F31UA, F32UA, F34UA, F35UA, F69UA и F70UA
Электрический центр - Обозначение - Иллюстрации
Предохранители F8UA, F9UA, F10UA и F11UA
Предохранители F47UA, F59UA и F62UA
| https://vnx.su/ 🛠 Руководства по ремонту и эксплуатации для автомобилей |
| https://vnx.su/ 🛠 Руководства по ремонту и эксплуатации для автомобилей |