Cruze
   
GMDE Start Page Load static TOC Load dynamic TOC Help?
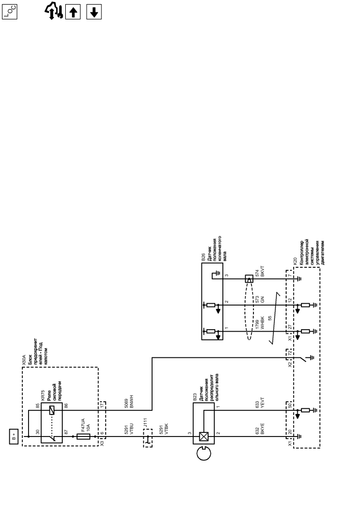
Органы управления топливом - Датчики и исполнительные органы общей топливной магистрали


            |                         |            
2202970RU.png


Display graphic

Display graphic

Компоненты
b23Датчик положения распределительного валаk20Контроллер электронной системы управления двигателем
b26Датчик положения коленчатого валаkr75Реле силовой передачи
f47uaПредохранительx50aБлок предохранителей - Под капотом
Разъемы
j111Жгут проводов двигателяk20 (x2)Контроллер электронной системы управления двигателем x2
k20 (x1)Контроллер электронной системы управления двигателем x1x50a (x3)Блок предохранителей - Под капотом x3
Сокращения
b +Напряжение аккумуляторной батареи
Цветовые коды
bkvtЧерный-ФиолетовыйvtbkФиолетовый-Черный
bkyeЧерный-ЖелтыйvtbuФиолетовый-Синий
bnwhКоричневый\БелыйwhbkБелый-Черный
gnЗеленыйyevtЖелтый-Фиолетовый
1
2
3
27
Силовая передача - главное реле, защищенное плавким предохранителем (2)
VTBK Фиолетовый-Черный
Сигнал датчика положения распределительного вала
YEVT Желтый-Фиолетовый
Силовая передача - главное реле, защищенное плавким предохранителем (2)
VTBU Фиолетовый-Синий
Датчик положения коленчатого вала - Сигнал высокого разрешения
WHBK Белый-Черный
Сигнал датчика коленчатого вала (1)
GN Зеленый
1
3
2
12
20
17
X3 Блок предохранителей - Под капотом X3

Внешний вид разъема и ремонт
Доступен вид только с одним разъемом
F47UA Предохранитель

Электрическая схема Дерево Предохранитель F47UA
Электрическая схема Питание Шина B+ UEC (2 из 6)
6
86
85
87
30
Слабый опорный сигнал датчика коленчатого вала (1)
BKVT Черный-Фиолетовый
Управление катушкой главного реле двигателя
BNWH Коричневый\Белый
50
X1 Контроллер электронной системы управления двигателем X1

Расположение деталей (узлов) Трехмерная схема жгутов СТРАНА - КОРЕЯ ДИЗЕЛЬНЫЙ ДВИГАТЕЛЬ, 4 ЦИЛ., L4, 2.0 Л, CRI, SOHC, ТУРБО, 110 кВт
Имеется только одно место для компонента
7
Слабый опорный сигнал датчика положения распределительного вала
BKYE Черный-Желтый
72
X2 Контроллер электронной системы управления двигателем X2

Расположение деталей (узлов) Трехмерная схема жгутов СТРАНА - КОРЕЯ ДИЗЕЛЬНЫЙ ДВИГАТЕЛЬ, 4 ЦИЛ., L4, 2.0 Л, CRI, SOHC, ТУРБО, 110 кВт
Внешний вид разъема и ремонт ДИЗЕЛЬНЫЙ ДВИГАТЕЛЬ, 4 ЦИЛ., L4, 2.0 Л, CRI, SOHC, ТУРБО, 110 кВт
X1 Контроллер электронной системы управления двигателем X1

Расположение деталей (узлов) Трехмерная схема жгутов СТРАНА - КОРЕЯ ДИЗЕЛЬНЫЙ ДВИГАТЕЛЬ, 4 ЦИЛ., L4, 2.0 Л, CRI, SOHC, ТУРБО, 110 кВт
Имеется только одно место для компонента
Напряжение аккумуляторной батареи
Управление
Слабый опорный сигнал
Сигнал
KR75 Реле силовой передачи
X50A Блок предохранителей - Под капотом

Расположение деталей (узлов) Трехмерная схема жгутов
B26 Датчик положения коленчатого вала

Расположение деталей (узлов) Трехмерная схема жгутов ДИЗЕЛЬНЫЙ ДВИГАТЕЛЬ, 4 ЦИЛ., L4, 2.0 Л, CRI, SOHC, ТУРБО, 110 кВт
Внешний вид разъема и ремонт ДИЗЕЛЬНЫЙ ДВИГАТЕЛЬ, 4 ЦИЛ., L4, 2.0 Л, CRI, SOHC, ТУРБО, 110 кВт
B23 Датчик положения распределительного вала

Расположение деталей (узлов) Трехмерная схема жгутов ДИЗЕЛЬНЫЙ ДВИГАТЕЛЬ, 4 ЦИЛ., L4, 2.0 Л, CRI, SOHC, ТУРБО, 110 кВт
Внешний вид разъема и ремонт ДИЗЕЛЬНЫЙ ДВИГАТЕЛЬ, 4 ЦИЛ., L4, 2.0 Л, CRI, SOHC, ТУРБО, 110 кВт
K20 Контроллер электронной системы управления двигателем

Расположение деталей (узлов) Трехмерная схема жгутов СТРАНА - КОРЕЯ ДИЗЕЛЬНЫЙ ДВИГАТЕЛЬ, 4 ЦИЛ., L4, 2.0 Л, CRI, SOHC, ТУРБО, 110 кВт
Имеется только одно место для компонента
J111 Жгут проводов двигателя

Электрическая схема Датчики данных двигателя - исполнительные элементы ДИЗЕЛЬНЫЙ ДВИГАТЕЛЬ, 4 ЦИЛ., L4, 2.0 Л, CRI, SOHC, ТУРБО, 110 кВт
Электрическая схема Датчики данных двигателя - средства управления дроссельной заслонкой ДИЗЕЛЬНЫЙ ДВИГАТЕЛЬ, 4 ЦИЛ., L4, 2.0 Л, CRI, SOHC, ТУРБО, 110 кВт
Электрическая схема Датчики данных двигателя - средства управления свечами накаливания ДИЗЕЛЬНЫЙ ДВИГАТЕЛЬ, 4 ЦИЛ., L4, 2.0 Л, CRI, SOHC, ТУРБО, 110 кВт
Слабый опорный сигнал
Слабый опорный сигнал
Сигнал
Сигнал
Сигнал
Сигнал
Датчики парамеров работы двигателя - датчики DPF

Датчики парамеров работы двигателя - датчики DPF
Справочные данные по контроллерам

Справочные данные по контроллерам
Средства управления топливом - топливный насос и форсунки

Средства управления топливом - топливный насос и форсунки
Перечень основных электрических компонентов

Перечень основных электрических компонентов
   


https://vnx.su/ 🛠 Руководства по ремонту и эксплуатации для автомобилей

Поиск по сайту

Остались вопросы или пожелания? Пишите на почту: support@vnx.su

Карта Сайта