Cruze
   
GMDE Start Page Load static TOC Load dynamic TOC Help?
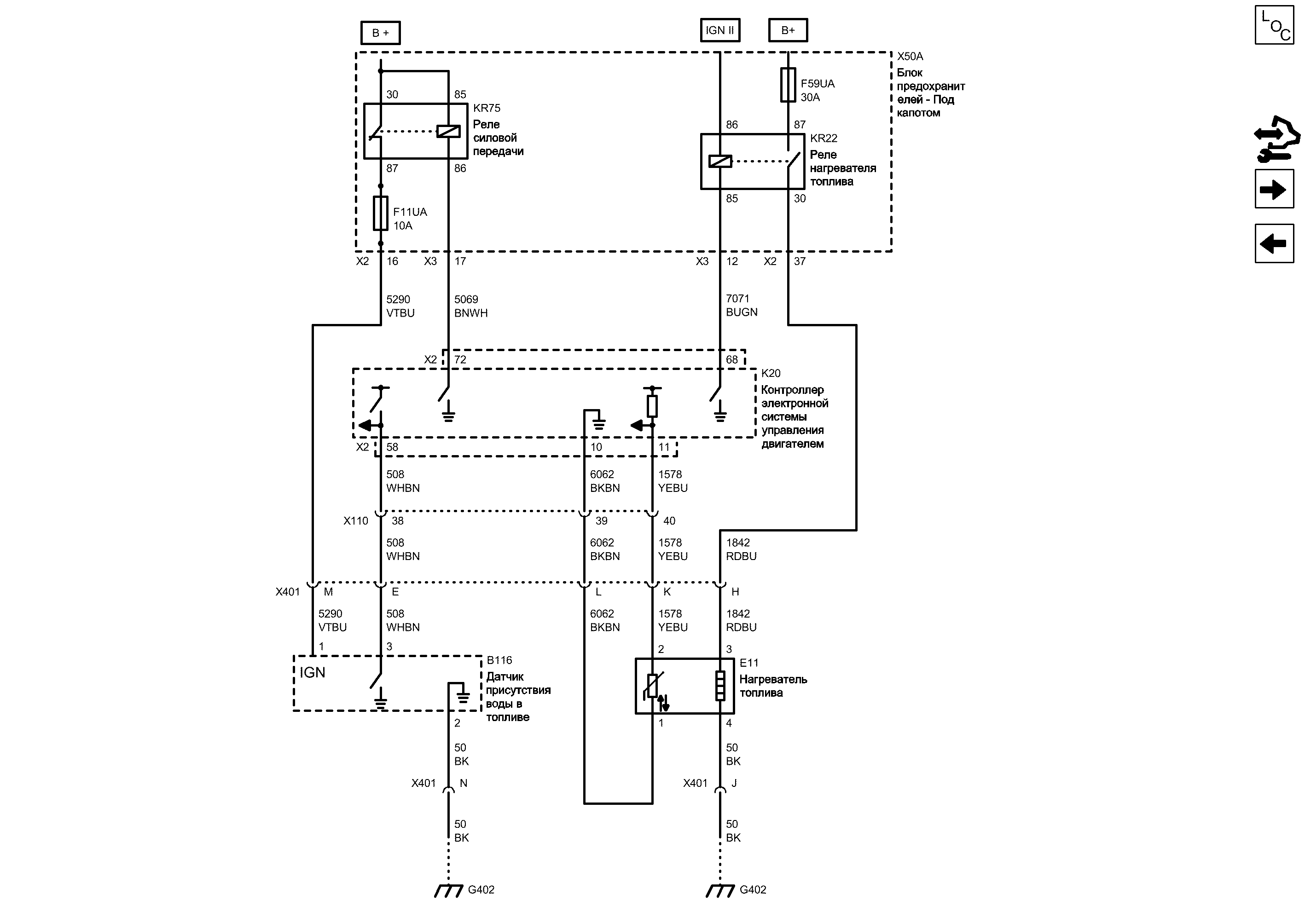
Органы управления топливом - нагреватель топлива и датчик присутствия воды в топливе


            |                         |            
2202979RU.png


Display graphic

Display graphic

Компоненты
b116Датчик присутствия воды в топливеk20Контроллер электронной системы управления двигателем
e11Нагреватель топливаkr22Реле нагревателя топлива
f11uaПредохранительkr75Реле силовой передачи
f59uaПредохранительx50aБлок предохранителей - Под капотом
Разъемы
k20 (x2)Контроллер электронной системы управления двигателем x2x110Жгут проводов кузова и жгут проводов двигателя
x50a (x2)Блок предохранителей - Под капотом x2x401Жгут проводов кузова и жгут проводов топливного бака
x50a (x3)Блок предохранителей - Под капотом x3
Точки соединения с массой
g402Задняя панель, правая
Сокращения
b +Напряжение аккумуляторной батареиign iiВыключатель зажигания - движение
b+Вывод b+
Цветовые коды
bkЧерныйrdbuКрасный-Синий
bkbnЧерный-КоричневыйvtbuФиолетовый-Синий
bnwhКоричневый\БелыйwhbnБелый-Коричневый
bugnСиний-ЗеленыйyebuЖелтый-Синий
X2 Контроллер электронной системы управления двигателем X2

Расположение деталей (узлов) Трехмерная схема жгутов СТРАНА - КОРЕЯ ДИЗЕЛЬНЫЙ ДВИГАТЕЛЬ, 4 ЦИЛ., L4, 2.0 Л, CRI, SOHC, ТУРБО, 110 кВт
Внешний вид разъема и ремонт ДИЗЕЛЬНЫЙ ДВИГАТЕЛЬ, 4 ЦИЛ., L4, 2.0 Л, CRI, SOHC, ТУРБО, 110 кВт
68
Управление подогревателем топлива
BUGN Синий-Зеленый
12
F59UA Предохранитель

Электрическая схема Дерево Предохранители F11UA, 59UA и F62UA
Электрическая схема Питание Шина B+ UEC (2 из 6)
37
X2 Блок предохранителей - Под капотом X2

Внешний вид разъема и ремонт
1
2
4
3
Положительное напряжение аккумуляторной батареи
RDBU Красный-Синий
H
G402 Задняя панель, правая

Расположение деталей (узлов) Трехмерная схема жгутов СТРАНЫ - КРОМЕ СЕВЕРНОЙ АМЕРИКИ
Внешний вид разъема и ремонт
Электрическая схема G402
Масса
BK Черный
K
L
Сигнал температуры топлива
YEBU Желтый-Синий
Слабый опорный сигнал датчика температуры топлива
BKBN Черный-Коричневый
11
10
X2 Контроллер электронной системы управления двигателем X2

Расположение деталей (узлов) Трехмерная схема жгутов СТРАНА - КОРЕЯ ДИЗЕЛЬНЫЙ ДВИГАТЕЛЬ, 4 ЦИЛ., L4, 2.0 Л, CRI, SOHC, ТУРБО, 110 кВт
Внешний вид разъема и ремонт ДИЗЕЛЬНЫЙ ДВИГАТЕЛЬ, 4 ЦИЛ., L4, 2.0 Л, CRI, SOHC, ТУРБО, 110 кВт
X3 Блок предохранителей - Под капотом X3

Внешний вид разъема и ремонт
Доступен вид только с одним разъемом
Вывод B+
X401 Жгут проводов кузова и жгут проводов топливного бака

Расположение деталей (узлов) Трехмерная схема жгутов
Внешний вид разъема и ремонт Вилка
Внешний вид разъема и ремонт Гнездо
J
BK Черный
39
40
RDBU Красный-Синий
85
30
86
87
Выключатель зажигания - движение
Управление
Слабый опорный сигнал
Сигнал
3
1
Силовая передача - главное реле, защищенное плавким предохранителем (1)
VTBU Фиолетовый-Синий
X401 Жгут проводов кузова и жгут проводов топливного бака

Расположение деталей (узлов) Трехмерная схема жгутов
Внешний вид разъема и ремонт Вилка
Внешний вид разъема и ремонт Гнездо
M
E
G402 Задняя панель, правая

Расположение деталей (узлов) Трехмерная схема жгутов СТРАНЫ - КРОМЕ СЕВЕРНОЙ АМЕРИКИ
Внешний вид разъема и ремонт
Электрическая схема G402
Масса
BK Черный
BK Черный
X401 Жгут проводов кузова и жгут проводов топливного бака

Расположение деталей (узлов) Трехмерная схема жгутов
Внешний вид разъема и ремонт Вилка
Внешний вид разъема и ремонт Гнездо
N
2
58
X110 Жгут проводов кузова и жгут проводов двигателя

Внешний вид разъема и ремонт Вилка ДИЗЕЛЬНЫЙ ДВИГАТЕЛЬ, 4 ЦИЛ., L4, 2.0 Л, CRI, SOHC, ТУРБО, 110 кВт
Внешний вид разъема и ремонт Гнездо
38
Индикаторное управление - присутствие воды в топливе
WHBN Белый-Коричневый
85
86
17
Управление катушкой главного реле двигателя
BNWH Коричневый\Белый
VTBU Фиолетовый-Синий
X2 Блок предохранителей - Под капотом X2

Внешний вид разъема и ремонт
16
F11UA Предохранитель

Электрическая схема Дерево Предохранители F11UA, 59UA и F62UA
Электрическая схема Питание Шина B+ UEC (2 из 6)
Напряжение аккумуляторной батареи
87
30
72
Управление
Управление
Управление
KR75 Реле силовой передачи
B116 Датчик присутствия воды в топливе

Расположение деталей (узлов) Трехмерная схема жгутов ДИЗЕЛЬНЫЙ ДВИГАТЕЛЬ, 4 ЦИЛ., L4, 2.0 Л, CRI, SOHC, ТУРБО, 110 кВт
Имеется только одно место для компонента
E11 Нагреватель топлива
X50A Блок предохранителей - Под капотом

Расположение деталей (узлов) Трехмерная схема жгутов
KR22 Реле нагревателя топлива
K20 Контроллер электронной системы управления двигателем

Расположение деталей (узлов) Трехмерная схема жгутов СТРАНА - КОРЕЯ ДИЗЕЛЬНЫЙ ДВИГАТЕЛЬ, 4 ЦИЛ., L4, 2.0 Л, CRI, SOHC, ТУРБО, 110 кВт
Имеется только одно место для компонента
Слабый опорный сигнал
Зажигание
YEBU Желтый-Синий
YEBU Желтый-Синий
BKBN Черный-Коричневый
BKBN Черный-Коричневый
WHBN Белый-Коричневый
WHBN Белый-Коричневый
X3 Блок предохранителей - Под капотом X3

Внешний вид разъема и ремонт
Доступен вид только с одним разъемом
Средства управления топливом - топливный насос и форсунки

Средства управления топливом - топливный насос и форсунки
Справочные данные по контроллерам

Справочные данные по контроллерам
Датчики данных двигателя - средства управления свечами накаливания

Датчики данных двигателя - средства управления свечами накаливания
Перечень основных электрических компонентов

Перечень основных электрических компонентов
   


https://vnx.su/ 🛠 Руководства по ремонту и эксплуатации для автомобилей

Поиск по сайту

Остались вопросы или пожелания? Пишите на почту: support@vnx.su

Карта Сайта