Cruze
   
GMDE Start Page Load static TOC Load dynamic TOC Help?
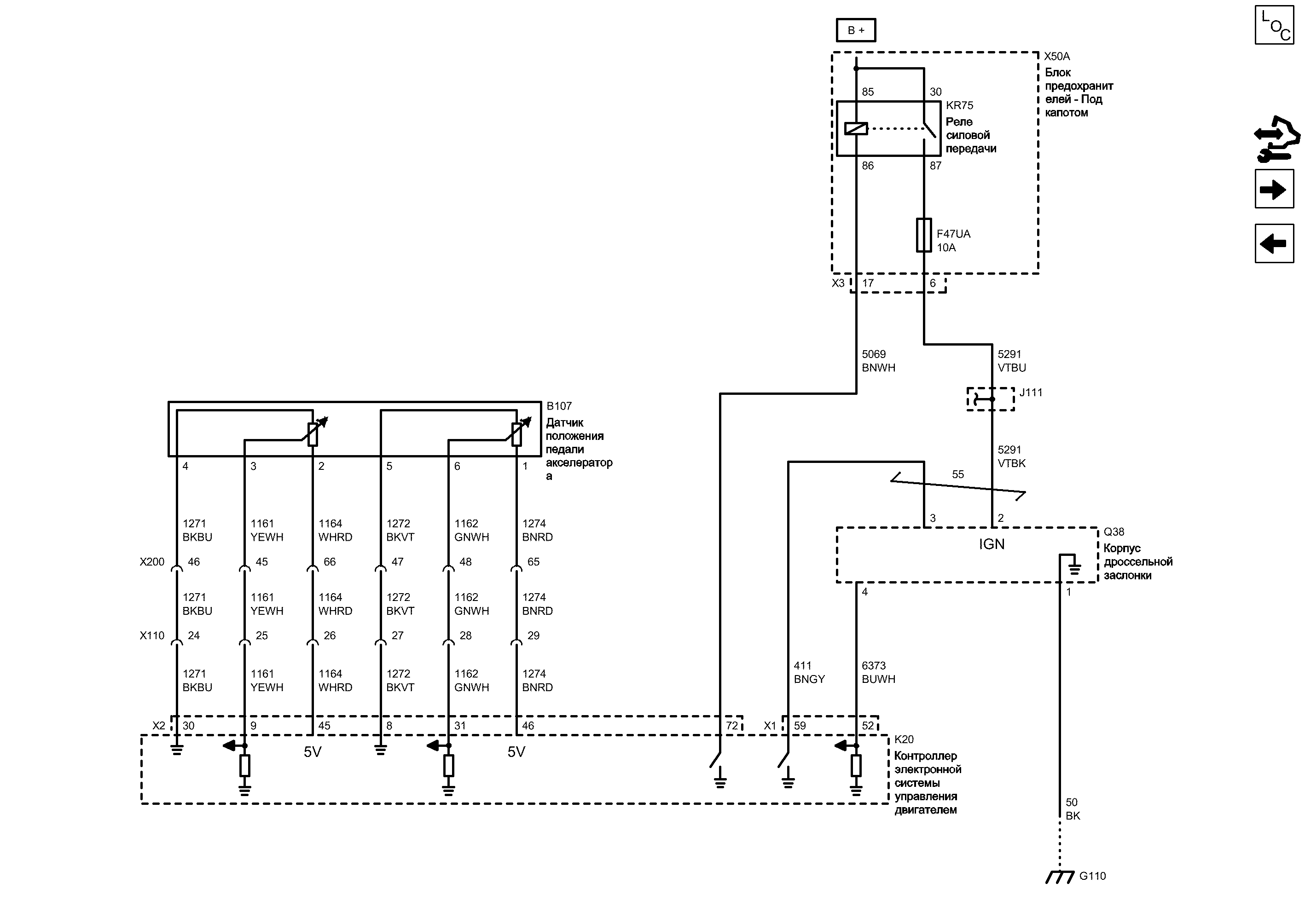
Датчики данных двигателя - средства управления дроссельной заслонкой


            |                         |            
2202966RU.png


Display graphic

Display graphic

Компоненты
b107Датчик положения педали акселератораkr75Реле силовой передачи
f47uaПредохранительq38Корпус дроссельной заслонки
k20Контроллер электронной системы управления двигателемx50aБлок предохранителей - Под капотом
Разъемы
j111Жгут проводов двигателяx50a (x3)Блок предохранителей - Под капотом x3
k20 (x1)Контроллер электронной системы управления двигателем x1x110Жгут проводов кузова и жгут проводов двигателя
k20 (x2)Контроллер электронной системы управления двигателем x2x200Жгут проводов кузова и жгут проводов панели приборов
Точки соединения с массой
g110Двигатель
Сокращения
b +Напряжение аккумуляторной батареи
Цветовые коды
bkЧерныйbuwhСиний-Белый
bkbuЧерный-СинийgnwhЗеленый-Белый
bkvtЧерный-ФиолетовыйvtbkФиолетовый-Черный
bngyКоричневый-СерыйvtbuФиолетовый-Синий
bnrdКоричневый-КрасныйwhrdБелый-Красный
bnwhКоричневый\БелыйyewhЖелтый-Белый
X1 Контроллер электронной системы управления двигателем X1

Расположение деталей (узлов) Трехмерная схема жгутов СТРАНА - КОРЕЯ ДИЗЕЛЬНЫЙ ДВИГАТЕЛЬ, 4 ЦИЛ., L4, 2.0 Л, CRI, SOHC, ТУРБО, 110 кВт
Имеется только одно место для компонента
Сигнал датчика положения дроссельной заслонки (3)
BNGY Коричневый-Серый
59
Сигнал исполнительного элемента электронного управления дроссельной заслонкой
BUWH Синий-Белый
52
4
2
3
X110 Жгут проводов кузова и жгут проводов двигателя

Внешний вид разъема и ремонт Вилка ДИЗЕЛЬНЫЙ ДВИГАТЕЛЬ, 4 ЦИЛ., L4, 2.0 Л, CRI, SOHC, ТУРБО, 110 кВт
Внешний вид разъема и ремонт Гнездо
24
25
X200 Жгут проводов кузова и жгут проводов панели приборов

Расположение деталей (узлов) Трехмерная схема жгутов
Внешний вид разъема и ремонт Вилка
Внешний вид разъема и ремонт Гнездо
46
45
29
65
27
Слабый опорный сигнал положения педали акселератора (2)
BKVT Черный-Фиолетовый
Опорный сигнал 5 вольт положения педали акселератора (1)
WHRD Белый-Красный
26
Сигнал положения педали акселератора (2)
GNWH Зеленый-Белый
28
47
5
66
2
48
6
Опорный сигнал 5 вольт положения педали акселератора (2)
BNRD Коричневый-Красный
1
X2 Контроллер электронной системы управления двигателем X2

Расположение деталей (узлов) Трехмерная схема жгутов СТРАНА - КОРЕЯ ДИЗЕЛЬНЫЙ ДВИГАТЕЛЬ, 4 ЦИЛ., L4, 2.0 Л, CRI, SOHC, ТУРБО, 110 кВт
Внешний вид разъема и ремонт ДИЗЕЛЬНЫЙ ДВИГАТЕЛЬ, 4 ЦИЛ., L4, 2.0 Л, CRI, SOHC, ТУРБО, 110 кВт
8
45
31
46
1
G110 Двигатель

Расположение деталей (узлов) Трехмерная схема жгутов СТРАНА - КОРЕЯ ДИЗЕЛЬНЫЙ ДВИГАТЕЛЬ, 4 ЦИЛ., L4, 2.0 Л, CRI, SOHC, ТУРБО, 110 кВт
Электрическая схема G110 ДИЗЕЛЬНЫЙ ДВИГАТЕЛЬ, 4 ЦИЛ., L4, 2.0 Л, CRI, SOHC, ТУРБО, 110 кВт
Масса
BK Черный
Силовая передача - главное реле, защищенное плавким предохранителем (2)
VTBK Фиолетовый-Черный
17
X3 Блок предохранителей - Под капотом X3

Внешний вид разъема и ремонт
Доступен вид только с одним разъемом
86
85
87
30
6
F47UA Предохранитель

Электрическая схема Дерево Предохранитель F47UA
Электрическая схема Питание Шина B+ UEC (2 из 6)
VTBU Фиолетовый-Синий
Управление катушкой главного реле двигателя
BNWH Коричневый\Белый
72
Напряжение аккумуляторной батареи
Сигнал
Слабый опорный сигнал
Сигнал
Опорный сигнал 5 вольт
Сигнал
Слабый опорный сигнал
Опорный сигнал 5 вольт
Управление
X50A Блок предохранителей - Под капотом

Расположение деталей (узлов) Трехмерная схема жгутов
KR75 Реле силовой передачи
B107 Датчик положения педали акселератора

Расположение деталей (узлов) Трехмерная схема жгутов Левостороннее управление
Внешний вид разъема и ремонт
Q38 Корпус дроссельной заслонки

Расположение деталей (узлов) Трехмерная схема жгутов ДИЗЕЛЬНЫЙ ДВИГАТЕЛЬ, 4 ЦИЛ., L4, 2.0 Л, CRI, SOHC, ТУРБО, 110 кВт
Внешний вид разъема и ремонт ДИЗЕЛЬНЫЙ ДВИГАТЕЛЬ, 4 ЦИЛ., L4, 2.0 Л, CRI, SOHC, ТУРБО, 110 кВт
K20 Контроллер электронной системы управления двигателем

Расположение деталей (узлов) Трехмерная схема жгутов СТРАНА - КОРЕЯ ДИЗЕЛЬНЫЙ ДВИГАТЕЛЬ, 4 ЦИЛ., L4, 2.0 Л, CRI, SOHC, ТУРБО, 110 кВт
Имеется только одно место для компонента
J111 Жгут проводов двигателя

Электрическая схема Датчики данных двигателя - исполнительные элементы ДИЗЕЛЬНЫЙ ДВИГАТЕЛЬ, 4 ЦИЛ., L4, 2.0 Л, CRI, SOHC, ТУРБО, 110 кВт
Электрическая схема Датчики данных двигателя - средства управления свечами накаливания ДИЗЕЛЬНЫЙ ДВИГАТЕЛЬ, 4 ЦИЛ., L4, 2.0 Л, CRI, SOHC, ТУРБО, 110 кВт
Электрическая схема Органы управления топливом - Датчики и исполнительные органы общей топливной магистрали ДИЗЕЛЬНЫЙ ДВИГАТЕЛЬ, 4 ЦИЛ., L4, 2.0 Л, CRI, SOHC, ТУРБО, 110 кВт
30
Слабый опорный сигнал положения педали акселератора (1)
BKBU Черный-Синий
4
Сигнал положения педали акселератора (1)
YEWH Желтый-Белый
9
3
Слабый опорный сигнал
Зажигание
BNRD Коричневый-Красный
GNWH Зеленый-Белый
BKVT Черный-Фиолетовый
WHRD Белый-Красный
YEWH Желтый-Белый
BKBU Черный-Синий
YEWH Желтый-Белый
WHRD Белый-Красный
BKVT Черный-Фиолетовый
GNWH Зеленый-Белый
BNRD Коричневый-Красный
BKBU Черный-Синий
Управление
Датчики данных двигателя - массовый расход воздуха (MAF), давление и температура...

Датчики данных двигателя - массовый расход воздуха (MAF), давление и температура
Справочные данные по контроллерам

Справочные данные по контроллерам
Датчики парамеров работы двигателя - датчики DPF

Датчики парамеров работы двигателя - датчики DPF
Перечень основных электрических компонентов

Перечень основных электрических компонентов
   


https://vnx.su/ 🛠 Руководства по ремонту и эксплуатации для автомобилей

Поиск по сайту

Остались вопросы или пожелания? Пишите на почту: support@vnx.su

Карта Сайта