To the top of the document
Orlando
   
GMDE Start Page Load static TOC Load dynamic TOC Help?

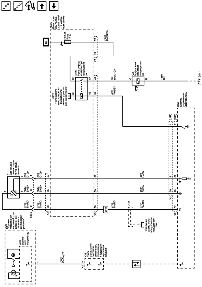
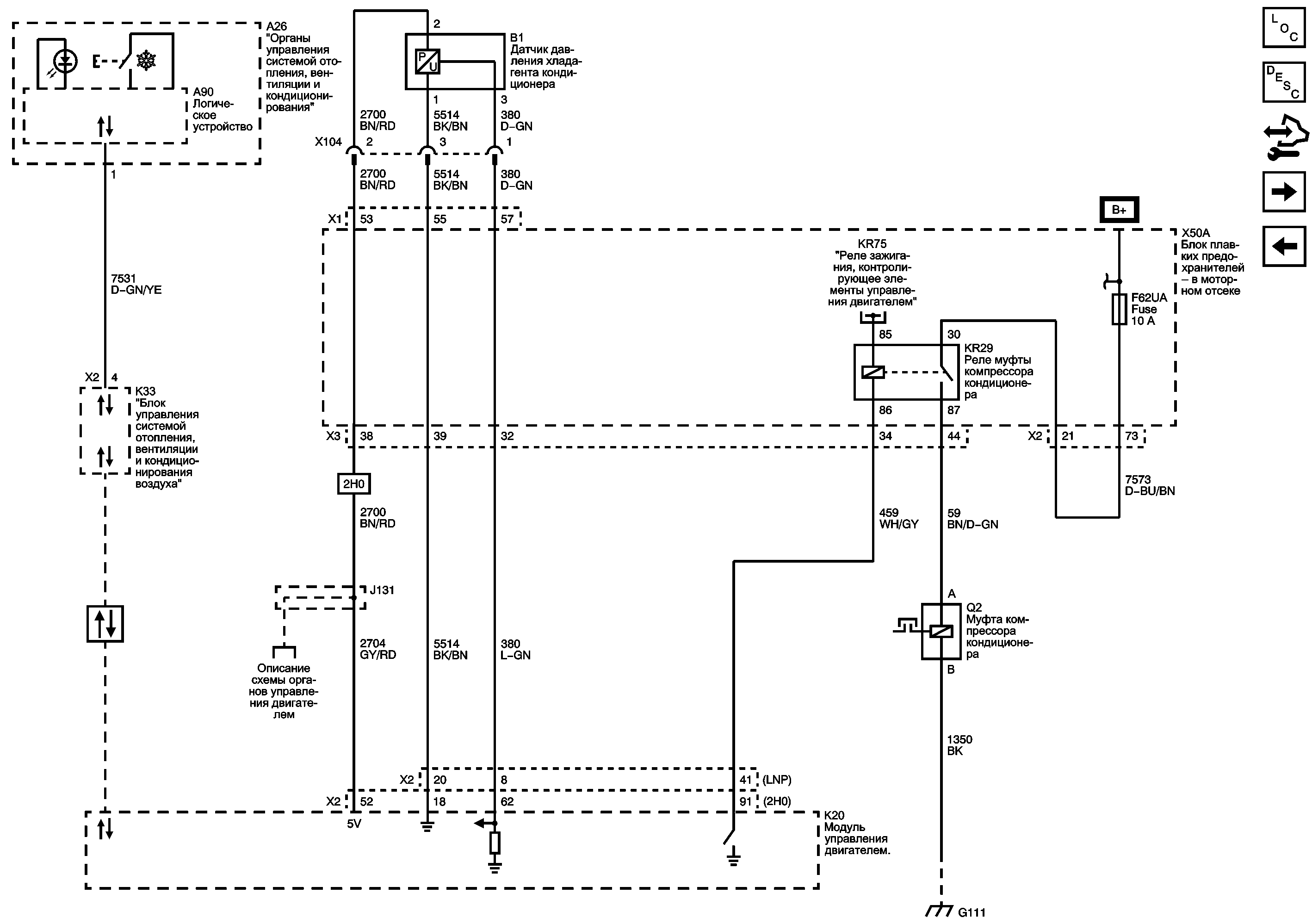
Органы управления компрессором


          
            |                         |            
2564552RU.png

Display graphic

Датчики температуры

Органы управления подачей воздуха и температурой

Ссылки на подсистемы

Предохранители F47UA, F59UA и F62UA

Шина 5 В и шина низкого опорного сигнала (2 из 2)

G110 (2H0) и G112

   


© copyright chevrolet. All rights reserved