To the top of the document
Orlando
   
GMDE Start Page Load static TOC Load dynamic TOC Help?

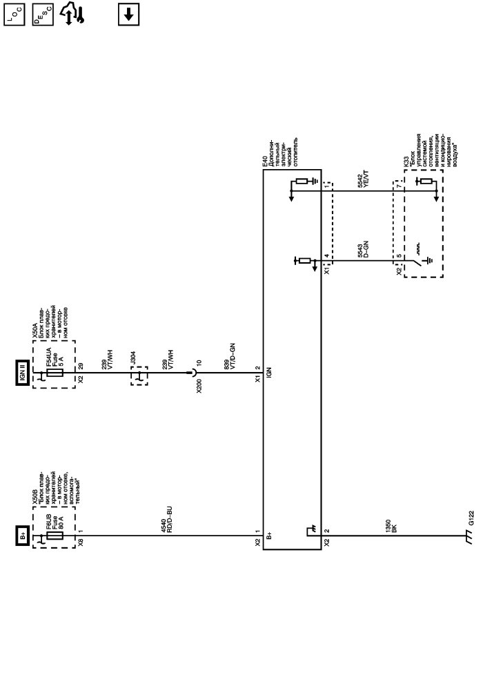
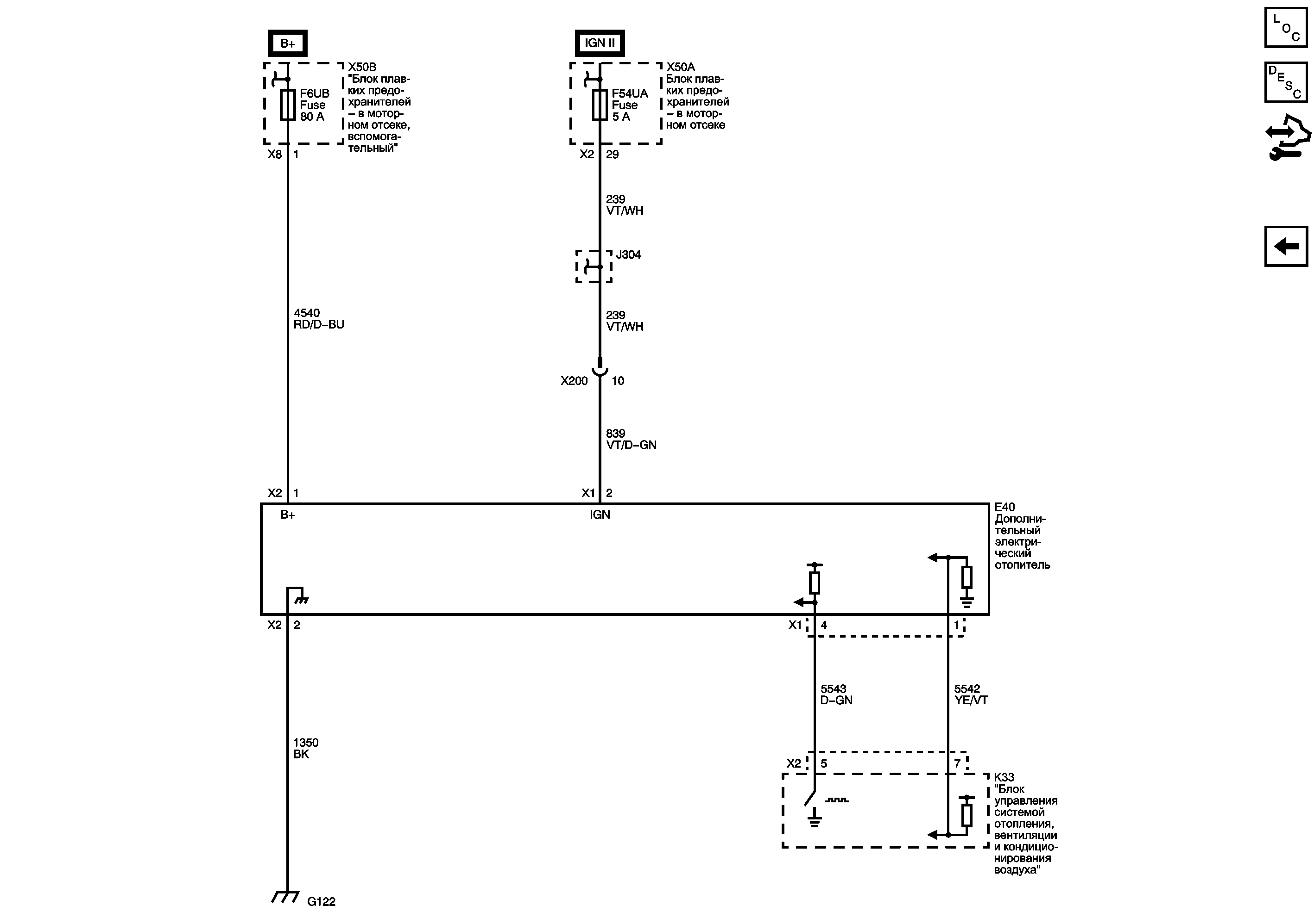
Вспомогательный обогреватель (c32)


          
            |                         |            
2564558RU.png

Display graphic

Датчики температуры

Предохранители F24UA, F48UA, F5UB и F6UB

Предохранители F16UA, F17UA, F18UA, F52UA, F54UA и F57UA

G120, G121, G122 и G201

   


© copyright chevrolet. All rights reserved