To the top of the document
Orlando
   
GMDE Start Page Load static TOC Load dynamic TOC Help?

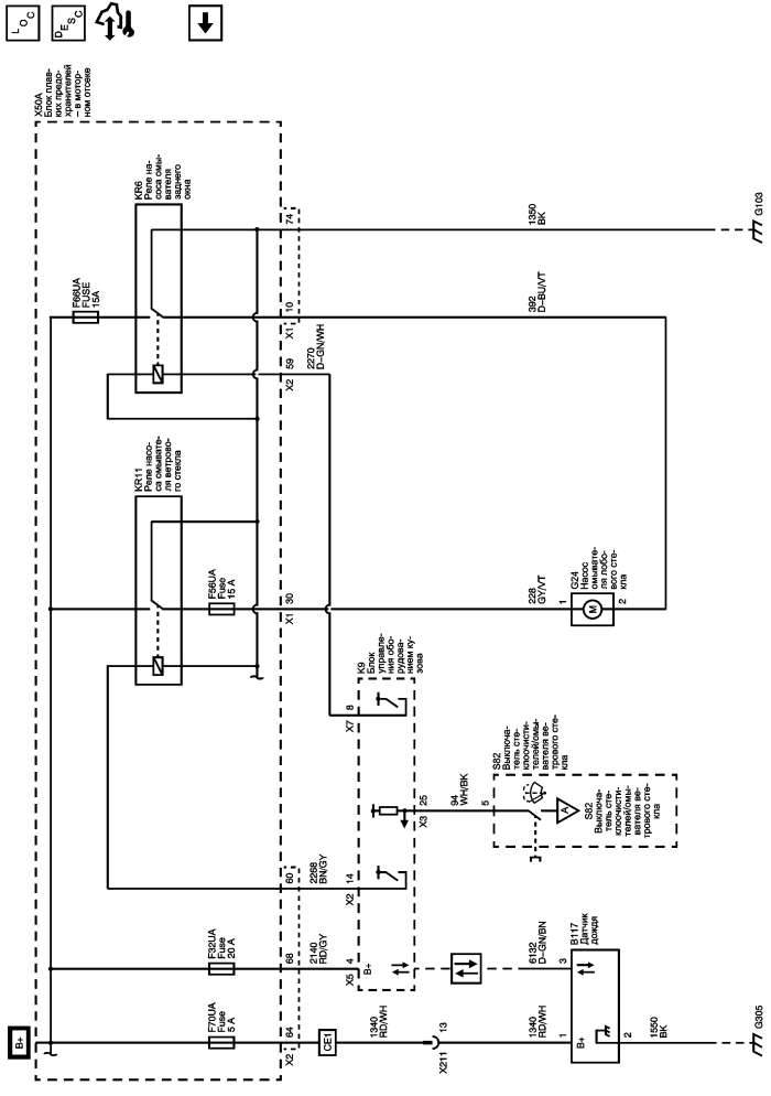
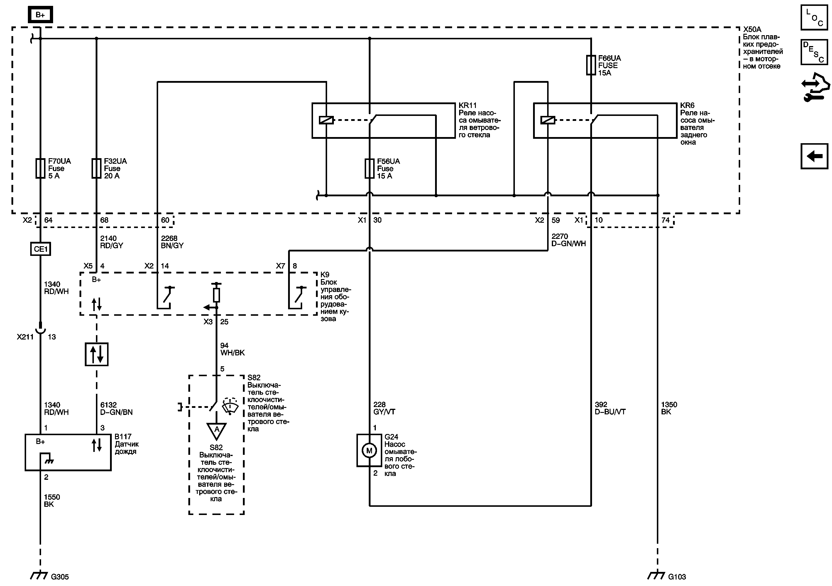
Датчик дождя и омыватель лобового стекла


          
            |                         |            
2563973RU.png

Display graphic

Windshield Wiper

Предохранители F2UA, F21UA, F27UA, F31UA, F32UA, F34UA, F35UA, F69UA и F70UA

Предохранители F28UA, F30UA, F37UA, F51UA, F56UA и F60UA

Windshield Wiper

G204 и G305

G103, G104 и G105

   


© copyright chevrolet. All rights reserved