To the top of the document
Orlando
   
GMDE Start Page Load static TOC Load dynamic TOC Help?

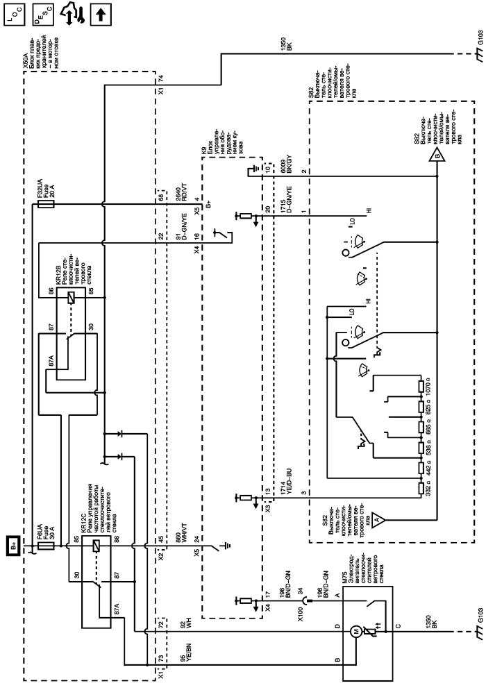
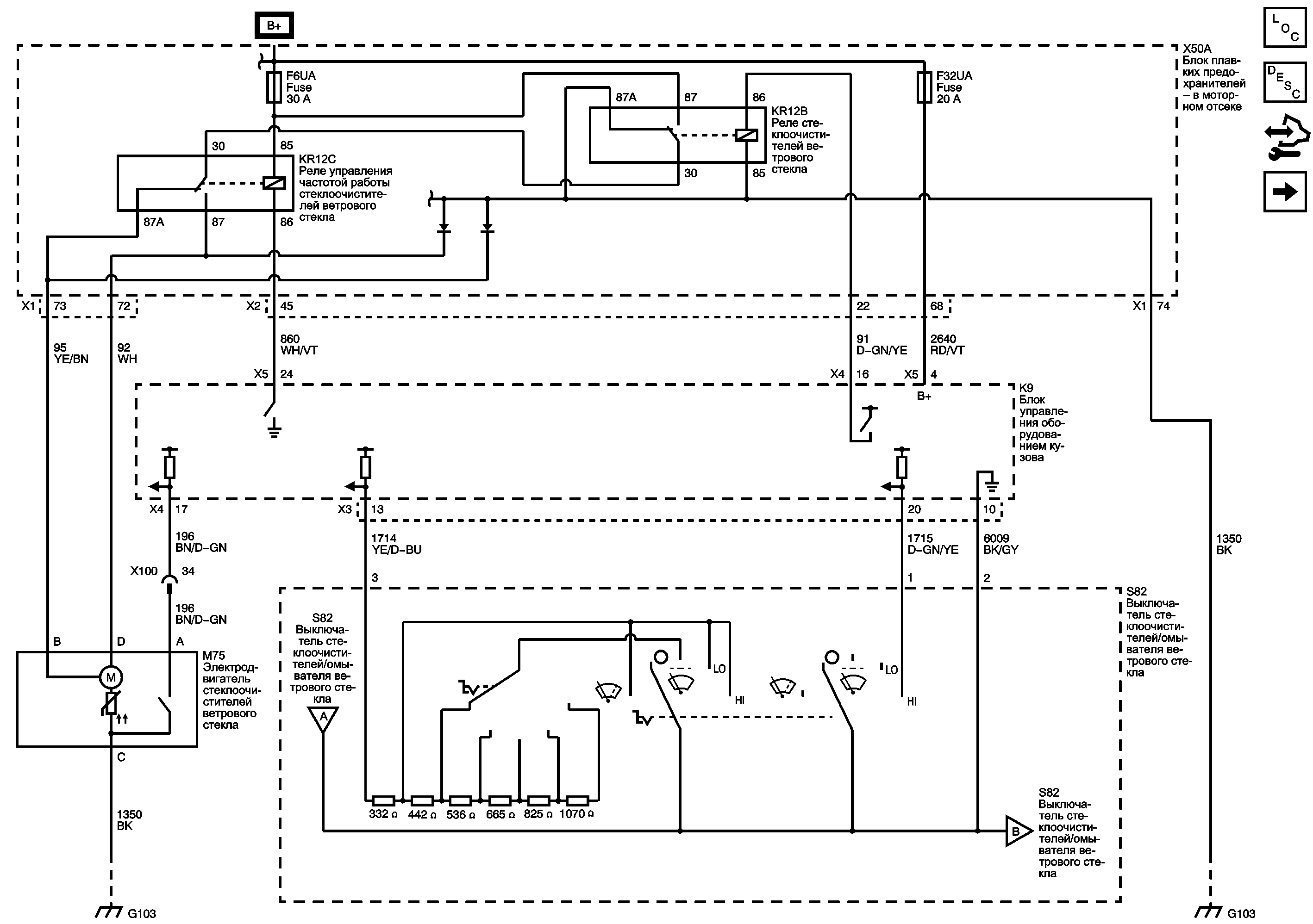
Очиститель ветрового стекла


          
            |                         |            
2563954RU.png

Display graphic

Rain Sensor and Windshield Washer

B+ Bus (1 of 3)

Предохранители F2UA, F21UA, F27UA, F31UA, F32UA, F34UA, F35UA, F69UA и F70UA

G103, G104 и G105

Rain Sensor and Windshield Washer

G103, G104 и G105

   


© copyright chevrolet. All rights reserved