Cruze
   
GMDE Start Page Load static TOC Load dynamic TOC Help?
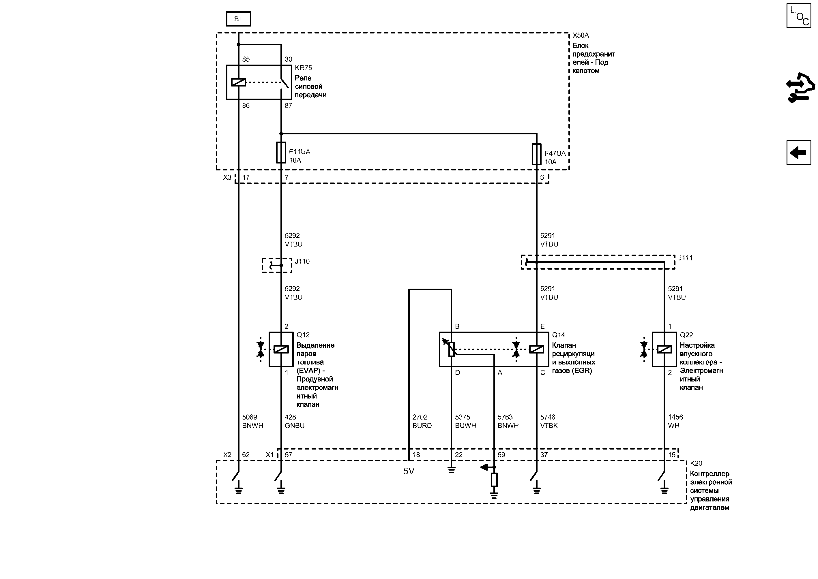
Датчики данных двигателя - исполнительные элементы


            |                         |            
2203089RU.png


Display graphic

Display graphic

Компоненты
f11uaПредохранительq12Выделение паров топлива (evap) - Продувной электромагнитный клапан
f47uaПредохранительq14Клапан рециркуляции выхлопных газов (egr)
k20Контроллер электронной системы управления двигателемq22Настройка впускного коллектора - Электромагнитный клапан
kr75Реле силовой передачиx50aБлок предохранителей - Под капотом
Разъемы
j110Жгут проводов двигателяk20 (x2)Контроллер электронной системы управления двигателем x2
j111Жгут проводов двигателяx50a (x3)Блок предохранителей - Под капотом x3
k20 (x1)Контроллер электронной системы управления двигателем x1
Сокращения
b+Вывод b+
Цветовые коды
bnwhКоричневый\БелыйvtbkФиолетовый-Черный
burdСиний-КрасныйvtbuФиолетовый-Синий
buwhСиний-БелыйwhБелый
gnbuЗеленый-Синий
X1 Контроллер электронной системы управления двигателем X1

Расположение деталей (узлов) Трехмерная схема жгутов ГАЗОВЫЙ ДВИГАТЕЛЬ, 4 ЦИЛ., 1.6 Л, MFI, DOHC, 80 кВт (GMDAT)
Внешний вид разъема и ремонт ГАЗОВЫЙ ДВИГАТЕЛЬ, 4 ЦИЛ., 1.6 Л, MFI, DOHC, 80 кВт (GMDAT)
Управление электромагнитом продувки адсорбера паров топлива (EVAP)
GNBU Зеленый-Синий
57
1
2
J110 Жгут проводов двигателя

Электрическая схема Средства управления зажиганием - система зажигания ГАЗОВЫЙ ДВИГАТЕЛЬ, 4 ЦИЛ., 1.6 Л, MFI, DOHC, 80 кВт (GMDAT)
Электрическая схема Датчики данных двигателя - кислородные датчики ГАЗОВЫЙ ДВИГАТЕЛЬ, 4 ЦИЛ., 1.6 Л, MFI, DOHC, 80 кВт (GMDAT)
Силовая передача - главное реле, защищенное плавким предохранителем (3)
VTBU Фиолетовый-Синий
7
X3 Блок предохранителей - Под капотом X3

Внешний вид разъема и ремонт
Доступен вид только с одним разъемом
17
F11UA Предохранитель

Электрическая схема Дерево Предохранители F11UA, 59UA и F62UA
Электрическая схема Питание Шина B+ UEC (2 из 6)
Вывод B+
Управление катушкой главного реле двигателя
BNWH Коричневый\Белый
62
X2 Контроллер электронной системы управления двигателем X2

Расположение деталей (узлов) Трехмерная схема жгутов ГАЗОВЫЙ ДВИГАТЕЛЬ, 4 ЦИЛ., 1.6 Л, MFI, DOHC, 80 кВт (GMDAT)
Внешний вид разъема и ремонт ГАЗОВЫЙ ДВИГАТЕЛЬ, 4 ЦИЛ., 1.6 Л, MFI, DOHC, 80 кВт (GMDAT)
VTBU Фиолетовый-Синий
86
87
30
85
F47UA Предохранитель

Электрическая схема Дерево Предохранитель F47UA
Электрическая схема Питание Шина B+ UEC (2 из 6)
6
Силовая передача - главное реле, защищенное плавким предохранителем (2)
VTBU Фиолетовый-Синий
Сигнал датчика клапана рециркуляции выхлопных газов
BNWH Коричневый\Белый
Сигнал датчика положения, рециркуляция выхлопных газов
BUWH Синий-Белый
Низкий сигнал электродвигателя клапана рециркуляции выхлопных газов
VTBK Фиолетовый-Черный
A
D
B
C
E
Опорный сигнал 5 вольт рециркуляции выхлопных газов (2)
BURD Синий-Красный
VTBU Фиолетовый-Синий
18
59
22
37
VTBU Фиолетовый-Синий
2
1
Сигнал положения клапана рециркуляции выхлопных газов
WH Белый
15
J111 Жгут проводов двигателя

Электрическая схема Средства управления зажиганием - датчики зажигания ГАЗОВЫЙ ДВИГАТЕЛЬ, 4 ЦИЛ., 1.6 Л, MFI, DOHC, 80 кВт (GMDAT)
Электрическая схема Датчики данных двигателя - кислородные датчики ГАЗОВЫЙ ДВИГАТЕЛЬ, 4 ЦИЛ., 1.6 Л, MFI, DOHC, 80 кВт (GMDAT)
Q22 Настройка впускного коллектора - Электромагнитный клапан

Внешний вид разъема и ремонт
Доступен вид только с одним разъемом
Q14 Клапан рециркуляции выхлопных газов (EGR)

Расположение деталей (узлов) Трехмерная схема жгутов ГАЗОВЫЙ ДВИГАТЕЛЬ, 4 ЦИЛ., 1.6 Л, MFI, DOHC, 80 кВт (GMDAT)
Внешний вид разъема и ремонт ГАЗОВЫЙ ДВИГАТЕЛЬ, 4 ЦИЛ., 1.6 Л, MFI, DOHC, 80 кВт (GMDAT)
X50A Блок предохранителей - Под капотом

Расположение деталей (узлов) Трехмерная схема жгутов
KR75 Реле силовой передачи
Q12 Выделение паров топлива (EVAP) - Продувной электромагнитный клапан

Внешний вид разъема и ремонт
Доступен вид только с одним разъемом
K20 Контроллер электронной системы управления двигателем

Расположение деталей (узлов) Трехмерная схема жгутов ГАЗОВЫЙ ДВИГАТЕЛЬ, 4 ЦИЛ., 1.6 Л, MFI, DOHC, 80 кВт (GMDAT)
Имеется только одно место для компонента
Управление
Управление
Управление
Управление
Опорный сигнал 5 вольт
Слабый опорный сигнал
Сигнал
Средства управления зажиганием - система зажигания

Средства управления зажиганием - система зажигания
Справочные данные по контроллерам

Справочные данные по контроллерам
Перечень основных электрических компонентов

Перечень основных электрических компонентов
   


https://vnx.su/ 🛠 Руководства по ремонту и эксплуатации для автомобилей

Поиск по сайту

Остались вопросы или пожелания? Пишите на почту: support@vnx.su

Карта Сайта