Cruze
   
GMDE Start Page Load static TOC Load dynamic TOC Help?
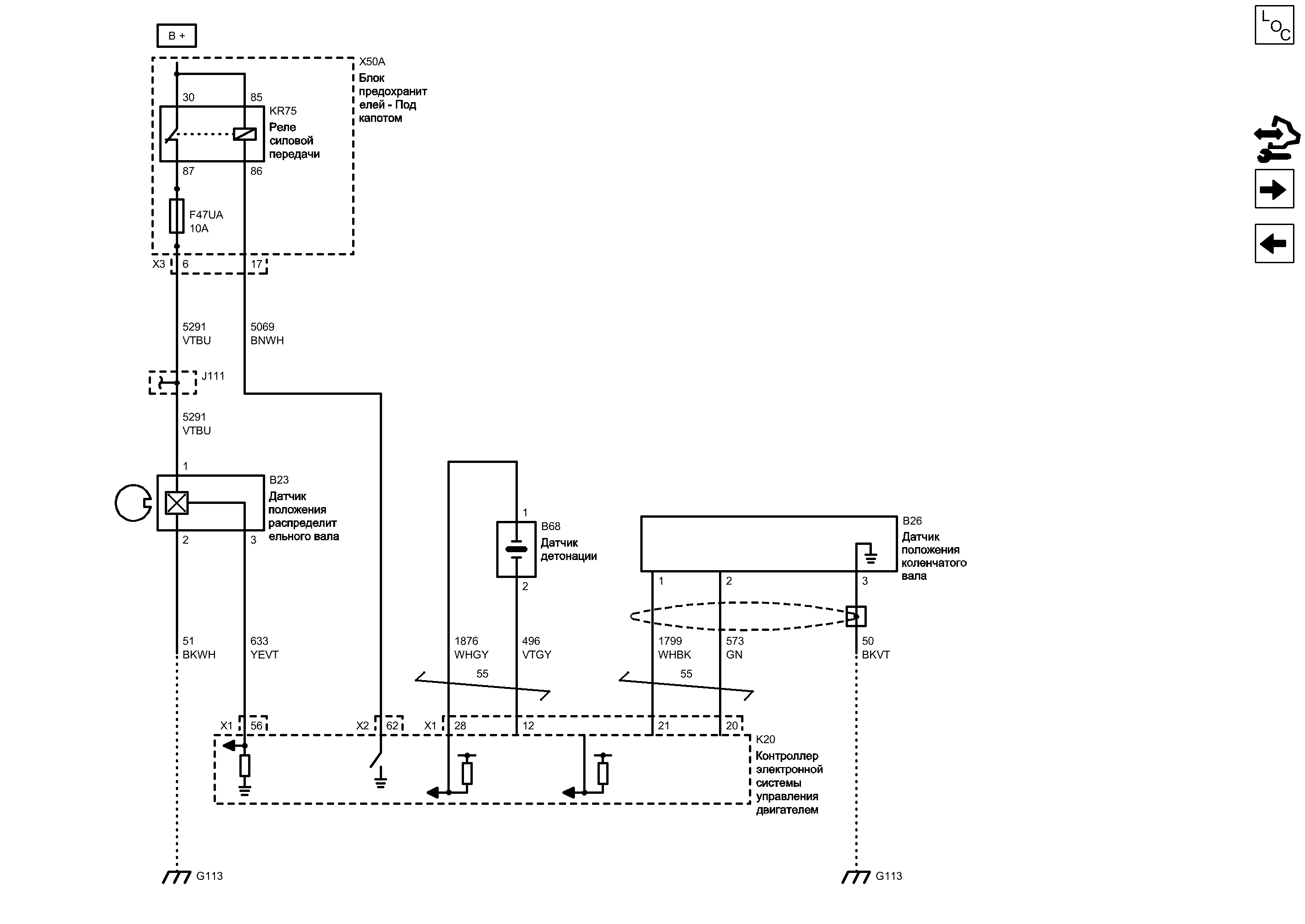
Средства управления зажиганием - датчики зажигания


            |                         |            
2203087RU.png


Display graphic

Display graphic

Компоненты
b23Датчик положения распределительного валаk20Контроллер электронной системы управления двигателем
b26Датчик положения коленчатого валаkr75Реле силовой передачи
b68Датчик детонацииx50aБлок предохранителей - Под капотом
f47uaПредохранитель
Разъемы
j111Жгут проводов двигателяk20 (x2)Контроллер электронной системы управления двигателем x2
k20 (x1)Контроллер электронной системы управления двигателем x1x50a (x3)Блок предохранителей - Под капотом x3
Точки соединения с массой
g113Двигатель
Сокращения
b +Напряжение аккумуляторной батареи
Цветовые коды
bkvtЧерный-ФиолетовыйvtgyФиолетовый-Серый
bkwhЧерный-БелыйwhbkБелый-Черный
bnwhКоричневый\БелыйwhgyБелый-Серый
gnЗеленыйyevtЖелтый-Фиолетовый
vtbuФиолетовый-Синий
3
2
1
21
G113 Двигатель

Электрическая схема G113 и G114
28
12
X1 Контроллер электронной системы управления двигателем X1

Расположение деталей (узлов) Трехмерная схема жгутов ГАЗОВЫЙ ДВИГАТЕЛЬ, 4 ЦИЛ., 1.6 Л, MFI, DOHC, 80 кВт (GMDAT)
Внешний вид разъема и ремонт ГАЗОВЫЙ ДВИГАТЕЛЬ, 4 ЦИЛ., 1.6 Л, MFI, DOHC, 80 кВт (GMDAT)
1
2
Сигнал массы
BKWH Черный-Белый
Силовая передача - главное реле, защищенное плавким предохранителем (2)
VTBU Фиолетовый-Синий
Сигнал датчика положения распределительного вала
YEVT Желтый-Фиолетовый
Сигнал датчика детонации (1)
VTGY Фиолетовый-Серый
Сигнал датчика детонации (2)
WHGY Белый-Серый
Силовая передача - главное реле, защищенное плавким предохранителем (2)
VTBU Фиолетовый-Синий
Датчик положения коленчатого вала - Сигнал высокого разрешения
WHBK Белый-Черный
Сигнал датчика коленчатого вала (1)
GN Зеленый
1
3
2
20
56
17
X3 Блок предохранителей - Под капотом X3

Внешний вид разъема и ремонт
Доступен вид только с одним разъемом
F47UA Предохранитель

Электрическая схема Дерево Предохранитель F47UA
Электрическая схема Питание Шина B+ UEC (2 из 6)
6
86
85
87
30
Масса
BKVT Черный-Фиолетовый
G113 Двигатель

Электрическая схема G113 и G114
Управление катушкой главного реле двигателя
BNWH Коричневый\Белый
62
X2 Контроллер электронной системы управления двигателем X2

Расположение деталей (узлов) Трехмерная схема жгутов ГАЗОВЫЙ ДВИГАТЕЛЬ, 4 ЦИЛ., 1.6 Л, MFI, DOHC, 80 кВт (GMDAT)
Внешний вид разъема и ремонт ГАЗОВЫЙ ДВИГАТЕЛЬ, 4 ЦИЛ., 1.6 Л, MFI, DOHC, 80 кВт (GMDAT)
X1 Контроллер электронной системы управления двигателем X1

Расположение деталей (узлов) Трехмерная схема жгутов ГАЗОВЫЙ ДВИГАТЕЛЬ, 4 ЦИЛ., 1.6 Л, MFI, DOHC, 80 кВт (GMDAT)
Внешний вид разъема и ремонт ГАЗОВЫЙ ДВИГАТЕЛЬ, 4 ЦИЛ., 1.6 Л, MFI, DOHC, 80 кВт (GMDAT)
Напряжение аккумуляторной батареи
KR75 Реле силовой передачи
X50A Блок предохранителей - Под капотом

Расположение деталей (узлов) Трехмерная схема жгутов
B26 Датчик положения коленчатого вала

Расположение деталей (узлов) Трехмерная схема жгутов ГАЗОВЫЙ ДВИГАТЕЛЬ, 4 ЦИЛ., 1.6 Л, MFI, DOHC, 80 кВт (GMDAT)
Внешний вид разъема и ремонт ГАЗОВЫЙ ДВИГАТЕЛЬ, 4 ЦИЛ., 1.6 Л, MFI, DOHC, 80 кВт (GMDAT)
B68 Датчик детонации

Расположение деталей (узлов) Трехмерная схема жгутов
Внешний вид разъема и ремонт ГАЗОВЫЙ ДВИГАТЕЛЬ, 4 ЦИЛ., 1.6 Л, MFI, DOHC, 80 кВт (GMDAT)
B23 Датчик положения распределительного вала

Внешний вид разъема и ремонт
Доступен вид только с одним разъемом
K20 Контроллер электронной системы управления двигателем

Расположение деталей (узлов) Трехмерная схема жгутов ГАЗОВЫЙ ДВИГАТЕЛЬ, 4 ЦИЛ., 1.6 Л, MFI, DOHC, 80 кВт (GMDAT)
Имеется только одно место для компонента
J111 Жгут проводов двигателя

Электрическая схема Датчики данных двигателя - исполнительные элементы ГАЗОВЫЙ ДВИГАТЕЛЬ, 4 ЦИЛ., 1.6 Л, MFI, DOHC, 80 кВт (GMDAT)
Электрическая схема Датчики данных двигателя - кислородные датчики ГАЗОВЫЙ ДВИГАТЕЛЬ, 4 ЦИЛ., 1.6 Л, MFI, DOHC, 80 кВт (GMDAT)
Сигнал
Сигнал
Сигнал
Управление
Слабый опорный сигнал
Средства управления топливом - топливный насос и форсунки

Средства управления топливом - топливный насос и форсунки
Справочные данные по контроллерам

Справочные данные по контроллерам
Средства управления зажиганием - система зажигания

Средства управления зажиганием - система зажигания
Перечень основных электрических компонентов

Перечень основных электрических компонентов
   


https://vnx.su/ 🛠 Руководства по ремонту и эксплуатации для автомобилей

Поиск по сайту

Остались вопросы или пожелания? Пишите на почту: support@vnx.su

Карта Сайта