Cruze
   
GMDE Start Page Load static TOC Load dynamic TOC Help?
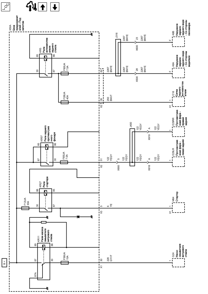
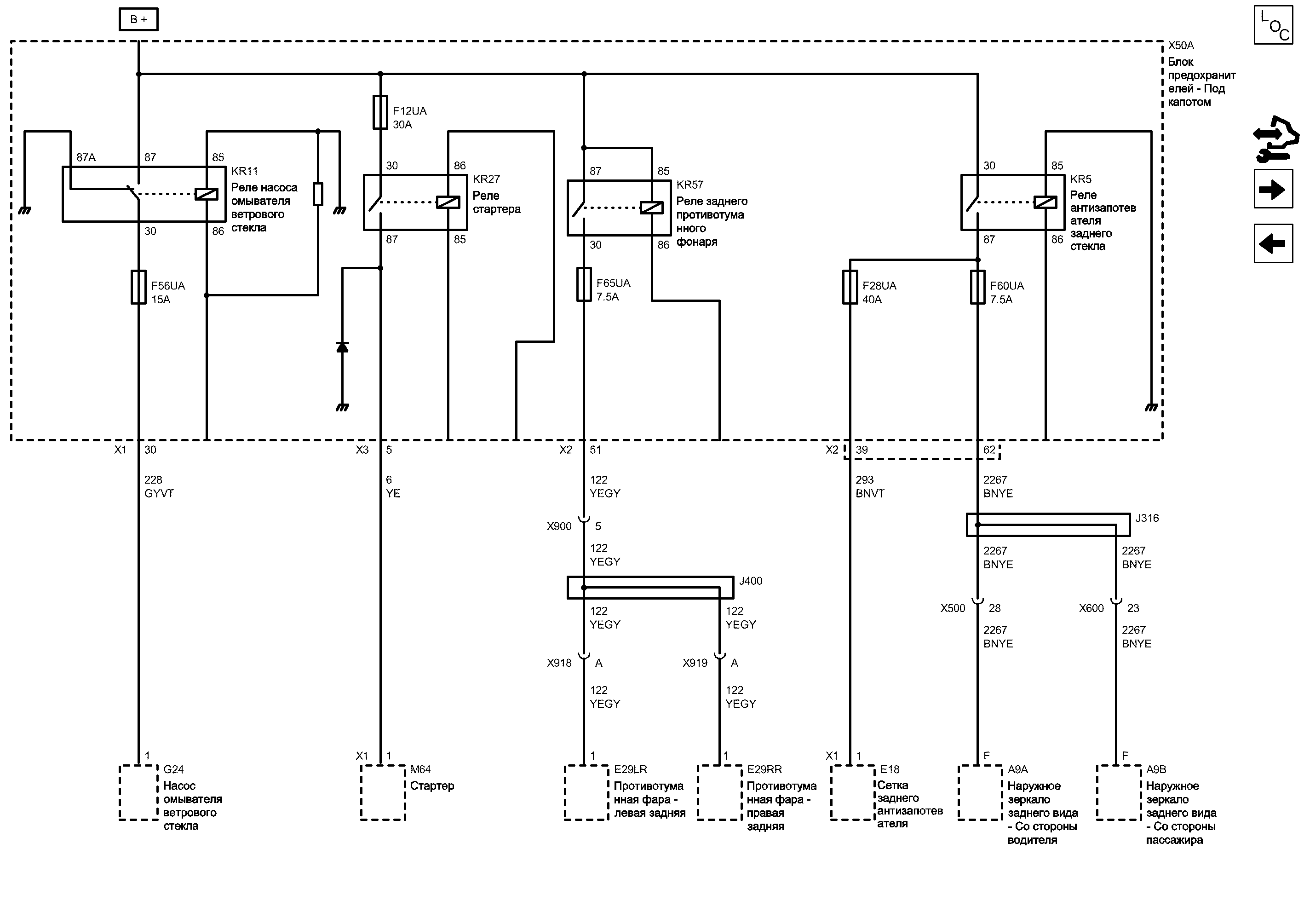
Предохранители f12ua, f28ua, f56ua, f60ua и f65ua


            |                         |            
2203142RU.png


Display graphic

Display graphic

Компоненты
a9aНаружное зеркало заднего вида - Со стороны водителяf65uaПредохранитель
a9bНаружное зеркало заднего вида - Со стороны пассажираg24Насос омывателя ветрового стекла
e18Сетка заднего антизапотевателяkr5Реле антизапотевателя заднего стекла
e29lrПротивотуманная фара - левая задняяkr11Реле насоса омывателя ветрового стекла
e29rrПротивотуманная фара - правая задняяkr27Реле стартера
f12uaПредохранительkr57Реле заднего противотуманного фонаря
f28uaПредохранительm64Стартер
f56uaПредохранительx50aБлок предохранителей - Под капотом
f60uaПредохранитель
Разъемы
e18 (x1)Сетка заднего антизапотевателя x1x50a (x3)Блок предохранителей - Под капотом x3
j316Жгут проводов кузоваx500Жгут проводов кузова и жгут проводов двери водителя
j400Жгут проводов багажникаx600Жгут проводов кузова и жгут проводов двери пассажира
m64 (x1)Стартер x1x900Жгут проводов кузова и жгут проводов подъемной задней двери
x50a (x1)Блок предохранителей - Под капотом x1x918Жгут проводов подъемной задней двери и жгут проводов левого заднего фонаря подъемной задней двери
x50a (x2)Блок предохранителей - Под капотом x2x919Жгут проводов подъемной задней двери и жгут проводов правого заднего фонаря подъемной задней двери
Сокращения
b +Напряжение аккумуляторной батареи
Цветовые коды
bnvtКоричневый-ФиолетовыйyeЖелтый
bnyeКоричневый-ЖелтыйyegyЖелтый-Серый
gyvtСерый-Фиолетовый
85
87
86
30
F28UA Предохранитель
F60UA Предохранитель
30
85
87
86
87
30
85
86
F12UA Предохранитель
F56UA Предохранитель
30
87A
Напряжение аккумуляторной батареи
Управление насосом омывателя ветрового стекла
GYVT Серый-Фиолетовый
1
5
1
Пусковое напряжение соленоида стартера
YE Желтый
X3 Блок предохранителей - Под капотом X3

Внешний вид разъема и ремонт ГАЗОВЫЙ ДВИГАТЕЛЬ, 4 ЦИЛ., 1.6 Л, MFI, DOHC, 80 кВт (GMDAT)
Внешний вид разъема и ремонт ДИЗЕЛЬНЫЙ ДВИГАТЕЛЬ, 4 ЦИЛ., L4, 2.0 Л, CRI, SOHC, ТУРБО, 110 кВт
Внешний вид разъема и ремонт ДВИГАТЕЛЬ БЕНЗИНОВЫЙ, 4 ЦИЛ., 1.6 Л, MFI, DOHC, PT-JV, РЕГУЛИРУЕМЫЕ ФАЗЫ РАСПРЕДВАЛОВ AFT, ДЕАКТИВИЗАЦИЯ ПОРТА, ИЛИ ДВИГАТЕЛЬ БЕНЗИНОВЫЙ, 4 ЦИЛ., 1.6 Л, MFI, DOHC, PT-JV, РЕГУЛИРУЕМЫЕ ФАЗЫ РАСПРЕДВАЛОВ AFT, 82 КВТ, ИЛИ ДВИГАТЕЛЬ БЕНЗИНОВЫЙ, 4 ЦИЛ., 1.8 Л,
X1 Блок предохранителей - Под капотом X1

Расположение деталей (узлов) Трехмерная схема жгутов
Внешний вид разъема и ремонт
X1 Стартер X1
X2 Блок предохранителей - Под капотом X2

Внешний вид разъема и ремонт
62
F
Управление нагревательным элементом зеркала
BNYE Коричневый-Желтый
J316 Жгут проводов кузова
BNYE Коричневый-Желтый
BNYE Коричневый-Желтый
X500 Жгут проводов кузова и жгут проводов двери водителя

Расположение деталей (узлов) Трехмерная схема жгутов Левостороннее управление
Расположение деталей (узлов) Трехмерная схема жгутов Правостороннее управление
Внешний вид разъема и ремонт Вилка Левостороннее управление
Внешний вид разъема и ремонт Вилка Правостороннее управление
Внешний вид разъема и ремонт Гнездо
28
X600 Жгут проводов кузова и жгут проводов двери пассажира

Расположение деталей (узлов) Трехмерная схема жгутов Левостороннее управление
Расположение деталей (узлов) Трехмерная схема жгутов Правостороннее управление
Внешний вид разъема и ремонт Вилка Левостороннее управление
Внешний вид разъема и ремонт Вилка Правостороннее управление
Внешний вид разъема и ремонт Гнездо
23
BNYE Коричневый-Желтый
F
BNYE Коричневый-Желтый
Управление элементом заднего антизапотевателя
BNVT Коричневый-Фиолетовый
1
39
E18 Сетка заднего антизапотевателя

Расположение деталей (узлов) Трехмерная схема жгутов
Расположение деталей (узлов) Трехмерная схема жгутов
Электрическая схема Антизапотеватель Контакт 1
A9B Наружное зеркало заднего вида - Со стороны пассажира

Расположение деталей (узлов) Трехмерная схема жгутов Левостороннее управление
Расположение деталей (узлов) Трехмерная схема жгутов Правостороннее управление
Внешний вид разъема и ремонт
Электрическая схема Обогреваемые наружные зеркала Контакт F
A9A Наружное зеркало заднего вида - Со стороны водителя

Расположение деталей (узлов) Трехмерная схема жгутов Левостороннее управление
Расположение деталей (узлов) Трехмерная схема жгутов Правостороннее управление
Внешний вид разъема и ремонт
Электрическая схема Обогреваемые наружные зеркала Контакт F
M64 Стартер

Электрическая схема Запуск и зарядка ГАЗОВЫЙ ДВИГАТЕЛЬ, 4 ЦИЛ., 1.6 Л, MFI, DOHC, 80 кВт (GMDAT) Контакт 1
Электрическая схема Запуск и зарядка ДИЗЕЛЬНЫЙ ДВИГАТЕЛЬ, 4 ЦИЛ., L4, 2.0 Л, CRI, SOHC, ТУРБО, 110 кВт Контакт 1
Электрическая схема Запуск и зарядка ДВИГАТЕЛЬ БЕНЗИНОВЫЙ, 4 ЦИЛ., 1.8 Л, MFI, 103 КВТ, DOHC ДВИГАТЕЛЬ БЕНЗИНОВЫЙ, 4 ЦИЛ., 1.6 Л, MFI, DOHC, PT-JV, РЕГУЛИРУЕМЫЕ ФАЗЫ РАСПРЕДВАЛОВ AFT, ДЕАКТИВИЗАЦИЯ ПОРТА ГАЗОВЫЙ ДВИГАТЕЛЬ, 4 ЦИЛ., 1.6 Л, MFI, DOHC, PT-JV, РАСПРЕДВАЛ С ИЗМЕНЯЕМЫМ ФАЗИРОВАНИЕМ, 82 кВт Контакт 1
G24 Насос омывателя ветрового стекла

Расположение деталей (узлов) Трехмерная схема жгутов
Внешний вид разъема и ремонт
Электрическая схема Система стеклоомывателей Контакт 1
KR27 Реле стартера

Электрическая схема Запуск и зарядка ГАЗОВЫЙ ДВИГАТЕЛЬ, 4 ЦИЛ., 1.6 Л, MFI, DOHC, 80 кВт (GMDAT) Контакт 30
Электрическая схема Запуск и зарядка ГАЗОВЫЙ ДВИГАТЕЛЬ, 4 ЦИЛ., 1.6 Л, MFI, DOHC, 80 кВт (GMDAT) Контакт 85
Электрическая схема Запуск и зарядка ГАЗОВЫЙ ДВИГАТЕЛЬ, 4 ЦИЛ., 1.6 Л, MFI, DOHC, 80 кВт (GMDAT) Контакт 86
Электрическая схема Запуск и зарядка ГАЗОВЫЙ ДВИГАТЕЛЬ, 4 ЦИЛ., 1.6 Л, MFI, DOHC, 80 кВт (GMDAT) Контакт 87
Электрическая схема Запуск и зарядка ДИЗЕЛЬНЫЙ ДВИГАТЕЛЬ, 4 ЦИЛ., L4, 2.0 Л, CRI, SOHC, ТУРБО, 110 кВт Контакт 30
Электрическая схема Запуск и зарядка ДИЗЕЛЬНЫЙ ДВИГАТЕЛЬ, 4 ЦИЛ., L4, 2.0 Л, CRI, SOHC, ТУРБО, 110 кВт Контакт 85
Электрическая схема Запуск и зарядка ДИЗЕЛЬНЫЙ ДВИГАТЕЛЬ, 4 ЦИЛ., L4, 2.0 Л, CRI, SOHC, ТУРБО, 110 кВт Контакт 86
Электрическая схема Запуск и зарядка ДИЗЕЛЬНЫЙ ДВИГАТЕЛЬ, 4 ЦИЛ., L4, 2.0 Л, CRI, SOHC, ТУРБО, 110 кВт Контакт 87
Электрическая схема Запуск и зарядка ДВИГАТЕЛЬ БЕНЗИНОВЫЙ, 4 ЦИЛ., 1.8 Л, MFI, 103 КВТ, DOHC ДВИГАТЕЛЬ БЕНЗИНОВЫЙ, 4 ЦИЛ., 1.6 Л, MFI, DOHC, PT-JV, РЕГУЛИРУЕМЫЕ ФАЗЫ РАСПРЕДВАЛОВ AFT, ДЕАКТИВИЗАЦИЯ ПОРТА ГАЗОВЫЙ ДВИГАТЕЛЬ, 4 ЦИЛ., 1.6 Л, MFI, DOHC, PT-JV, РАСПРЕДВАЛ С ИЗМЕНЯЕМЫМ ФАЗИРОВАНИЕМ, 82 кВт Контакт 30
Электрическая схема Запуск и зарядка ДВИГАТЕЛЬ БЕНЗИНОВЫЙ, 4 ЦИЛ., 1.8 Л, MFI, 103 КВТ, DOHC ДВИГАТЕЛЬ БЕНЗИНОВЫЙ, 4 ЦИЛ., 1.6 Л, MFI, DOHC, PT-JV, РЕГУЛИРУЕМЫЕ ФАЗЫ РАСПРЕДВАЛОВ AFT, ДЕАКТИВИЗАЦИЯ ПОРТА ГАЗОВЫЙ ДВИГАТЕЛЬ, 4 ЦИЛ., 1.6 Л, MFI, DOHC, PT-JV, РАСПРЕДВАЛ С ИЗМЕНЯЕМЫМ ФАЗИРОВАНИЕМ, 82 кВт Контакт 85
Электрическая схема Запуск и зарядка ДВИГАТЕЛЬ БЕНЗИНОВЫЙ, 4 ЦИЛ., 1.8 Л, MFI, 103 КВТ, DOHC ДВИГАТЕЛЬ БЕНЗИНОВЫЙ, 4 ЦИЛ., 1.6 Л, MFI, DOHC, PT-JV, РЕГУЛИРУЕМЫЕ ФАЗЫ РАСПРЕДВАЛОВ AFT, ДЕАКТИВИЗАЦИЯ ПОРТА ГАЗОВЫЙ ДВИГАТЕЛЬ, 4 ЦИЛ., 1.6 Л, MFI, DOHC, PT-JV, РАСПРЕДВАЛ С ИЗМЕНЯЕМЫМ ФАЗИРОВАНИЕМ, 82 кВт Контакт 86
Электрическая схема Запуск и зарядка ДВИГАТЕЛЬ БЕНЗИНОВЫЙ, 4 ЦИЛ., 1.8 Л, MFI, 103 КВТ, DOHC ДВИГАТЕЛЬ БЕНЗИНОВЫЙ, 4 ЦИЛ., 1.6 Л, MFI, DOHC, PT-JV, РЕГУЛИРУЕМЫЕ ФАЗЫ РАСПРЕДВАЛОВ AFT, ДЕАКТИВИЗАЦИЯ ПОРТА ГАЗОВЫЙ ДВИГАТЕЛЬ, 4 ЦИЛ., 1.6 Л, MFI, DOHC, PT-JV, РАСПРЕДВАЛ С ИЗМЕНЯЕМЫМ ФАЗИРОВАНИЕМ, 82 кВт Контакт 87
KR5 Реле антизапотевателя заднего стекла

Электрическая схема Антизапотеватель Контакт 30
Электрическая схема Антизапотеватель Контакт 85
Электрическая схема Антизапотеватель Контакт 86
Электрическая схема Антизапотеватель Контакт 87
Электрическая схема Обогреваемые наружные зеркала Контакт 30
Электрическая схема Обогреваемые наружные зеркала Контакт 85
Электрическая схема Обогреваемые наружные зеркала Контакт 86
Электрическая схема Обогреваемые наружные зеркала Контакт 87
KR11 Реле насоса омывателя ветрового стекла

Электрическая схема Система стеклоомывателей Контакт 30
Электрическая схема Система стеклоомывателей Контакт 85
Электрическая схема Система стеклоомывателей Контакт 86
Электрическая схема Система стеклоомывателей Контакт 87
Электрическая схема Система стеклоомывателей Контакт 87A
X50A Блок предохранителей - Под капотом

Расположение деталей (узлов) Трехмерная схема жгутов
Электрическая схема Система стеклоомывателей Контакт 30
Электрическая схема Задние противотуманные фонари Контакт 51
Электрическая схема Запуск и зарядка ГАЗОВЫЙ ДВИГАТЕЛЬ, 4 ЦИЛ., 1.6 Л, MFI, DOHC, 80 кВт (GMDAT) Контакт 5
Электрическая схема Запуск и зарядка ДИЗЕЛЬНЫЙ ДВИГАТЕЛЬ, 4 ЦИЛ., L4, 2.0 Л, CRI, SOHC, ТУРБО, 110 кВт Контакт 5
Электрическая схема Запуск и зарядка ДВИГАТЕЛЬ БЕНЗИНОВЫЙ, 4 ЦИЛ., 1.8 Л, MFI, 103 КВТ, DOHC ДВИГАТЕЛЬ БЕНЗИНОВЫЙ, 4 ЦИЛ., 1.6 Л, MFI, DOHC, PT-JV, РЕГУЛИРУЕМЫЕ ФАЗЫ РАСПРЕДВАЛОВ AFT, ДЕАКТИВИЗАЦИЯ ПОРТА ГАЗОВЫЙ ДВИГАТЕЛЬ, 4 ЦИЛ., 1.6 Л, MFI, DOHC, PT-JV, РАСПРЕДВАЛ С ИЗМЕНЯЕМЫМ ФАЗИРОВАНИЕМ, 82 кВт Контакт 5
Электрическая схема Антизапотеватель Контакт 39
Электрическая схема Обогреваемые наружные зеркала Контакт 62
X1 Сетка заднего антизапотевателя X1

Расположение деталей (узлов) Трехмерная схема жгутов
Внешний вид разъема и ремонт
30
86
F65UA Предохранитель
87
85
KR57 Реле заднего противотуманного фонаря

Электрическая схема Задние противотуманные фонари Контакт 30
Электрическая схема Задние противотуманные фонари Контакт 85
Электрическая схема Задние противотуманные фонари Контакт 86
Электрическая схема Задние противотуманные фонари Контакт 87
51
X2 Блок предохранителей - Под капотом X2

Внешний вид разъема и ремонт
Управление задней противотуманной фарой
YEGY Желтый-Серый
YEGY Желтый-Серый
YEGY Желтый-Серый
X918 Жгут проводов подъемной задней двери и жгут проводов левого заднего фонаря ...

Внешний вид разъема и ремонт Вилка
A
YEGY Желтый-Серый
YEGY Желтый-Серый
X919 Жгут проводов подъемной задней двери и жгут проводов правого заднего фонаря...

Внешний вид разъема и ремонт
A
J400 Жгут проводов багажника
YEGY Желтый-Серый
X900 Жгут проводов кузова и жгут проводов подъемной задней двери

Расположение деталей (узлов) Трехмерная схема жгутов СТРАНЫ - СЕВЕРНАЯ АМЕРИКА
Расположение деталей (узлов) Трехмерная схема жгутов СТРАНЫ - КРОМЕ СЕВЕРНОЙ АМЕРИКИ
Внешний вид разъема и ремонт Вилка
Внешний вид разъема и ремонт Гнездо
5
E29LR Противотуманная фара - левая задняя

Внешний вид разъема и ремонт
Электрическая схема Задние противотуманные фонари Контакт 1
1
1
E29RR Противотуманная фара - правая задняя

Внешний вид разъема и ремонт
Электрическая схема Задние противотуманные фонари Контакт 1
Предохранители F1UA, F2UA, F6UA, F26UA, F31UA, F33UA, F34UA, F64UA и F67UA

Предохранители F1UA, F2UA, F6UA, F26UA, F31UA, F33UA, F34UA, F64UA и F67UA
Справочные данные по контроллерам

Справочные данные по контроллерам
Предохранители F14DA, F15DA, F16DA, F17DA, F21DA, F22DA, F23DA, F24DA и F25DA

Предохранители F14DA, F15DA, F16DA, F17DA, F21DA, F22DA, F23DA, F24DA и F25DA
Перечень основных электрических компонентов

Перечень основных электрических компонентов
   


https://vnx.su/ 🛠 Руководства по ремонту и эксплуатации для автомобилей

Поиск по сайту

Остались вопросы или пожелания? Пишите на почту: support@vnx.su

Карта Сайта