Cruze
   
GMDE Start Page Load static TOC Load dynamic TOC Help?
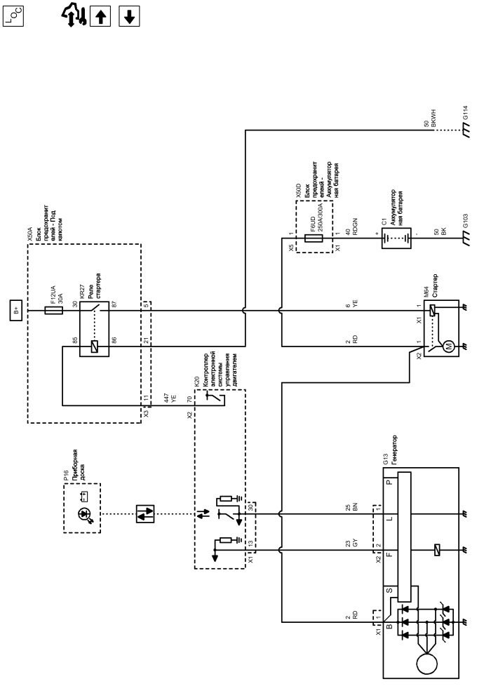
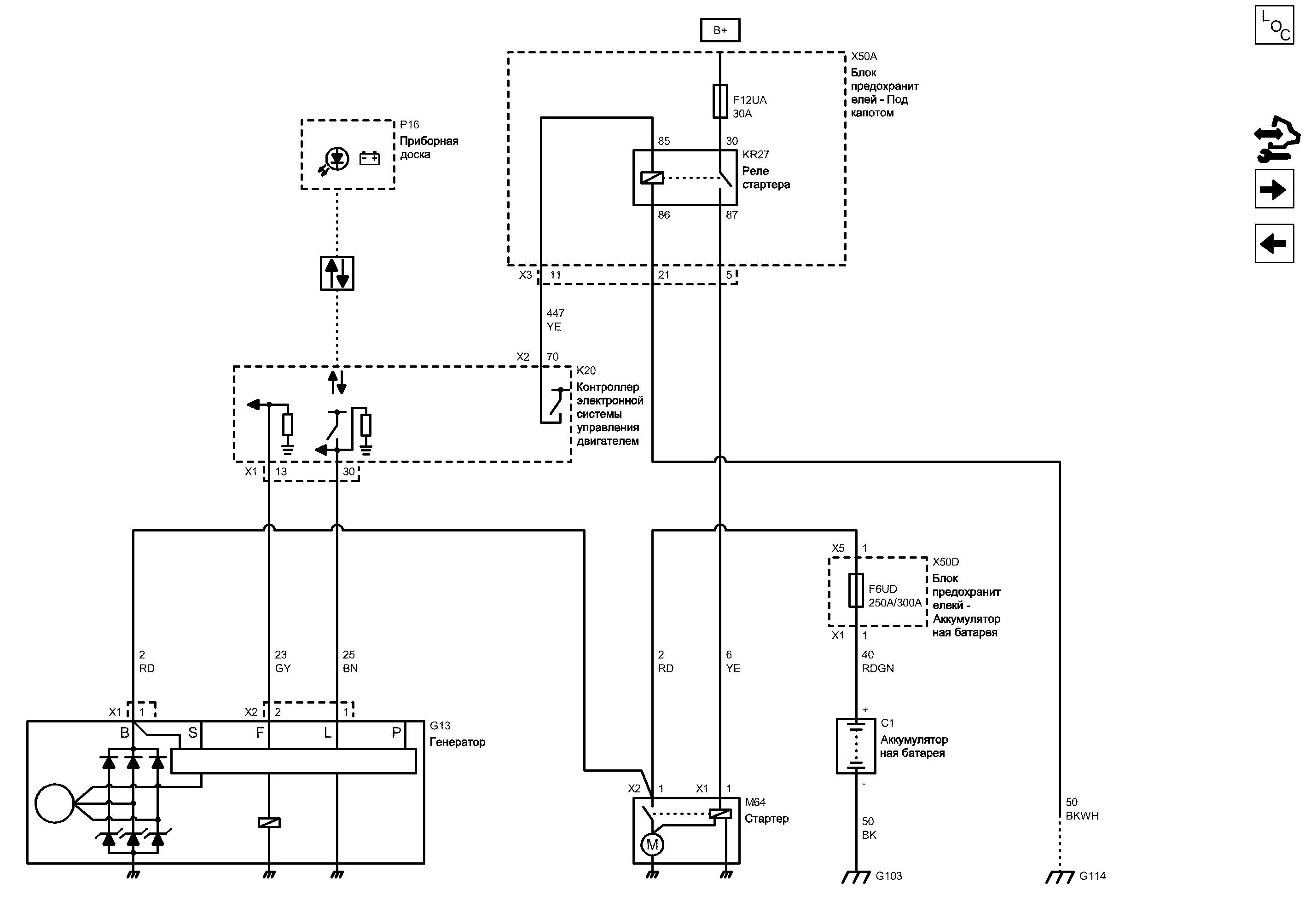
Запуск и зарядка (ГАЗОВЫЙ ДВИГАТЕЛЬ, 4 ЦИЛ., 1.6 Л, MFI, DOHC, 80 кВт (GMDAT))


            |                         |            
2225665RU.png


Display graphic

Display graphic

Компоненты
c1Аккумуляторная батареяkr27Реле стартера
f6udПредохранительm64Стартер
f12uaПредохранительp16Приборная доска
g13Генераторx50aБлок предохранителей - Под капотом
k20Контроллер электронной системы управления двигателемx50dБлок предохранителекй - Аккумуляторная батарея
Разъемы
g13 (x1)Генератор x1m64 (x2)Стартер x2
g13 (x2)Генератор x2x50a (x3)Блок предохранителей - Под капотом x3
k20 (x1)Контроллер электронной системы управления двигателем x1x50d (x1)Блок предохранителекй - Аккумуляторная батарея x1
k20 (x2)Контроллер электронной системы управления двигателем x2x50d (x5)Блок предохранителекй - Аккумуляторная батарея x5
m64 (x1)Стартер x1
Точки соединения с массой
g103Моторный отсек - Передняя часть, слеваg114Двигатель
Сокращения
b+Вывод b+fsdcФункциональный обмен последовательными данными
Цветовые коды
bkЧерныйrdКрасный
bkwhЧерный-БелыйrdgnКрасный-Зеленый
bnКоричневыйyeЖелтый
gyСерый
1
2
1
X1 Генератор X1

Внешний вид разъема и ремонт
Доступен вид только с одним разъемом
Положительное напряжение аккумуляторной батареи
RD Красный
1
1
X2 Стартер X2
-
+
RD Красный
G103 Моторный отсек - Передняя часть, слева

Расположение деталей (узлов) Трехмерная схема жгутов БЕЗ КОЖАНОЙ ОТДЕЛКИ СИДЕНЬЯ (TBD1-GSV)(GMDAT)
Расположение деталей (узлов) Трехмерная схема жгутов ЕВРОПА
Внешний вид разъема и ремонт
Электрическая схема G103 и G105
Масса
BK Черный
Управление индикатором зарядки
BN Коричневый
Сигнал рабочего цикла поля генератора
GY Серый
30
13
X2 Генератор X2

Внешний вид разъема и ремонт
Доступен вид только с одним разъемом
X1 Контроллер электронной системы управления двигателем X1

Расположение деталей (узлов) Трехмерная схема жгутов ГАЗОВЫЙ ДВИГАТЕЛЬ, 4 ЦИЛ., 1.6 Л, MFI, DOHC, 80 кВт (GMDAT)
Внешний вид разъема и ремонт ГАЗОВЫЙ ДВИГАТЕЛЬ, 4 ЦИЛ., 1.6 Л, MFI, DOHC, 80 кВт (GMDAT)
X1 Стартер X1
Пусковое напряжение соленоида стартера
YE Желтый
5
X3 Блок предохранителей - Под капотом X3

Внешний вид разъема и ремонт
Доступен вид только с одним разъемом
F12UA Предохранитель

Электрическая схема Дерево Предохранители F12UA, F28UA, F56UA, F60UA и F65UA
Электрическая схема Питание Шина B+ UEC (6 из 6)
Вывод B+
70
X2 Контроллер электронной системы управления двигателем X2

Расположение деталей (узлов) Трехмерная схема жгутов ГАЗОВЫЙ ДВИГАТЕЛЬ, 4 ЦИЛ., 1.6 Л, MFI, DOHC, 80 кВт (GMDAT)
Внешний вид разъема и ремонт ГАЗОВЫЙ ДВИГАТЕЛЬ, 4 ЦИЛ., 1.6 Л, MFI, DOHC, 80 кВт (GMDAT)
Управление катушкой реле стартера
YE Желтый
11
21
Масса
BKWH Черный-Белый
G114 Двигатель

Электрическая схема G113 и G114
Функциональный обмен последовательными данными
86
85
87
30
F6UD Предохранитель

Электрическая схема Дерево Шина B+
1
1
X5 Блок предохранителекй - Аккумуляторная батарея X5

Расположение деталей (узлов) Трехмерная схема жгутов
Внешний вид разъема и ремонт ГАЗОВЫЙ ДВИГАТЕЛЬ, 4 ЦИЛ., 1.6 Л, MFI, DOHC, 80 кВт (GMDAT)
X1 Блок предохранителекй - Аккумуляторная батарея X1

Расположение деталей (узлов) Трехмерная схема жгутов
Положительное напряжение аккумуляторной батареи
RDGN Красный-Зеленый
X50D Блок предохранителекй - Аккумуляторная батарея

Расположение деталей (узлов) Трехмерная схема жгутов
K20 Контроллер электронной системы управления двигателем

Расположение деталей (узлов) Трехмерная схема жгутов ГАЗОВЫЙ ДВИГАТЕЛЬ, 4 ЦИЛ., 1.6 Л, MFI, DOHC, 80 кВт (GMDAT)
Имеется только одно место для компонента
KR27 Реле стартера
P16 Приборная доска
X50A Блок предохранителей - Под капотом

Расположение деталей (узлов) Трехмерная схема жгутов
C1 Аккумуляторная батарея

Внешний вид разъема и ремонт
M64 Стартер
G13 Генератор
Управление
Управление
Последовательные данные
Сигнал
Защита батареи

Защита батареи
Справочные данные по контроллерам

Справочные данные по контроллерам
Запуск и зарядка

Запуск и зарядка
Перечень основных электрических компонентов

Перечень основных электрических компонентов
   


https://vnx.su/ 🛠 Руководства по ремонту и эксплуатации для автомобилей

Поиск по сайту

Остались вопросы или пожелания? Пишите на почту: support@vnx.su

Карта Сайта