Cruze
   
GMDE Start Page Load static TOC Load dynamic TOC Help?
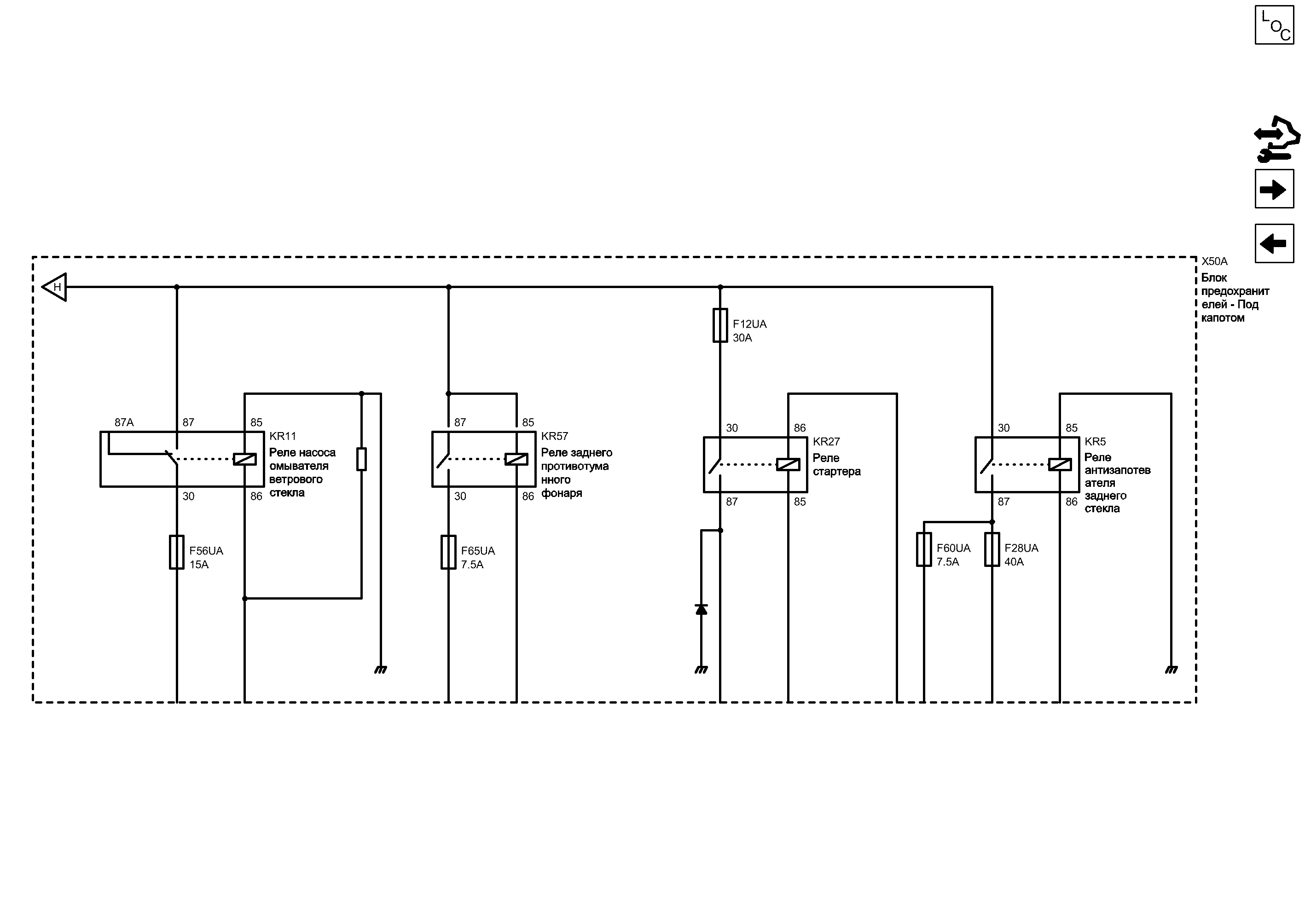
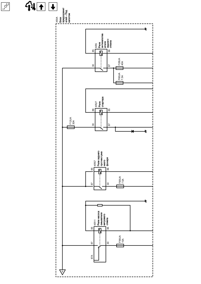
Шина b+ UEC (6 из 6)


            |                         |            
2203078RU.png


Display graphic

Display graphic

Компоненты
f12uaПредохранительkr5Реле антизапотевателя заднего стекла
f28uaПредохранительkr11Реле насоса омывателя ветрового стекла
f56uaПредохранительkr27Реле стартера
f60uaПредохранительkr57Реле заднего противотуманного фонаря
f65uaПредохранительx50aБлок предохранителей - Под капотом
H

H
85
86
30
F28UA Предохранитель
F60UA Предохранитель
30
85
87
86
87
30
85
86
F12UA Предохранитель
F56UA Предохранитель
KR27 Реле стартера

Электрическая схема Запуск и зарядка ГАЗОВЫЙ ДВИГАТЕЛЬ, 4 ЦИЛ., 1.6 Л, MFI, DOHC, 80 кВт (GMDAT) Контакт 30
Электрическая схема Запуск и зарядка ГАЗОВЫЙ ДВИГАТЕЛЬ, 4 ЦИЛ., 1.6 Л, MFI, DOHC, 80 кВт (GMDAT) Контакт 85
Электрическая схема Запуск и зарядка ГАЗОВЫЙ ДВИГАТЕЛЬ, 4 ЦИЛ., 1.6 Л, MFI, DOHC, 80 кВт (GMDAT) Контакт 86
Электрическая схема Запуск и зарядка ГАЗОВЫЙ ДВИГАТЕЛЬ, 4 ЦИЛ., 1.6 Л, MFI, DOHC, 80 кВт (GMDAT) Контакт 87
Электрическая схема Запуск и зарядка ДИЗЕЛЬНЫЙ ДВИГАТЕЛЬ, 4 ЦИЛ., L4, 2.0 Л, CRI, SOHC, ТУРБО, 110 кВт Контакт 30
Электрическая схема Запуск и зарядка ДИЗЕЛЬНЫЙ ДВИГАТЕЛЬ, 4 ЦИЛ., L4, 2.0 Л, CRI, SOHC, ТУРБО, 110 кВт Контакт 85
Электрическая схема Запуск и зарядка ДИЗЕЛЬНЫЙ ДВИГАТЕЛЬ, 4 ЦИЛ., L4, 2.0 Л, CRI, SOHC, ТУРБО, 110 кВт Контакт 86
Электрическая схема Запуск и зарядка ДИЗЕЛЬНЫЙ ДВИГАТЕЛЬ, 4 ЦИЛ., L4, 2.0 Л, CRI, SOHC, ТУРБО, 110 кВт Контакт 87
Электрическая схема Запуск и зарядка ДВИГАТЕЛЬ БЕНЗИНОВЫЙ, 4 ЦИЛ., 1.8 Л, MFI, 103 КВТ, DOHC ДВИГАТЕЛЬ БЕНЗИНОВЫЙ, 4 ЦИЛ., 1.6 Л, MFI, DOHC, PT-JV, РЕГУЛИРУЕМЫЕ ФАЗЫ РАСПРЕДВАЛОВ AFT, ДЕАКТИВИЗАЦИЯ ПОРТА ГАЗОВЫЙ ДВИГАТЕЛЬ, 4 ЦИЛ., 1.6 Л, MFI, DOHC, PT-JV, РАСПРЕДВАЛ С ИЗМЕНЯЕМЫМ ФАЗИРОВАНИЕМ, 82 кВт Контакт 30
Электрическая схема Запуск и зарядка ДВИГАТЕЛЬ БЕНЗИНОВЫЙ, 4 ЦИЛ., 1.8 Л, MFI, 103 КВТ, DOHC ДВИГАТЕЛЬ БЕНЗИНОВЫЙ, 4 ЦИЛ., 1.6 Л, MFI, DOHC, PT-JV, РЕГУЛИРУЕМЫЕ ФАЗЫ РАСПРЕДВАЛОВ AFT, ДЕАКТИВИЗАЦИЯ ПОРТА ГАЗОВЫЙ ДВИГАТЕЛЬ, 4 ЦИЛ., 1.6 Л, MFI, DOHC, PT-JV, РАСПРЕДВАЛ С ИЗМЕНЯЕМЫМ ФАЗИРОВАНИЕМ, 82 кВт Контакт 85
Электрическая схема Запуск и зарядка ДВИГАТЕЛЬ БЕНЗИНОВЫЙ, 4 ЦИЛ., 1.8 Л, MFI, 103 КВТ, DOHC ДВИГАТЕЛЬ БЕНЗИНОВЫЙ, 4 ЦИЛ., 1.6 Л, MFI, DOHC, PT-JV, РЕГУЛИРУЕМЫЕ ФАЗЫ РАСПРЕДВАЛОВ AFT, ДЕАКТИВИЗАЦИЯ ПОРТА ГАЗОВЫЙ ДВИГАТЕЛЬ, 4 ЦИЛ., 1.6 Л, MFI, DOHC, PT-JV, РАСПРЕДВАЛ С ИЗМЕНЯЕМЫМ ФАЗИРОВАНИЕМ, 82 кВт Контакт 86
Электрическая схема Запуск и зарядка ДВИГАТЕЛЬ БЕНЗИНОВЫЙ, 4 ЦИЛ., 1.8 Л, MFI, 103 КВТ, DOHC ДВИГАТЕЛЬ БЕНЗИНОВЫЙ, 4 ЦИЛ., 1.6 Л, MFI, DOHC, PT-JV, РЕГУЛИРУЕМЫЕ ФАЗЫ РАСПРЕДВАЛОВ AFT, ДЕАКТИВИЗАЦИЯ ПОРТА ГАЗОВЫЙ ДВИГАТЕЛЬ, 4 ЦИЛ., 1.6 Л, MFI, DOHC, PT-JV, РАСПРЕДВАЛ С ИЗМЕНЯЕМЫМ ФАЗИРОВАНИЕМ, 82 кВт Контакт 87
KR5 Реле антизапотевателя заднего стекла

Электрическая схема Антизапотеватель Контакт 30
Электрическая схема Антизапотеватель Контакт 85
Электрическая схема Антизапотеватель Контакт 86
Электрическая схема Антизапотеватель Контакт 87
Электрическая схема Обогреваемые наружные зеркала Контакт 30
Электрическая схема Обогреваемые наружные зеркала Контакт 85
Электрическая схема Обогреваемые наружные зеркала Контакт 86
Электрическая схема Обогреваемые наружные зеркала Контакт 87
KR11 Реле насоса омывателя ветрового стекла

Электрическая схема Система стеклоомывателей Контакт 30
Электрическая схема Система стеклоомывателей Контакт 85
Электрическая схема Система стеклоомывателей Контакт 86
Электрическая схема Система стеклоомывателей Контакт 87
Электрическая схема Система стеклоомывателей Контакт 87A
X50A Блок предохранителей - Под капотом

Расположение деталей (узлов) Трехмерная схема жгутов
87A
87
30
86
F65UA Предохранитель
85
87
KR57 Реле заднего противотуманного фонаря

Электрическая схема Задние противотуманные фонари Контакт 30
Электрическая схема Задние противотуманные фонари Контакт 85
Электрическая схема Задние противотуманные фонари Контакт 86
Электрическая схема Задние противотуманные фонари Контакт 87
Шина B+ UEC (5 из 6)

Шина B+ UEC (5 из 6)
Справочные данные по контроллерам

Справочные данные по контроллерам
Шина B+ IEC (1 из 3)

Шина B+ IEC (1 из 3)
Перечень основных электрических компонентов

Перечень основных электрических компонентов
   


https://vnx.su/ 🛠 Руководства по ремонту и эксплуатации для автомобилей

Поиск по сайту

Остались вопросы или пожелания? Пишите на почту: support@vnx.su

Карта Сайта