Cruze
   
GMDE Start Page Load static TOC Load dynamic TOC Help?
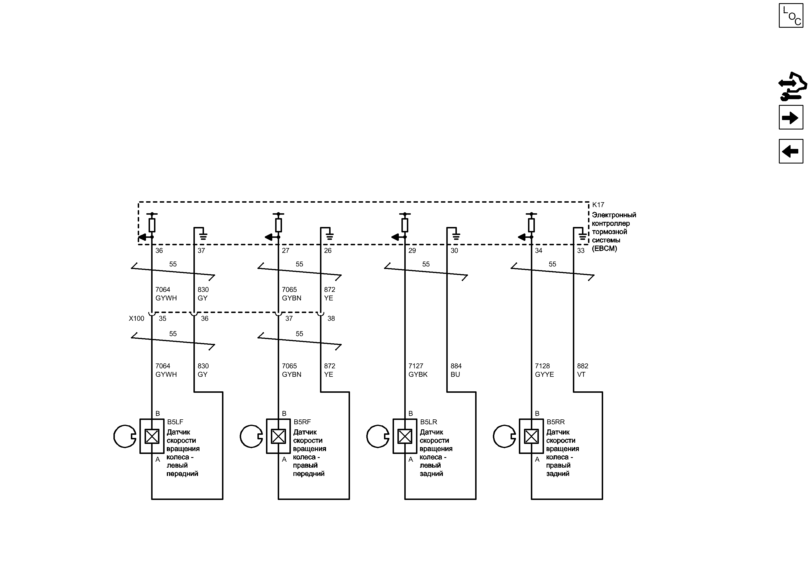
Датчики скорости вращения колес


            |                         |            
2202859RU.png


Display graphic

Display graphic

Компоненты
b5lfДатчик скорости вращения колеса - левый переднийb5rrДатчик скорости вращения колеса - правый задний
b5lrДатчик скорости вращения колеса - левый заднийk17Электронный контроллер тормозной системы (ЕВСМ)
b5rfДатчик скорости вращения колеса - правый передний
Разъемы
x100Жгут проводов кузова и жгут проводов передней части кузова
Цветовые коды
buСинийgywhСерый-Белый
gyСерыйgyyeСерый-Желтый
gybkСерый-ЧерныйvtФиолетовый
gybnСерый-КоричневыйyeЖелтый
27
26
B
A
30
29
33
34
37
36
A
B
B
A
A
B
Сигнал правого заднего датчика скорости вращения колеса
VT Фиолетовый
Управление правым задним датчиком скорости вращения колеса
GYYE Серый-Желтый
Управление левым передним датчиком скорости вращения колеса
GYWH Серый-Белый
Сигнал левого переднего датчика скорости вращения колеса
GY Серый
Управление левым задним датчиком скорости вращения колеса
GYBK Серый-Черный
Сигнал левого заднего датчика скорости вращения колеса
BU Синий
Сигнал правого переднего датчика скорости вращения колеса
YE Желтый
Управление правым передним датчиком скорости вращения колеса
GYBN Серый-Коричневый
38
37
X100 Жгут проводов кузова и жгут проводов передней части кузова

Расположение деталей (узлов) Трехмерная схема жгутов
Внешний вид разъема и ремонт Вилка
Внешний вид разъема и ремонт Гнездо
35
36
GY Серый
GYWH Серый-Белый
YE Желтый
GYBN Серый-Коричневый
Слабый опорный сигнал
Сигнал
Сигнал
Слабый опорный сигнал
Сигнал
Слабый опорный сигнал
Сигнал
Слабый опорный сигнал
B5LR Датчик скорости вращения колеса - левый задний

Расположение деталей (узлов) Трехмерная схема жгутов
Внешний вид разъема и ремонт
B5RR Датчик скорости вращения колеса - правый задний

Расположение деталей (узлов) Трехмерная схема жгутов
Внешний вид разъема и ремонт
B5LF Датчик скорости вращения колеса - левый передний

Внешний вид разъема и ремонт
B5RF Датчик скорости вращения колеса - правый передний

Внешний вид разъема и ремонт
K17 Электронный контроллер тормозной системы (ЕВСМ)

Расположение деталей (узлов) Трехмерная схема жгутов
Внешний вид разъема и ремонт
Питание, масса и последовательные данные

Питание, масса и последовательные данные
Справочные данные по контроллерам

Справочные данные по контроллерам
Угол поворота управляемых колес и датчик скорости вращения

Угол поворота управляемых колес и датчик скорости вращения
Перечень основных электрических компонентов

Перечень основных электрических компонентов
   


https://vnx.su/ 🛠 Руководства по ремонту и эксплуатации для автомобилей

Поиск по сайту

Остались вопросы или пожелания? Пишите на почту: support@vnx.su

Карта Сайта