To the top of the document
Orlando
   
GMDE Start Page Load static TOC Load dynamic TOC Help?

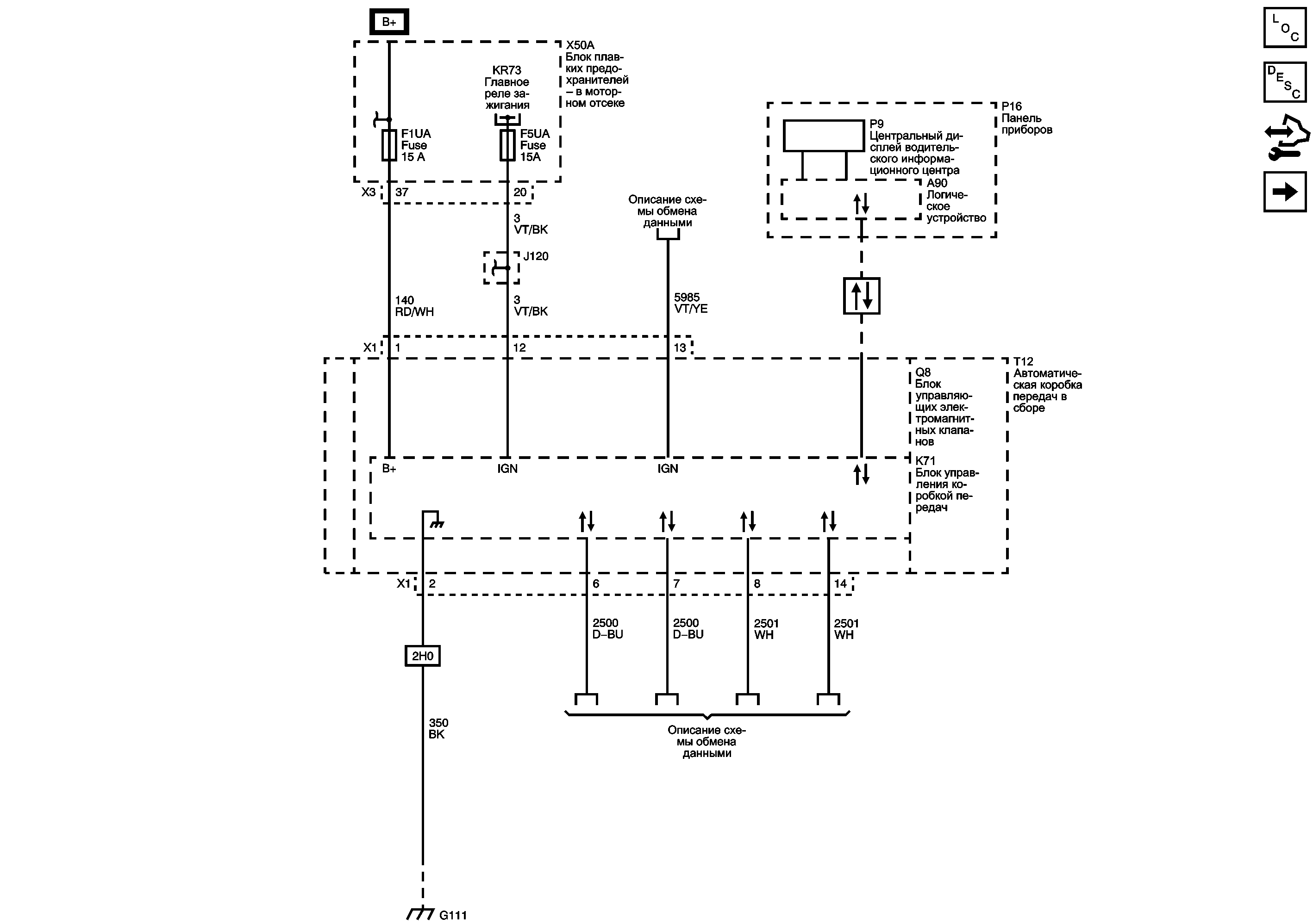
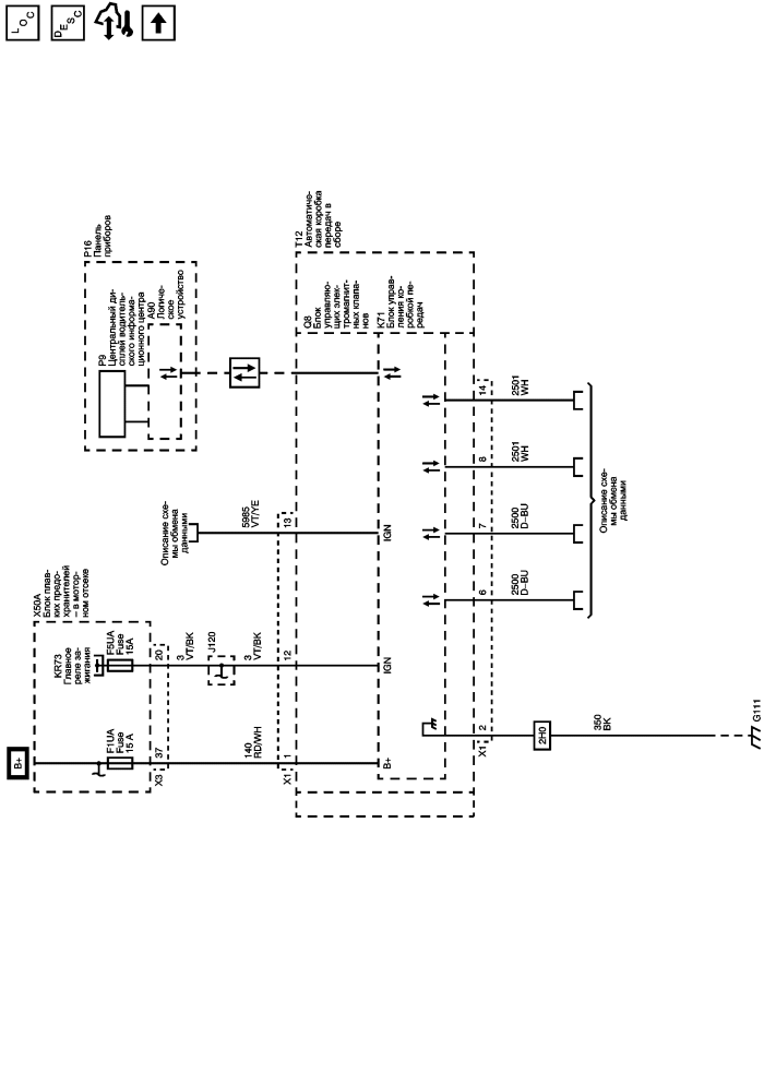
Питание, масса и передача данных модуля


          
            |                         |            
2565248RU.png

Display graphic

Датчики температуры рабочей жидкости и оборотов, средства управления положением клапана, давлением и переключением

Предохранители F1UA, F25UA, F26UA, F30UA, F33UA, F55UA, F64UA и F67UA

Ignition Main Relay

Предохранители F5UA, F13UA и F53UA

G110 (2H0) и G112

   


© copyright chevrolet. All rights reserved