To the top of the document
Orlando
   
GMDE Start Page Load static TOC Load dynamic TOC Help?

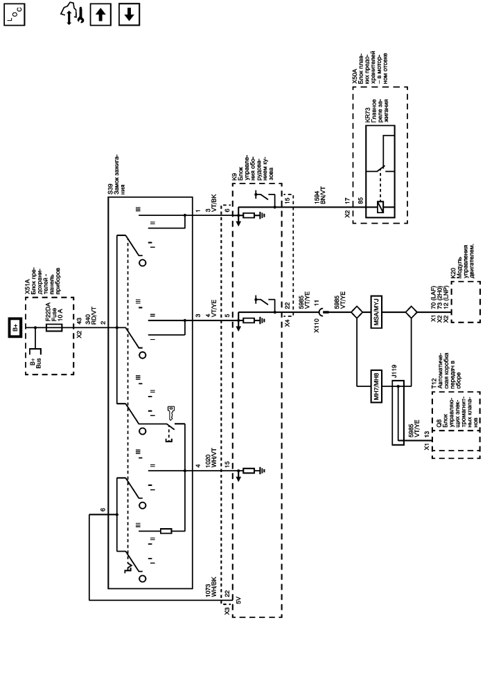
Предохранитель f22da и выключатель зажигания (без ath)


          
            |                         |            
2564830RU.png

Display graphic

Предохранители F47UA, F59UA и F62UA

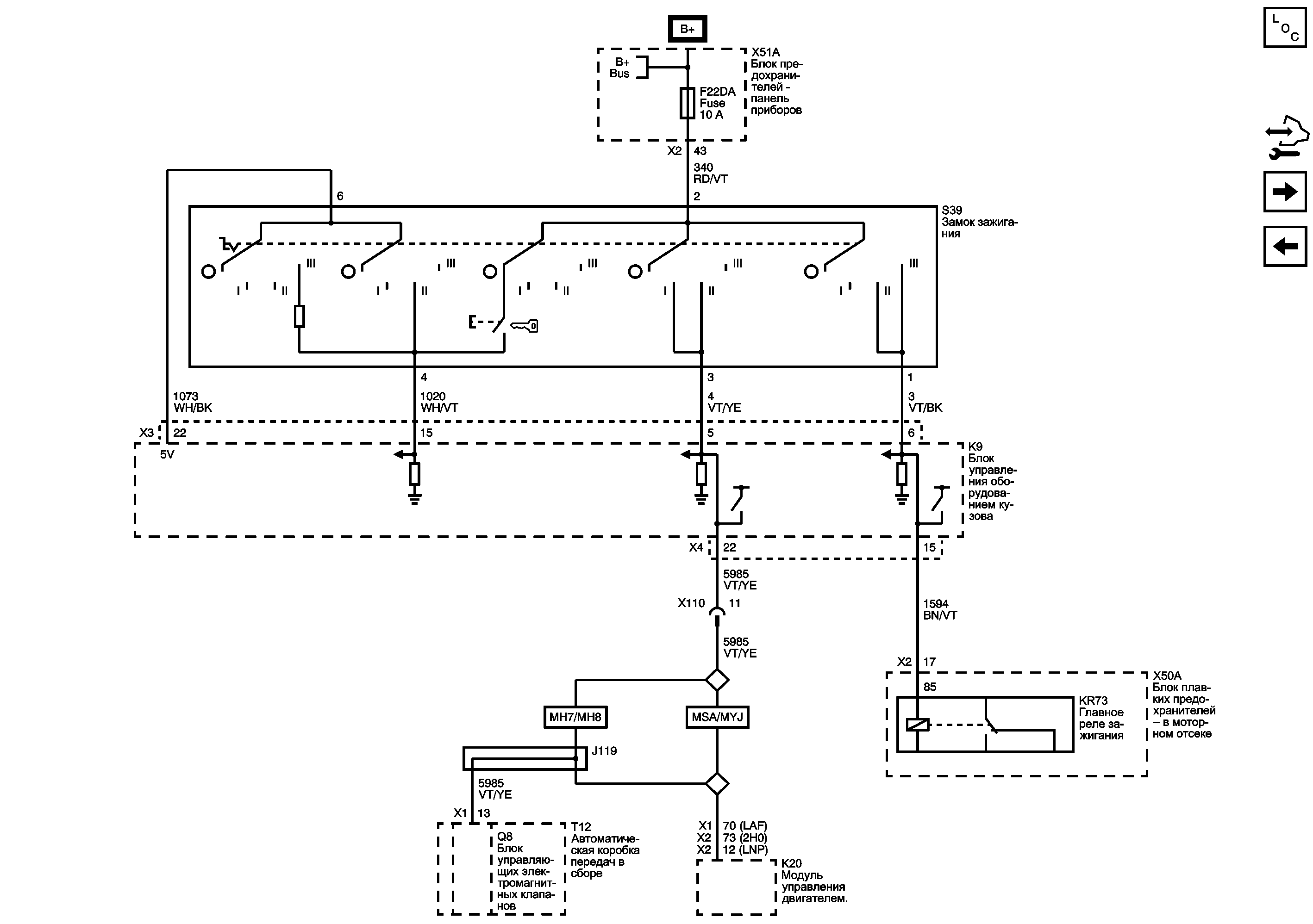
Предохранитель F22DA и выключатель зажигания (ATH)

   


© copyright chevrolet. All rights reserved