To the top of the document
Orlando
   
GMDE Start Page Load static TOC Load dynamic TOC Help?

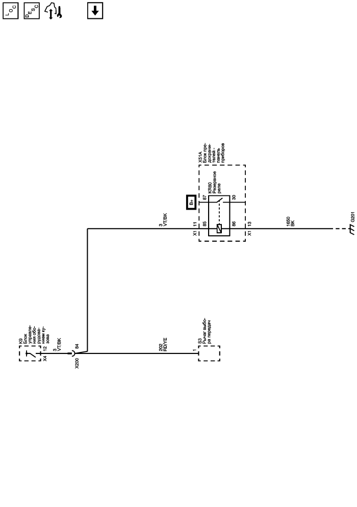
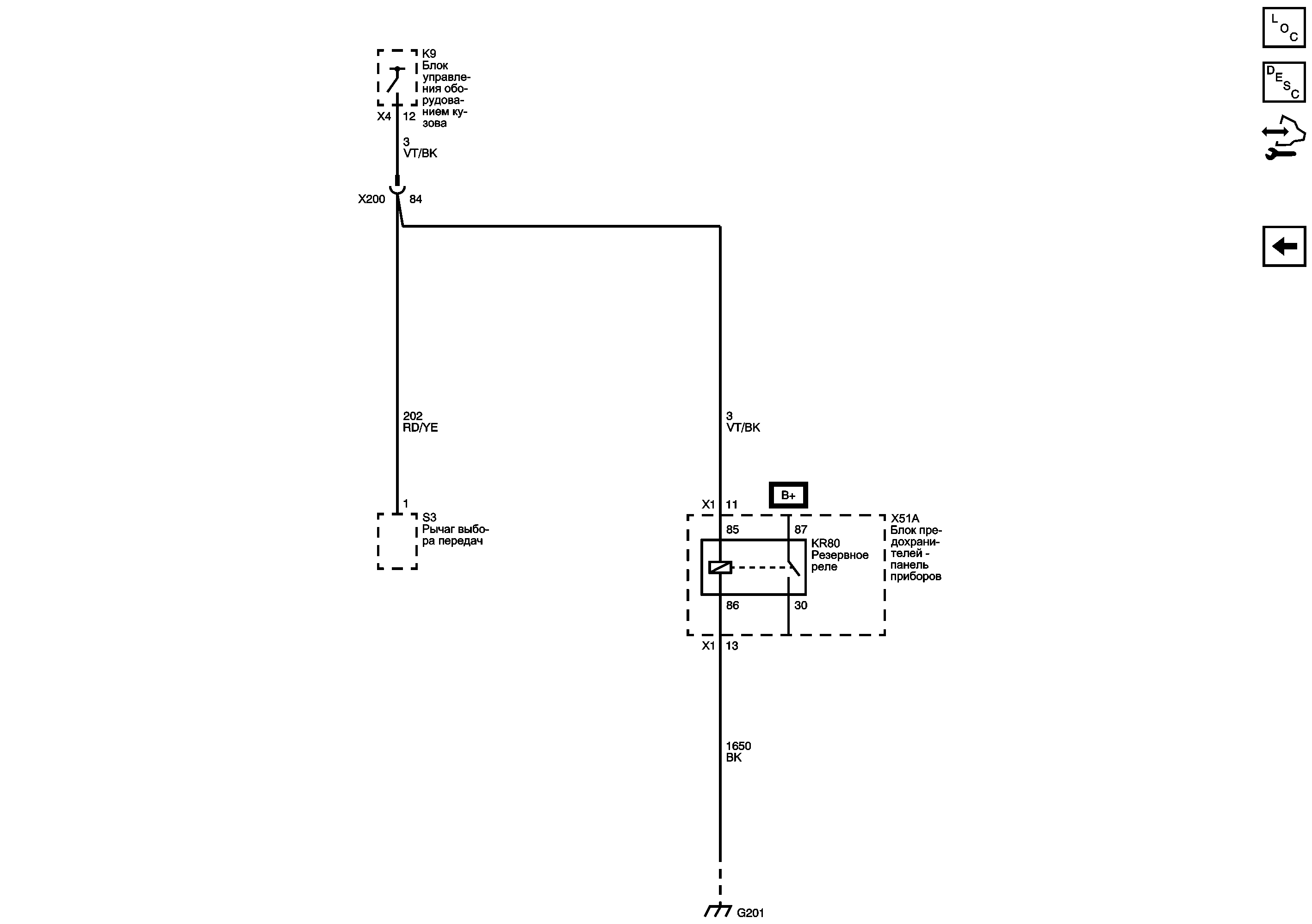
Реле вспомогательного источника питания


          
            |                         |            
2564887RU.png

Display graphic

Ignition Main Relay

G120, G121, G122 и G201

   


© copyright chevrolet. All rights reserved