Orlando |
||||||||
|
|
|
|||||||

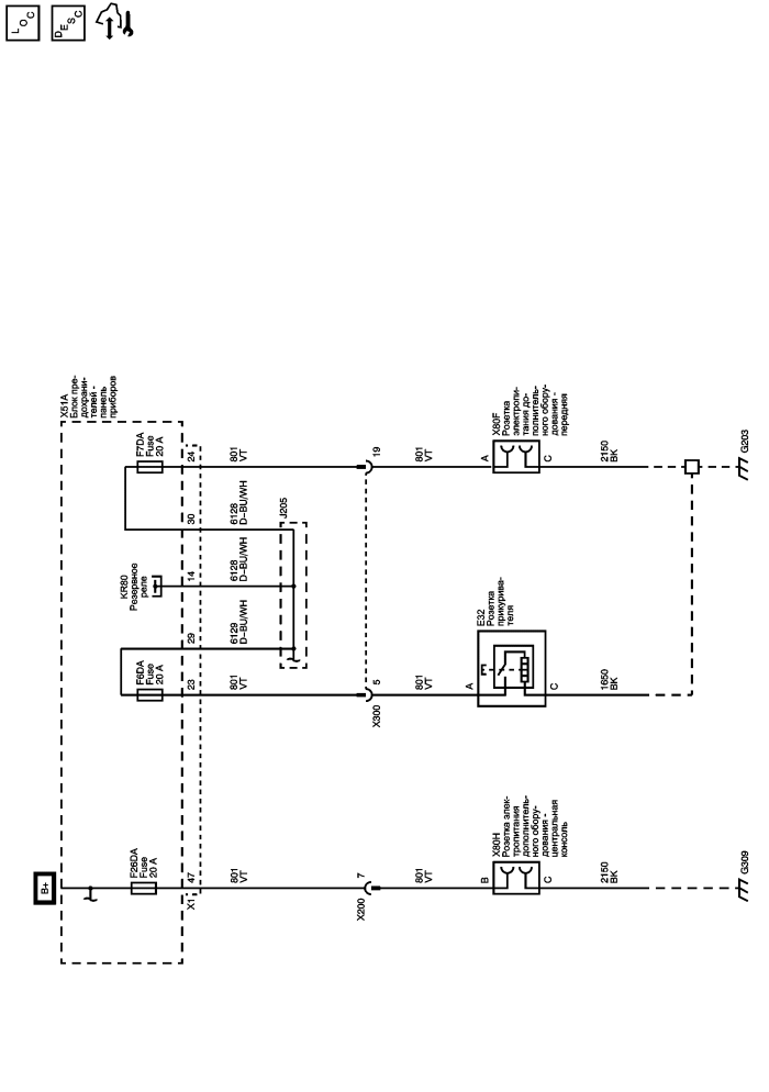
Предохранители F14DA, F15DA, F17DA, F21DA, F23DA, F24DA и F25DA
Предохранители F1DA, F4DA, F5DA, F6DA и F7DA
Реле вспомогательного источника питания
Предохранители F1DA, F4DA, F5DA, F6DA и F7DA
| © copyright chevrolet. All rights reserved |