Orlando |
||||||||
|
|
|
|||||||

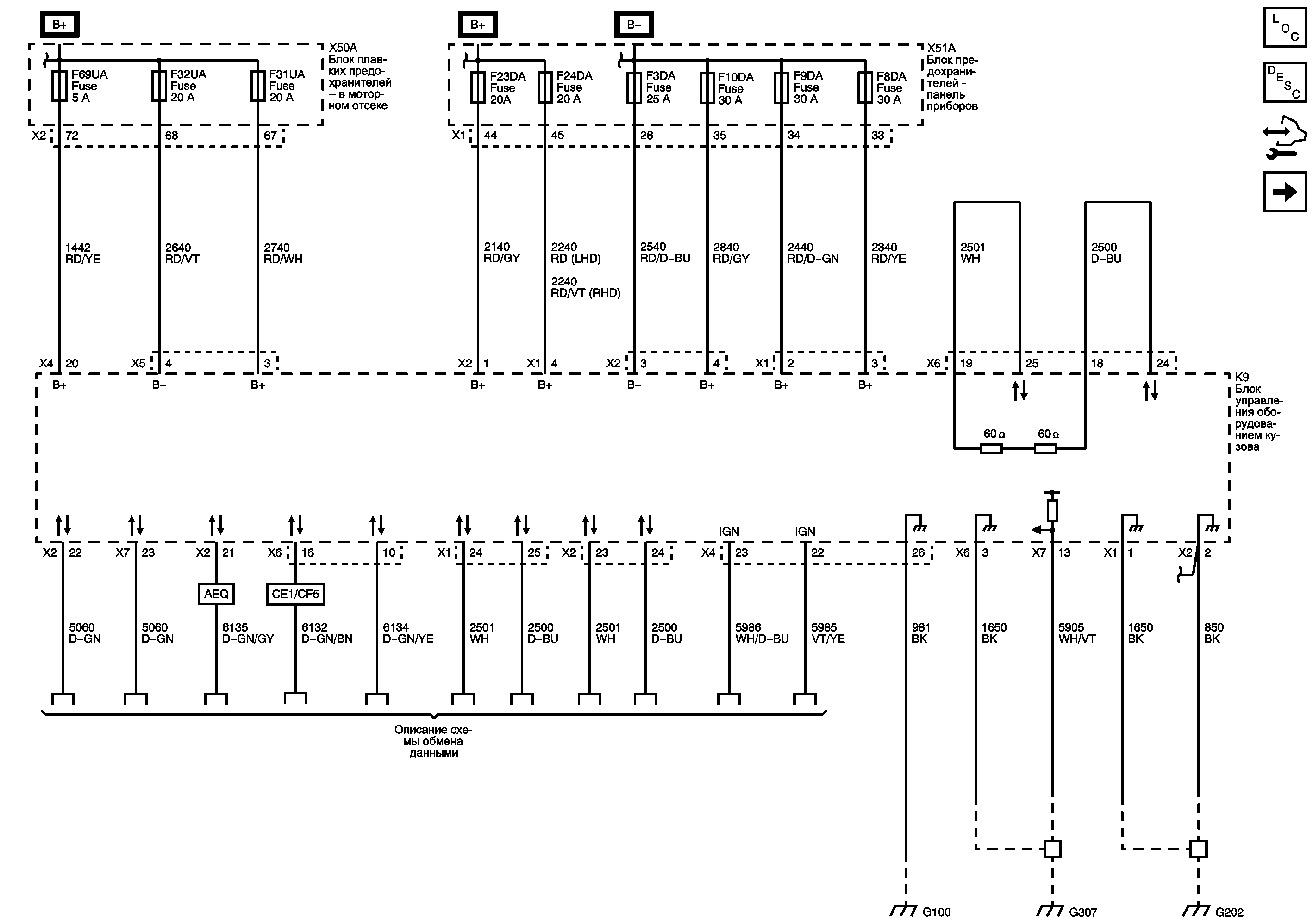
Справочные сведения о подсистемах (1 из 3)
Предохранители F2UA, F21UA, F27UA, F31UA, F32UA, F34UA, F35UA, F69UA и F70UA
Предохранители F14DA, F15DA, F17DA, F21DA, F23DA, F24DA и F25DA
Предохранители F3DA, F8DA, F9DA, F10DA, F11DA, F16DA, F3UD и F6UD
| © copyright chevrolet. All rights reserved |