To the top of the document
Orlando
   
GMDE Start Page Load static TOC Load dynamic TOC Help?

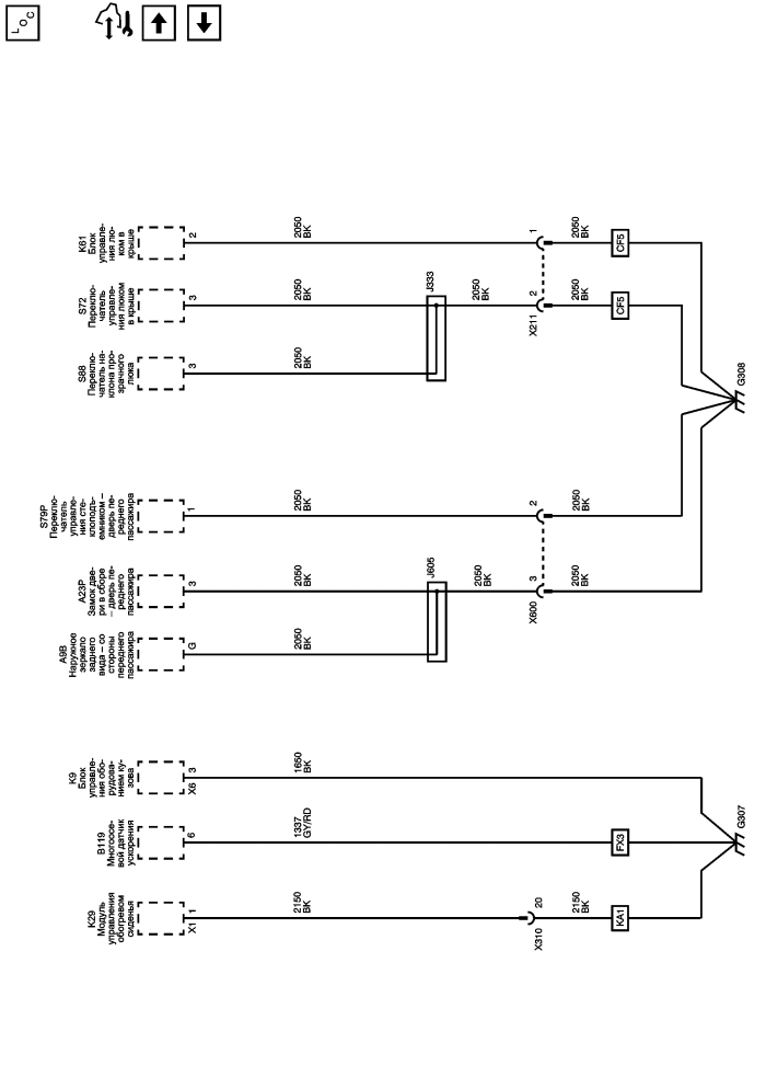
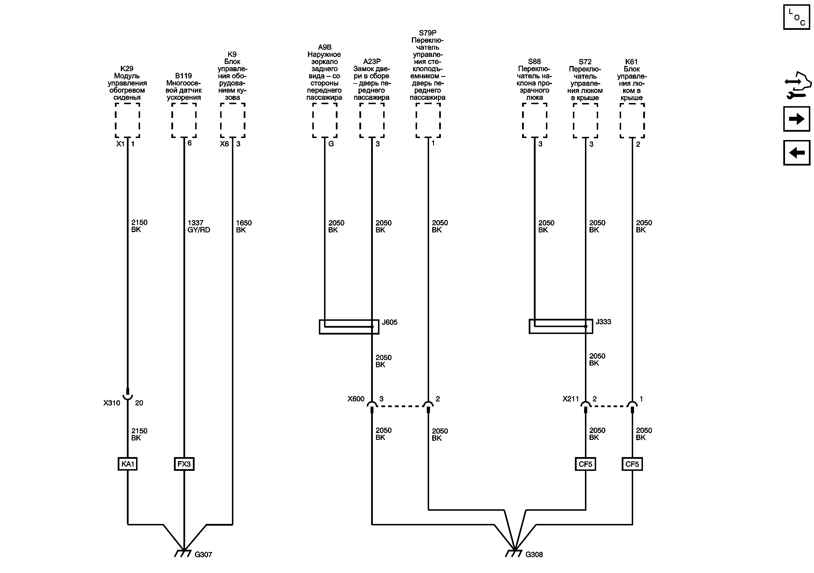
g307 и g308


          
            |                         |            
2564924RU.png

Display graphic

G309

G204 и G305

   


© copyright chevrolet. All rights reserved