Orlando |
||||||||
|
|
|
|||||||

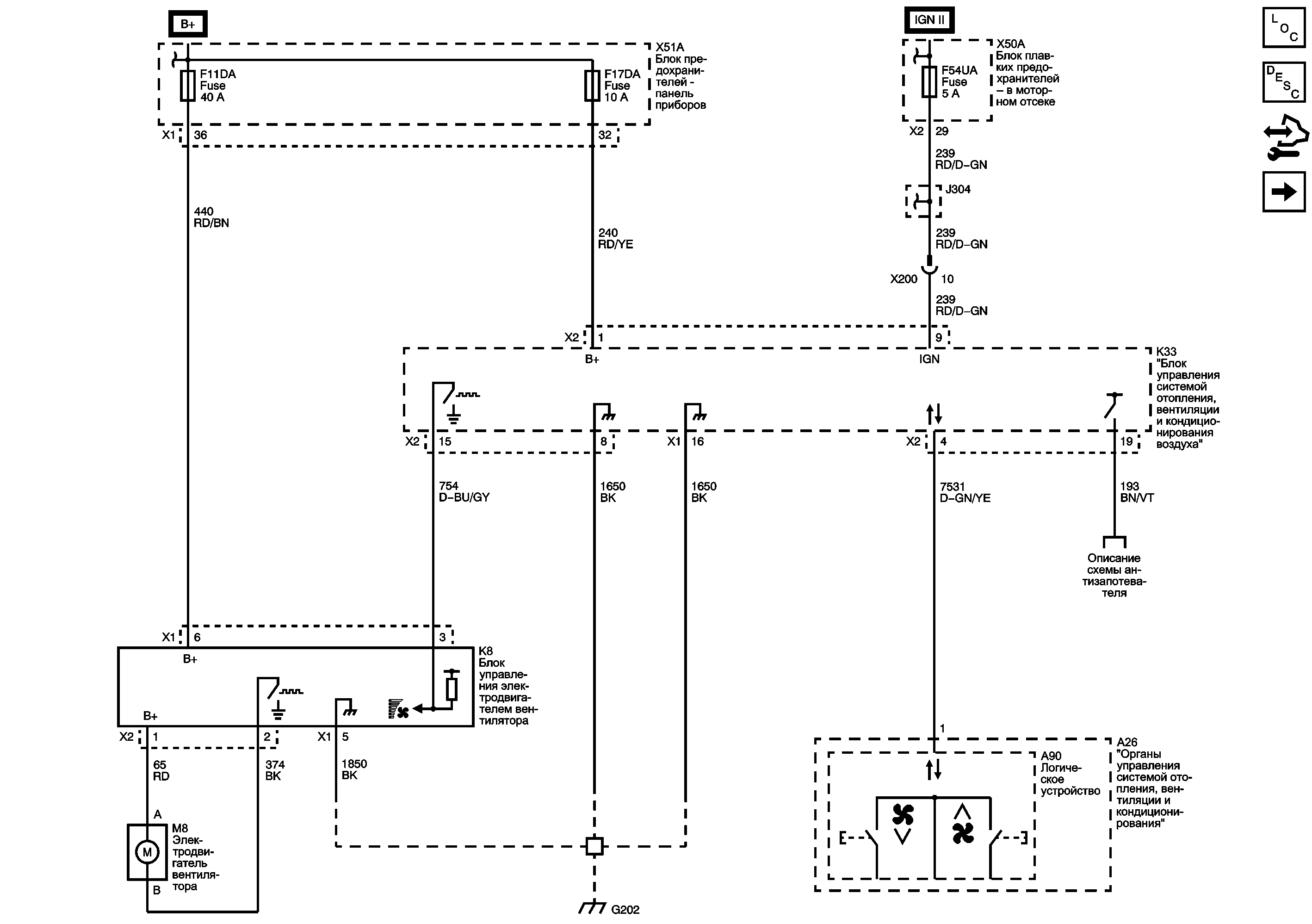
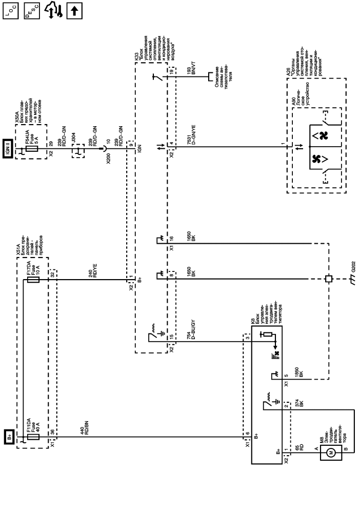
Органы управления подачей воздуха и температурой
Предохранители F3DA, F8DA, F9DA, F10DA, F11DA, F16DA, F3UD и F6UD
Предохранители F14DA, F15DA, F17DA, F21DA, F23DA, F24DA и F25DA
Предохранители F16UA, F17UA, F18UA, F52UA, F54UA и F57UA
| © copyright chevrolet. All rights reserved |